三运放仪表放大器中加入反馈电阻引入了问题求解决
录入:edatop.com 阅读:

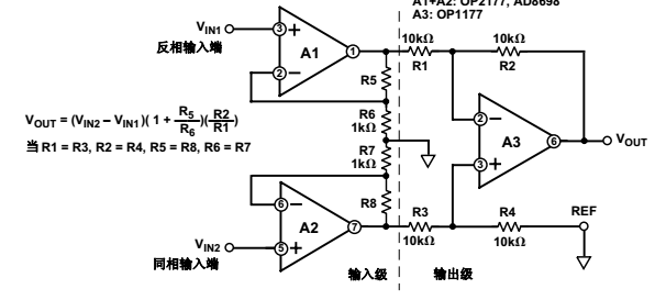
电路大概是这样的,运放是自己搭建的,在cadence上仿真
发现的问题是,整个三运放仪表放大器没有按照推导传输函数来放大信号
在放大器A1输出端测增益,发现好像变成R1和R5并联来算输入级的放大
在A3那一级增益确实正常的,到底R5会和R1并联算吗?
申明:网友回复良莠不齐,仅供参考。如需专业解答,请学习本站推出的微波射频专业培训课程。
上一篇:如何修改cadence wavescan波形显示的小数点位数?
下一篇:敢问各位大侠,在哪里修改spectre的默认仿真温度?

