拉扎维中文书P292的电路疑问
请大家看一下,我最近做的滤波器的结构就是类似于拉扎维中文版书上P292的结构,今天才看到书上讲到“此种结构是反馈电路有很好的相位欲度,但很差的稳定性能的例子,该电路的大信号阶跃响应,有相当大抖动!”,但是书里没有讲到这种电路的修改方法,我担心这种结构的稳定性问题,请问大家有没有什么修改办法,或者有什么书里讲到这种结构及其解决办法了,麻烦指导一下,谢谢!
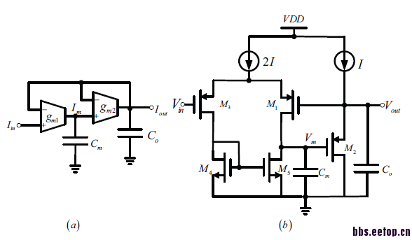
拉扎维P292页电路图:

所用结构原理图:

应26楼同学的要求,采用的是差分结构,电容跨接,仿真图如下图所示:

输出除以输入的增益&相位曲线:

STB仿真得到的环路增益&相位曲线:

阶跃信号瞬态:(会不会是电容充放电过冲而引起的振铃?)
貌似他对大的输入信号抖动大是因为其直流工作点回随信号变化,解决的办法现在还不知道。
Sansen的书有关于单位增益是阶跃信号的建立时间和稳定时间的之间如何取舍的详细解答。大致说来就是第二级的跨导gm要是输入级的8~12倍左右,然后结合米勒补偿可以实现较快的稳定。通过一堆公式可以求出一个Q值,貌似叫阻尼因子。具体怎么个过程你要查书了,我现在在外地出差,手头没书,自己也没学到位,只能说这么多,抱歉。
对的,书上是这么说的,我担心的是在小信号情况下电路会不会不稳定,纠结啊!
谢谢你的回答了,sansen书还没看过,我下本电子档找找看,也请你如果找到了麻烦给我说一声,非常感谢!祝出差顺利!
小信号比大信号更容易稳定。栅极电容自带滤波作用。
它这里说的小信号稳定只是说在某个特定的工作点下小信号稳定,而大信号瞬态的时候,工作点可能会变,因此导致不稳定。我觉得应该要保证在大信号里工作点都正常,才能保证在此工作点下都稳定。
你可以更换结构,或者设法减弱大信号对工作点的影响,比如增大过驱动电压(减小偏置电压变化带来的影响),增大偏置电流(减小偏置电流变化带来的影响),但我认为上述方法作用有限。
简单搭了一个没问题的,也就是说结构没问题,我猜你增益裕度不够,或者从跟轨迹考虑就是大信号导致工作点偏掉出现共轭极点,w=x+yj,响应就会有A*exp(x*t)*sin(y*t),减幅振荡。就是拉扎维说的大信号不稳定,你要做的就是把第二极点尽可能远离GBW
点。
第二极点太远,就是阻尼系数Q过大的时候,会使电路的阶跃信号呈现类似于微分电路波形,也是有问题的。Sansen提出一般第二极点是GBW的3倍左右。
另外这位大神貌似对根轨迹理论非常熟悉,求相关参考书和理论指导。
大神不敢当,见面叫大侠就好 。想了解跟轨迹,看gray的analysis and design of analog IC,和信号与系统。关键看自己悟吧。小编的第二极点肯定没法太远,不然不会有上述问题,所以我让她尽可能移远第二极点。就算能移得很远,也就90度裕度,T(s)=0.7/f,相对于你的3倍GBW,即T(s)=1/f 低了3db(也就是极限了),也差不到哪里。建立时间稍微大点被。总之最好在3GBW附近,即60度裕度。写完发现还有问题,其实sensan的上述理论是在近理想的2极点系统,而实际呢?实际是在>3GBW的不远处还会有挺多极点,比如镜像极点等,那么这个第三极点离第二极点就不远,使得第二极点处的相移会大于-135度(在bode图中两级点相差10倍频才几乎无相互的影响)。这样第二极点还是要大于3GBW的,才能得到约60度phase margin。
说的很有道理,gray的书我有,但是读的不细。回去补补~多谢大侠指点~
几天没上,这么多热心朋友回复,先致谢再看大家给的指导!
几天没上,这么多热心朋友回复,先致谢再看大家给的指导!
几天没上,这么多热心朋友回复,先致谢再看大家给的指导!
几天没上,这么多热心朋友回复,先致谢再看大家给的指导!
恩,我去仿仿试试,谢谢指导了!那如果在小信号工作时,是不是就是稳定的?
谢谢你的指导了!
gray的书不是说翻译的不好吗?还没看过,有空我也看看,补补知识!
嫌翻译不好就看影印版。实际上翻的好不好和你学不学的好没什么关系。任何知识,其实就是几句话几个点而已,看自己能不能悟到了。
恩,好的,谢谢了,感觉说的和参禅是的,悟到了……
哎,看这些回复啊,难怪做模拟的钱少
一个active inductor和c并联,高频能不ringing吗。
没说看中文的,都看英文的。
不是随便那个有源电感和C在一起就能ring的,你别扯了好不,你搭个试试就知道。空谈!
确实不一定是因为这个原因。不如小编把波特图贴出来看看就知道了。这种结构swing有限,大信好出问题很正常,哪怕小小信号有足够gm
小编贴图,需要该放大器的波特图(f=1的环路波特图),和接成单位增益的瞬态大阶跃响应图。
你是在共模基础上两端差加了个200mv的电压阶跃么?我想知道的是这200mv的电压差会把你的电路压到所谓的大信号区域么,电源电压是多少?如果这时候每个管子都还是饱和的话,照你的65的PM看来,这个时候瞬态有点ring是很正常的,要想完全没有ring得PM76。
另外我不太认为是电感的原因造成的振荡,因为Vm点有个电容,这个电容在高频的时候会把栅上的电压拉的比较直流,这个电感应该是很小的,从瞬态的图上看振荡的频率也比较低,应该不是这个原因。
同看,
值得学习
小编能接成单位增益结构然后输入端加GND+600mV到VDD-600mV的大阶跃,然后给出输出的阶跃响应图,看一下。目前看不是LC的ring。
申明:网友回复良莠不齐,仅供参考。如需专业解答,请学习本站推出的微波射频专业培训课程。
上一篇:help:图中所示标准的功能
下一篇:LDO极点个数的问题

