帮忙分析下这个带隙基准电压源
录入:edatop.com 阅读:
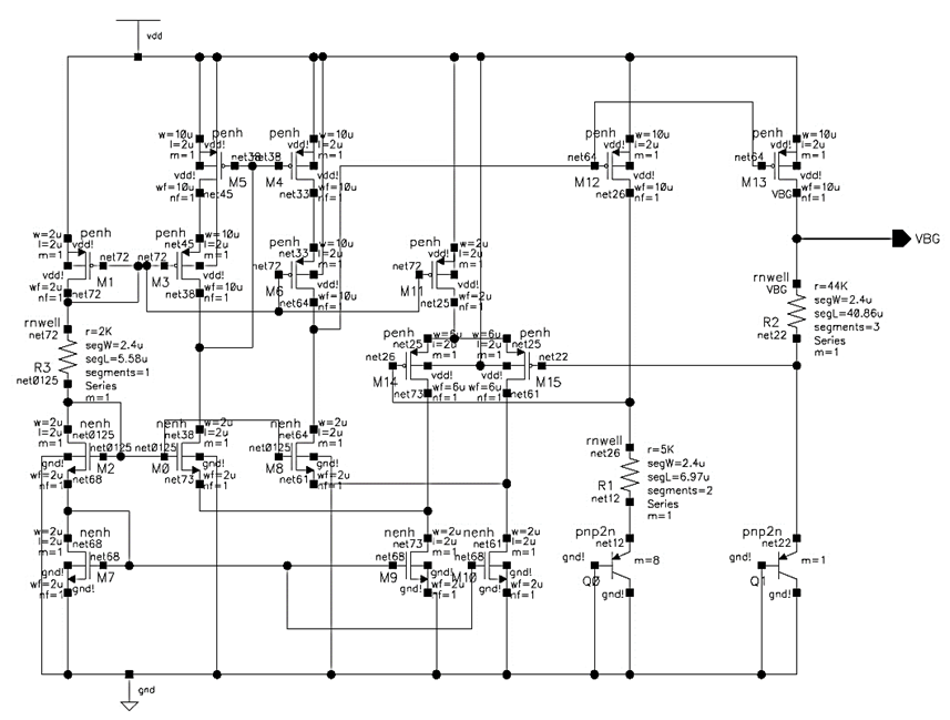
差动对左边的电路不太懂,第一列是启动电路还是偏置电路,第二列和第三列是放大器结构吗,电路小白求分析,谢谢了
还有 我仿真的温度系数有80多,在-45-125范围电压改变达20mV,调节了两个电阻的阻值效果不明显,有什么办法降低温度系数吗
第一列是 启动+偏置
2 3 4 列是 折叠式运放
仿真,你先确定,仿真结果最坏的情况时候,每个管子工作状态是否正确
谢谢回复。我刚才看了一下,所有管子都工作在饱和区,三极管工作在放大区。这是仿真图
第一列是偏置电路,第二列,第三列是folded cascode的输出级。第三第四列是folded cascode的输入级。只是你的输入级和输出级的tail 画在了同一列上面。如果你的电压随温度变化大说明你的三极管的ratio与电阻的ratio没有设计好。此外这个电路没有启动电路,因为它使用的是自偏执。如果觉得回复的还有些道理请关注我的公共账号
谢谢回复,讲得很清楚,学习了
增益做得不够
申明:网友回复良莠不齐,仅供参考。如需专业解答,请学习本站推出的微波射频专业培训课程。

