- 易迪拓培训,专注于微波、射频、天线设计工程师的培养
实现了前端的高度集成的先进的3G多频段收发器
Othello-3系列的3G收发器采用了大胆的处理架构,在这种架构中扫清了与前端集成相关的各种障碍。其中最大的障碍就是需要外接滤波器,因为滤波器限定了某工作频段的输入和输出频率范围。在W-CDMA这样的全双工系统中,发射机和接收机同时工作,故在天线那里始终需要一个双工滤波器,其目的是防止大功率的发射信号降低高灵敏度接收机的性能。但是由于电路的限制,对于前端设计来说,通常需要在各个发射和接收通道上设计额外的分离器件滤波器,如图3所示。
发射机架构
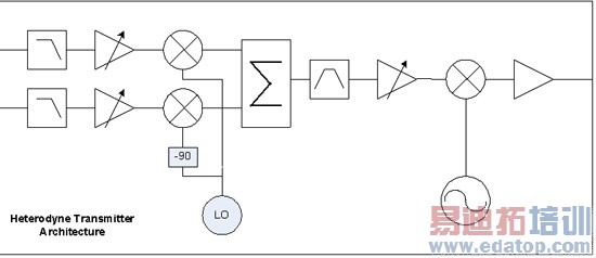
一个常见的超外差发射机架构如图4所示。

图4:超外差发射机架构。
滤波后的I/Q基带输入信号与正交的本振信号(LO)混频,然后产生一个恒定的中频(IF)信号,该中频频率通常位于兆赫级的低到中段。由于这是一个混合信号,故需要对其进行滤波,去除寄生信号,本振信号以及谐波信号。再通过与一个可变频率振荡器进行二次混频,形成最终的所需信道所要求的RF输出信号。增益控制被分配在不同部分。不过要想滤除无用的频率,并确保满足接收机频段所需的噪声和谐波指标,使用一个外部的SAW滤波器能够极大地缓解集成Tx通道的设计需求。经过滤波的带限单端输出信号被送到PA和双工器,从而完成了前端发射链。
Othello-3系列的3G收发器采用的是直接变频或“零外差”发射机架构,在这种架构中,正交的基带信号被直接上变频到RF载波。这就省去了二次混频,并省去了相关的RF寄生和各种无用频率的滤波电路,使得去掉外部的滤波器变为可能。不过,由于没有Tx滤波器衰减,需要考虑其它方面的事情,主要是如前所述的接收机频段的噪声电平。
为了解决这一问题,Othello-3系列产品包括了一个特色的调制器核设计,该设计中省去了LO通道的噪声源,而传统上该噪声源是远离载波(例如接收机频段)的各频率上的主要调制噪声。Othello-3的86dB的增益控制也被肢解集成到调制器核内,从而省去了信号通道上的额外电路,从而减小了相关的噪声贡献。低噪声设计技术贯穿整个发射机设计的各个部分,因而无需额外的滤波就可以直接满足带外噪声要求。这确保了在所有工作条件下性能最佳。校准全部是自校准而无需用户输入。调制器电路普遍来说与所有IC设计一样,都采用全差分信号处理,然而,Othello-3还带有一个巴伦,单端输出阻抗为50欧,可以直接送往PA模块,而不需要外部的匹配原件。
Othello-3发射通道还提供了优异的误差矢量幅度(EVM)和相邻信道泄漏比(ACLR)性能。省去了发射通道上的外部SAW滤波器大大减少了材料成本和PCB面积,并为多频段PA集成铺平了道路,正如GSM市场上所见的那样,一片PA封装内可以包括所有四个频段。
直接变频接收机
用在所有Othello收发器上的直接变频接收机架构,是一种优异的和经验证的收发器架构,其原因是其高集成度。在GSM接收机中,整个接收信号链都可以被集成。对于发射机信号泄漏到接收机是个问题的3G系统来说,以前需要采用级间滤波器,如图3所示。这就减小了关键的混频级以前的发射信号泄漏。在低噪声放大器(LNA)之后设置一个SAW滤波器,要确保滤波器损耗不能影响接收机灵敏度,不过这确是集成的一个障碍。
Othello-3包含三个LNA模块,两个适用于高频段,一个用于低频段。每个LNA有一个单端输入,可以容易地与各自的双工滤波器匹配。每个LNA包括一个最佳带通响应,以减小带外信号的电平以及发射机信号到混频级的泄露。Othello-3还采用了高线性度混频器设计,从而不需要外部级间滤波器,如图5所示。接收机增益控制被最佳分配到RF信号链和基带处理的各级上。为了方便增益的可编程和校准,Othello-3包括集成在内部的增益分配逻辑。基带只需要往芯片中写入一个单增益字,就可以自动实现最大动态范围条件下的最佳增益分配。

图5:去掉了外部滤波器的AD6551前端架构。
上面所述的例子说明了3G RF器件的集成,而供应商还在试制天线开关模块,其中包含所有的前端模式和带有GSM Rx SAW滤波器组的集成波段开关。
ADI Othello-3收发器目前由AD6551组成,最适用于WCDMA 3G手机,而AD6552适用于3G TD-SCDMA模式。这两款器件都可用于3GPP版本5以及HSDPA工作模式。
本文小结
目前的单模式2G手机,只利用3个主要的芯片封装,就可以实现整个四频段射频方案。该方案具有最小的空间并且具有所需的设计功能。初期的3G手机被限制到单频段模式,依赖于外部滤波器来满足指标,但这种架构对于多频段手机设计方案来讲,无论是尺寸还是成本上都不是最佳的选择。Othello-3省去了外部滤波器,从而使得在目前的3G收发器设计中能够实现前端器件和PA的进一步集成。随着集成技术和开关设计方面的进展,越来越多的前端器件可以逐步被集成,但利用Othello-3这样的收发器,可以实现全部优化的多模架构。
作者:Mike Durrant
RF应用工程师
ADI公司

