- 易迪拓培训,专注于微波、射频、天线设计工程师的培养
关于无线射频识别技术在智能交通管理中的应用探讨
录入:edatop.com 点击:
无线射频识别技术(Radio Frequency Identificati,RFID)是一种非接触式自动识别技术,它通过射频信号自动识别目标对象并获取数据信息,识别无须人工干预,可工作于各种恶劣环境,并可同时识别多个目标对象,操作快捷方便。RFID系统由电子标签(Tag)、阅读器(Reader)、天线(Antenna)三大部分组成。RFID技术具有防水、防磁、耐高温、使用寿命长、读取距离远、标签上数据可以加密、存储数据容量大等优点,其应用将为智能交通管理带来革命性变化。目前,发达国家在智能交通方面已开始推广应用RFID技术。随着该技术的日趋成熟,开始逐步在国内门禁管制、仓储物流管理、航空行李分拣和智能交通管理自动收费等领域得到了一定的应用。然而,对于智能交通管理上的应用还只是凤毛麟角,只有几家RFID业内公司提出了各自的公路/车辆RFID管理系统方案,通过对车辆进行非接触式信息采集处理,从而自动识别和自动管理车辆活动,例如不停车收费系统等。
本文论述的RFID智能交通管理系统是基于对每辆合法注册的机动车辆加装RFID电子标签(如将电子标签固封在车辆号牌中),为这些车辆配发一张固定且唯一的“电子行驶证” ,再通过特定的阅读器识别道路上行驶的各种车辆信息,实现对机动车辆、交通流量和可疑车辆等方面实时监控管理的目的。同时可将该系统与银行结算、路费征稽、高速公路或各种停车场收费系统结合起来,可实现电子钱包结算,不停车收费,从而提高道路通行能力,保证交通安全。
一、基于RFID技术的智能交通管理系统需求分析
随着中国经济的不断发展,人民生活水平日益提高,各种各样的机动车辆成为了人们生活和工作不可或缺的重要交通工具。然而,随着道路上交通流的不断增加,交通状况日趋繁杂,交通违章、交通事故和交通阻塞等现象的频频发生,不但给人们的出行带来种种不便,同时也给道路交通安全管理带来了诸多困扰。如何建立一套行之有效的交通管理系统,已成为今天交通管理者最关心的课题。智能交通管理系统是一个复杂的综合性系统,单独从道路或车辆的角度来考虑,很难解决交通问题,必须把车辆和道路综合起来全盘考虑。在这样的需求背景下,借鉴美国等西方发达国家的经验,引进了RFID技术,并与信息技术、电子通讯技术、自动控制技术、计算机技术以及网络技术等有机的结合,可以实时、准确、高效的监管交通情况,及时发布交通诱导信息,疏导交通,以达到强化交通指挥,有效提高道路使用率的目的。
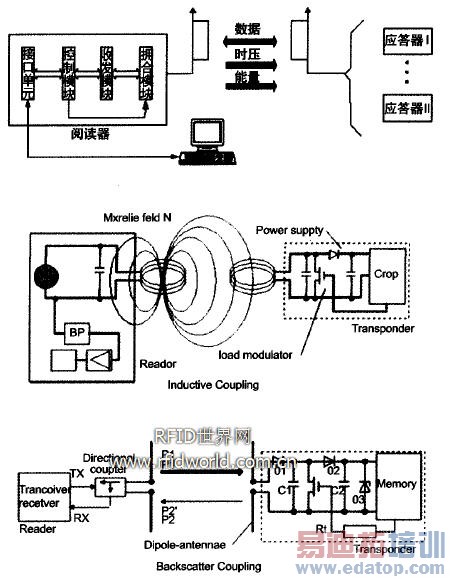
二、RFID智能交通管理系统工作原理及框架
RFID智能交通管理系统的工作原理很简单,在系统工作过程中,阅读器(Reader)首先通过天线发送加密数据载波信号到机动车上固化的电子标签(TAG)也就是所谓的应答器(Transponder),应答器的工作电路被激活,之后再将载有车辆信息的加密载波信号发射出去,此时阅读器便依序接收解读数据,送给应用程序做相应的处理,完成预设的系统功能和自动识别,实现车辆的自动化管理。阅读器和应答器的工作原理和过程参见右图。
在RFID智能交通管理系统中,对每辆合法注册的机动车辆加装RFID电子标签,标签可安装在汽车内部的仪表盘或固封在车辆号牌中。阅读器的安装可在主干道上每1至5公里设置一组(天线设置于门架、阅读器设置于路侧),或直接安装在各个高速公路收费车道内及交通流量大的路口,当车辆通过时,阅读器经天线读得通过车辆的ID及经过时间值等,然后通过光纤、移动GSM网的GPRS方式或短信通信方式传输到信息中心。由后端计算机收集及统计相关车辆和车流动态信息,经数据分析处理后,可作为交通疏导决策的依据,并实时调整该路段信号灯或可变标志,对外发布相关交通信息。另外,在各路段阅读器收集到的交通流信息,除用于提供实时路况信息外,还作为历史数据保存于数据库内,以便日后作为交通道路规划的依据。
三、RFID智能交通管理系统功能设计
1、在机动车辆证照管理业务上的应用
到目前为止,国内道路交通管理上应用最为广泛的还是电子摄像监管技术,也就是大家都熟识的“电子眼”。它可为道路交通管理提供可视图像和大量交通管理实时信息。缺点是容易受地形、建筑物、大型车辆及其他障碍物遮挡;受天气(如雨雾等)能见度和夜间照度等因素影响,可靠度相对较低。据相关调查,社会上部分驾驶员为了躲避“电子眼”的监管,故意遮挡、污损、涂抹机动车辆号牌,甚至出现了“克隆车”等严重违章、违法的行为,严重干扰了道路交通秩序,危害了人民群众的生命安全。
RFID技术的应用正好解决了这一难题,以下是两个成功的案例。
IT时报 2008年l2月4日报道:今年l0月底,广州东莞首批安装了“电子身份证”的150辆出租车正式投入运营。CS.Phonto1.com要辨别眼前驶过来的那辆出租车是否“黑车” ,交通稽查人员只要设置好路障,等车辆减速通过时手持读卡器“叮”地一声扫描,车辆的“底细”就能摸得一清二楚。如果手持读卡器上显示不出资料,稽查人员就可截停该车进行检查,以判断是电子标签坏了还是“克隆车”。另外,由于“电子身份证” 中记录了车辆的车号、营运公司、车型等资料,相关部门可以实时监控营运车辆是否按规定线路、站点行驶。“四川在线” 网站在2008年12月12日报道:成都市区每辆合法的出租车在尾部都会安装有一个“电子密标” ,这张“身份证”里包含了车牌号、所属公司、颜色、有无违章记录等唯一的车辆信息,执法人员只需用专用检查设备对着车尾一扫,或装有雷达的移动检查车靠近行驶,没有显示信息或显示错误信息的克隆车便会立即现出原形。可见,RFID技术的应用,使车辆证照的稽核工作变得十分安全、简便,从而大大提高了执法效率。
目前,常用的道路车流检测一般为线圈车辆检测器和视频车辆检测器。线圈地下埋置技术的优点是技术成熟,易于掌握,计数精确度较高;缺点是安装过程对可靠性和寿命影响较大,维护或安装时会中断交通并且会影响路面寿命,易被重型车辆、路面修理等损坏。视频车检技术是最近发展起来的一种车流检测技术,在进行路面维修时一般不影响它的使用,但车流的检测精度,以及其较高的故障率,限制了其大规模的推广应用。
3、在交通意外救援和特殊车辆监控卜的应用
通过在在主干道上、各高速公路出入口及交叉路口,设立RFID信息采集点,当车辆通过时,阅读器得到通过车辆的ID及经过时间,形成记录,这样便可以准确知道车辆的行驶路线,及大概位置。一旦车辆发生突发意外,需紧急救援,而又不能描述具体事发地点时,交通管理部门可迅速根据事主提供的车牌及事发时间等线索,搜索该时段内发生意外车辆的相关行驶信息,确定大致事发地点,以方便救援队伍及时赶赴现场实施救援,减少意外造成的生命和财产损失。
另外,根据各RFID信息采集点收集上来的车辆通过信息,大大方便了交通事故逃逸车辆的排查和跟踪工作,同时,也为其他需跟踪或“关注”的可疑或“特殊”车辆的监控工作提供了便利。
4、RFID在不停车收费中的应用
RFID在路费征稽、高速公路或各种停车场收费中的应用体现为不停车收费。利用RFID技术,通过与银行帐户的捆绑,可实现电子钱包结算,不停车收费,这样可以最大限度地缓解收费站、停车场出口等因收费效率低而引起的交通堵塞,提高收费车道的通行能力,减少车辆在收费口等待时不必要的燃油消耗,降低收费口的噪声水平和废气排放,减轻车辆对环境的污染程度,达到节约能源、保护环境的目的。高速公路不停车收费系统是RFID技术最成功的应用之一。将阅读器天线架设在距收费口约50-100米的道路上方。当车辆经过天线时,车上的电子标签被头顶上天线唤醒,发射出车辆ID信息,如发卡商(发卡银行)编号、车牌号、车类参数、电子标签号等标识信息,阅读器接受到信息后,传送至车道控制器(后台计算机),对进入收费车道的车辆进行电子标签的合法性校验,分析出车辆的相关信息,并进行通行费用计算和自动扣费,最后用指示灯及蜂鸣器告诉司机收费是否完成,不用停车就可通过。1996年、佛山市政府安装了RFID系统用于自动收取路桥费以提高车辆通过率,缓解公路瓶颈。车辆可以在250公里的时速下用少于0.5毫秒的时间被识别, 并且正确率达99.95%。
四、结束语
与传统的交通监管数据采集方式相比较,RFID智能交通监管技术具有及时、准确的信息识别和采集优势。同时具有系统建设投资价格低廉,设备维护简便的优点,实时交通信息采集市场发展空间巨大,资深分析师DanBenjamin表示,交通数据收集系统市场非常可能被无线射频技术所取代。相信随着RFID技术的日渐成熟和日趋完善,RFID智能交通管理系统可以给全球的生命健康与安全提供交通安全保障。
本文论述的RFID智能交通管理系统是基于对每辆合法注册的机动车辆加装RFID电子标签(如将电子标签固封在车辆号牌中),为这些车辆配发一张固定且唯一的“电子行驶证” ,再通过特定的阅读器识别道路上行驶的各种车辆信息,实现对机动车辆、交通流量和可疑车辆等方面实时监控管理的目的。同时可将该系统与银行结算、路费征稽、高速公路或各种停车场收费系统结合起来,可实现电子钱包结算,不停车收费,从而提高道路通行能力,保证交通安全。
一、基于RFID技术的智能交通管理系统需求分析
随着中国经济的不断发展,人民生活水平日益提高,各种各样的机动车辆成为了人们生活和工作不可或缺的重要交通工具。然而,随着道路上交通流的不断增加,交通状况日趋繁杂,交通违章、交通事故和交通阻塞等现象的频频发生,不但给人们的出行带来种种不便,同时也给道路交通安全管理带来了诸多困扰。如何建立一套行之有效的交通管理系统,已成为今天交通管理者最关心的课题。智能交通管理系统是一个复杂的综合性系统,单独从道路或车辆的角度来考虑,很难解决交通问题,必须把车辆和道路综合起来全盘考虑。在这样的需求背景下,借鉴美国等西方发达国家的经验,引进了RFID技术,并与信息技术、电子通讯技术、自动控制技术、计算机技术以及网络技术等有机的结合,可以实时、准确、高效的监管交通情况,及时发布交通诱导信息,疏导交通,以达到强化交通指挥,有效提高道路使用率的目的。
二、RFID智能交通管理系统工作原理及框架
RFID智能交通管理系统的工作原理很简单,在系统工作过程中,阅读器(Reader)首先通过天线发送加密数据载波信号到机动车上固化的电子标签(TAG)也就是所谓的应答器(Transponder),应答器的工作电路被激活,之后再将载有车辆信息的加密载波信号发射出去,此时阅读器便依序接收解读数据,送给应用程序做相应的处理,完成预设的系统功能和自动识别,实现车辆的自动化管理。阅读器和应答器的工作原理和过程参见右图。
在RFID智能交通管理系统中,对每辆合法注册的机动车辆加装RFID电子标签,标签可安装在汽车内部的仪表盘或固封在车辆号牌中。阅读器的安装可在主干道上每1至5公里设置一组(天线设置于门架、阅读器设置于路侧),或直接安装在各个高速公路收费车道内及交通流量大的路口,当车辆通过时,阅读器经天线读得通过车辆的ID及经过时间值等,然后通过光纤、移动GSM网的GPRS方式或短信通信方式传输到信息中心。由后端计算机收集及统计相关车辆和车流动态信息,经数据分析处理后,可作为交通疏导决策的依据,并实时调整该路段信号灯或可变标志,对外发布相关交通信息。另外,在各路段阅读器收集到的交通流信息,除用于提供实时路况信息外,还作为历史数据保存于数据库内,以便日后作为交通道路规划的依据。
三、RFID智能交通管理系统功能设计
1、在机动车辆证照管理业务上的应用
到目前为止,国内道路交通管理上应用最为广泛的还是电子摄像监管技术,也就是大家都熟识的“电子眼”。它可为道路交通管理提供可视图像和大量交通管理实时信息。缺点是容易受地形、建筑物、大型车辆及其他障碍物遮挡;受天气(如雨雾等)能见度和夜间照度等因素影响,可靠度相对较低。据相关调查,社会上部分驾驶员为了躲避“电子眼”的监管,故意遮挡、污损、涂抹机动车辆号牌,甚至出现了“克隆车”等严重违章、违法的行为,严重干扰了道路交通秩序,危害了人民群众的生命安全。
RFID技术的应用正好解决了这一难题,以下是两个成功的案例。
IT时报 2008年l2月4日报道:今年l0月底,广州东莞首批安装了“电子身份证”的150辆出租车正式投入运营。CS.Phonto1.com要辨别眼前驶过来的那辆出租车是否“黑车” ,交通稽查人员只要设置好路障,等车辆减速通过时手持读卡器“叮”地一声扫描,车辆的“底细”就能摸得一清二楚。如果手持读卡器上显示不出资料,稽查人员就可截停该车进行检查,以判断是电子标签坏了还是“克隆车”。另外,由于“电子身份证” 中记录了车辆的车号、营运公司、车型等资料,相关部门可以实时监控营运车辆是否按规定线路、站点行驶。“四川在线” 网站在2008年12月12日报道:成都市区每辆合法的出租车在尾部都会安装有一个“电子密标” ,这张“身份证”里包含了车牌号、所属公司、颜色、有无违章记录等唯一的车辆信息,执法人员只需用专用检查设备对着车尾一扫,或装有雷达的移动检查车靠近行驶,没有显示信息或显示错误信息的克隆车便会立即现出原形。可见,RFID技术的应用,使车辆证照的稽核工作变得十分安全、简便,从而大大提高了执法效率。

目前,常用的道路车流检测一般为线圈车辆检测器和视频车辆检测器。线圈地下埋置技术的优点是技术成熟,易于掌握,计数精确度较高;缺点是安装过程对可靠性和寿命影响较大,维护或安装时会中断交通并且会影响路面寿命,易被重型车辆、路面修理等损坏。视频车检技术是最近发展起来的一种车流检测技术,在进行路面维修时一般不影响它的使用,但车流的检测精度,以及其较高的故障率,限制了其大规模的推广应用。

3、在交通意外救援和特殊车辆监控卜的应用
通过在在主干道上、各高速公路出入口及交叉路口,设立RFID信息采集点,当车辆通过时,阅读器得到通过车辆的ID及经过时间,形成记录,这样便可以准确知道车辆的行驶路线,及大概位置。一旦车辆发生突发意外,需紧急救援,而又不能描述具体事发地点时,交通管理部门可迅速根据事主提供的车牌及事发时间等线索,搜索该时段内发生意外车辆的相关行驶信息,确定大致事发地点,以方便救援队伍及时赶赴现场实施救援,减少意外造成的生命和财产损失。
另外,根据各RFID信息采集点收集上来的车辆通过信息,大大方便了交通事故逃逸车辆的排查和跟踪工作,同时,也为其他需跟踪或“关注”的可疑或“特殊”车辆的监控工作提供了便利。
4、RFID在不停车收费中的应用
RFID在路费征稽、高速公路或各种停车场收费中的应用体现为不停车收费。利用RFID技术,通过与银行帐户的捆绑,可实现电子钱包结算,不停车收费,这样可以最大限度地缓解收费站、停车场出口等因收费效率低而引起的交通堵塞,提高收费车道的通行能力,减少车辆在收费口等待时不必要的燃油消耗,降低收费口的噪声水平和废气排放,减轻车辆对环境的污染程度,达到节约能源、保护环境的目的。高速公路不停车收费系统是RFID技术最成功的应用之一。将阅读器天线架设在距收费口约50-100米的道路上方。当车辆经过天线时,车上的电子标签被头顶上天线唤醒,发射出车辆ID信息,如发卡商(发卡银行)编号、车牌号、车类参数、电子标签号等标识信息,阅读器接受到信息后,传送至车道控制器(后台计算机),对进入收费车道的车辆进行电子标签的合法性校验,分析出车辆的相关信息,并进行通行费用计算和自动扣费,最后用指示灯及蜂鸣器告诉司机收费是否完成,不用停车就可通过。1996年、佛山市政府安装了RFID系统用于自动收取路桥费以提高车辆通过率,缓解公路瓶颈。车辆可以在250公里的时速下用少于0.5毫秒的时间被识别, 并且正确率达99.95%。
四、结束语
与传统的交通监管数据采集方式相比较,RFID智能交通监管技术具有及时、准确的信息识别和采集优势。同时具有系统建设投资价格低廉,设备维护简便的优点,实时交通信息采集市场发展空间巨大,资深分析师DanBenjamin表示,交通数据收集系统市场非常可能被无线射频技术所取代。相信随着RFID技术的日渐成熟和日趋完善,RFID智能交通管理系统可以给全球的生命健康与安全提供交通安全保障。
13.56MHz NFC天线,13.56MHz RFID天线设计培训课程套装,让天线设计不再难
上一篇:条形码的未来
下一篇:RFID读写器发送电路原理设计


