- 易迪拓培训,专注于微波、射频、天线设计工程师的培养
基于bq24161+TPS2419 双电池供电方案的设计分析
摘要
随着便携式终端产品处理能力的不断提升以及功能的不断丰富,终端产品的功耗也越来越大,因此待机时间就成为产品的关键性能指标之一。由于便携式终端设备受到体积的限制,不能简单地通过不断增加单节锂电池容量来延长待机时间,因此主电池+备电池的双电池供电方案不啻成为延长待机时间的优选方案。本文介绍了基于充电管理芯片bq24161 以及ORing 控制芯片TPS2419 的双电池供电方案的设计,文中分析了双电池供电方案的设计要求,给出了设计框图以及原理图,在此基础上分析了充电管理电路、ORing 电路的具体设计方法,并且详细分析了各部分电路的工作原理。基于所设计的电路,对其供电可靠性等性能指标进行了测试。测试内容包括在静态负载电流以及动态负载电流条件下,备电插入、拔出过程中对系统供电可靠性的测试。测试结果表明:该方案能够在备电插入、拔出过程中保证系统供电的可靠性,并且能够对充电管理电路进行灵活管理,是一个适合于多种终端设备的双电池供电解决方案。
概述
当今智能手机、便携式路由器等便携式终端产品正朝着体积更小、厚度更薄以及重量更轻的趋势发展。但是随着便携式终端产品处理能力的不断提升以及功能的不断丰富,其功耗却越来越大。在电池技术没有得到突破之前,主电池+备电池的双电池解决方案就成为延长待机时间较好的方案。主电池设计在机壳内部,处于常在的状态,备电设计在机壳外部,可以随意拔插。基于主电池+备电池的结构特点,双电供电方案的设计要求主要包括以下两个方面:
1) 备电池在拔插过程中要保证系统供电的可靠性;
2) 备电池通路与主电池通路之间不会相互影响;
3) 对主电池以及备电池可以进行灵活的充电管理。
图1 给出了基于bq24161+TPS2419 的双电池供电方案的设计框图。主电池与备电池的充电管理分别由两片充电管理芯片bq24161 进行单独控制。bq24161 是高集成度的带有动态路径管理功能(DPPM)的单节锂电池充电管理芯片。主处理器与 bq24161 通过 总线进行通信,实现对主电池以及备电池的充电管理,其中包括对充电电流、充电电压、状态监测与控制等功能的灵活控制。TPS2419 是适用于N+1 供电系统的ORing 电路控制器,它与低导通电阻N 沟道MOSFET 配合使用, 在获得MOSFET 高效性能的同时,也提供了ORing 二极管反向电流保护功能。TPS2419 通过对电源电压以及系统电压的检测来打开或者关断对应通路MOSFET。一方面TPS2419 及时打开MOSFET 可以保证电源对系统供电的及时性和可靠性,另外一方面TPS2419迅速关断MOSFET 可以防止及减小系统电压到输入端电源的反灌电流。ORing 电路冗余设计的特性保证了主电池与备电池电源通路互为备用的同时,也保证了备电插拔过程中系统电压的安全性及可靠性。

图 1 基于bq24161+TPS2419 的双电池供电方案框图
电路设计方法分析
电路设计原理图

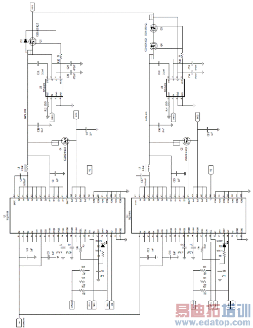
图2 基于bq24161+TPS2419 的双电池供电方案原理图
电路原理图中U1、U2 是充电管理芯片bq24161,分别实现对主电池以及备电池的充电管理功能。U3、U4 是ORing 控制器TPS2419,实现主电池电源通路与备电池电源通路互为备用的双电源供电结构。
充电管理芯片bq24161 具有适配器检测的功能,可以检测到适配器的插入或者拔出。当插入电源适配器或者USB 充电线后,bq24161 会有相应的标志寄存器置位,由于默认配置下IN 输入通道相对于USB 输入通道享有更高的优先级,因此电流会从IN 输入通道提供。Host 可以通过I2C 接口读取U1、U2 充电管理芯片内部寄存器的信息,并且通过I2C 接口实现对主电、备电充电管理的灵活控制。在使能充电之前需要配置的参数包括充电电压、充电电流、充电终止电流、输入限流、VIN-DPM的门槛值等。
Host 主机根据具体的需求控制U1、U2 充电使能或终止,可以同时使能主电、备电的充电,也可以控制主电、备电的充电优先级。当同时使能主电、备电的充电,如果适配器的输入电流能力能够同时满足主电、备电充电的需求,那么U1、U2 可以按照配置的充电电流给主电、备电同时充电。如果电源适配器的电流不能同时满足充电的需求,bq24161 的VIN-DPM功能就会被激活,会自动减小输入限流点以保证输入电压稳定在所设置的VIN-DPM的门槛电压,内部寄存器DPM_STATUS 位也会置位,此时主、备电的充电电流都不能达到设定的值,此时Host 主机可以控制主电、备电的优先级,比如关断备电充电让主电先充电,主电充电完成后备电再开始充电。
U3、U4 是ORing 控制器TPS2419,实现主电与备电互为备用的双电源供电结构。当备电作为系统供电电源时,在备电突然拔出的条件下,U3 能够迅速打开主电通路以保证系统电压的可靠性。当电压较高的备电突然插入时,U4 会打开备电源通路,由备电提供系统供电。
充电管理电路设计
bq24161 是高度集成的开关型高效率单节锂离子电池充电管理芯片,支持IN 和USB 双通道输入,最大充电电流可以达到2.5A。bq24161 具有基于输入电压的动态功率管理功能(Vin-DPM)和动态功率路径管理功能(DPPM)。 其中VIN-DPM功能可以在充电器无法完全提供系统及充电电流能力的情况下,自动调整减小输入电流门限值,使输入端口电压维持在一定的门槛值,防止适配器(或USB 电源)当机,另外Vin-DPM 的门槛值可以灵活地进行编程设置。因此,bq24161 可与具有不同电流能力的适配器(USB 电源)配合使用。在DPPM 功能中,若SYS 电压由于负载原因跌落到最小系统电压(VMINSYS),bq24161 会自动减小充电电流,以满足系统的供电需求。如果充电电流减小停止充电后都满足不了系统的供电需求,bq24161 会立即进入补电模式,即电池向系统放电来满足系统负载的需求,从而保证系统电压的可靠性以及系统正常工作。因此,bq24161 能够在保证系统供电可靠性的条件下,实现对电池的灵活充电管理,并且能够在电池过放或者电池不在位的条件下保证系统的正常供电。
充电管理电路部分的线路设计主要包括U1 和U2。U1 实现对主电池的充电管理,U2 实现对备电池的充电管理,两者充电管理部分设计参数基本相同,因此这里只对主电池管理电路即U1电路部分进行讨论。
当前市场上的终端产品大多对外只设一个接口兼容USB 和适配器电源输入。 因此本文设计中IN 和USB 输入端口是连接在一起的,主处理器可以通过内部寄存器来设置两个电源输入通道的优先级来分别满足适配器充电以及USB 充电的需求。由于bq24161 工作模式为开关型, 因此需要在IN 端口以及USB 端口分别就近连接1uF 的输入电容到地作旁路滤波作用。
对于功率电感的设计,bq24161 推荐的功率电感的选择范围为1.5uH~2.2uH,为了尽量地减小纹波电流、提高效率,本设计选取2.2uH 的电感,其峰值电流计算如下:
(1)
取VINMAX =10V ,VOUT = 4.2V , ILOAD(MAX ) = 2.5A计算峰值电流 IPEAK = 2.87A,因此选择TDK LTF5022T-2R2N3R2 电感,其直流电流可以达到3.2A。
bq24161采用的是内部补偿方式,为了保证其工作稳定性,要求输出电容在10uF~200uF之间,本设计中选取10uF的陶瓷电容作为输出电容。为了尽量减小开关过程中高频电流环路的面积,需要在PMIDI以及PMIDU引脚分别放置4.7uF的陶瓷电容。另外SYS引脚以及BAT引脚对地也需要放置1uF的陶瓷电容。另外如果设计场合对动态响应有要求,那么建议在SYS端对地增加容值至少为47uF的旁路电容,以提高充电管理电路动态性能。
主处理器通过 总线与bq24161 之间进行通信,实现对相关控制寄存器及状态寄存器的配置和读取。STAT 引脚是一个开漏极输出口,可以用来对bq24161 的工作状态进行显示,设计中可以用来驱动LED 灯来显示不同的工作状态,或者可以连接到主处理器的GPIO 口以供主处理器直接读取。INT 引脚也是一个开漏极输出口,可以与主处理器的外部触发中断相连,当报警发生时可以触发主处理器的中断,主处理器可以及时进行相应的报警处理。另外CD 引脚是硬件关断控制,当为“高”时bq24161 会设置在高阻抗模式下,主处理器可以根据需要对CD 引脚进行灵活控制。
BGATE 引脚是用来提供PMOSFET Q1 的驱动信号,Q1 是可选择性设计,主要目的是为了在电池放电条件下优化放电通路的性能。Q1 与bq24161 内部的放电MOSFET 并联使用,并联后的导通阻抗更小,这样就可以减小放电MOSFET 上的损耗,从而提高效率,延长产品的续航时间。
本设计中,备电的充电管理电路硬件设计与主电相同,因此可以参考主电的设计方法进行设计。
ORing 电路设计
ORing 电路是通过两片TPS2419 来实现的,TPS2419 是适用于N+1 供电系统的ORing 电路控制器,其精确的电压检测和可编程的关断门限可以充分保证系统供电的灵活性和可靠性。其中A、C 引脚为电压检测输入引脚,分别连接N-MOSFET 的源极和漏极,当母线电压VC 低于供电电压VA,并且满足V(A-C)>65mV 时,TPS2419 会迅速打开外部的N-MOSFET 管。当母线电压VC接近或者大于VA 供电电压时,TPS2419 会迅速关断外部的N-MOSFET,切断母线电压 VC 与供电电压VA 的通路。TPS2419 的关断门槛电压差V(A-C)可以由RSET 引脚电阻设置,默认典型值为3mV(RSET 悬空)。
下面在备电突然插入或者拔出的情况下,针对不同的条件对TPS2419ORing 电路的工作原理进行分析,图3 是备电插入、拔出系统供电流程图。

图3 备电插入、拔出系统供电流程图
当主电池给系统供电时,插入备电,如果备电电压满足VBAT2_SYS-VSYS>65mV, 那么备电的TPS2419 会打开外部的MOSFET,备电给系统供电,VSYS=VBAT2_SYS-Vdrop2,其中Vdrop2 是MOSFET 上的导通压降。对于主电的通路来说,如果此时VBAT1_SYS-VSYS 满足关断条件,那么主电池通路的MOSFET 会关断,由备电给系统供电,关断过程中VSYS 电压保持稳定,能够保证系统供电的可靠性。如果VBAT1_SYS-VSYS 不满足关断条件,那么主电的通路的MOSFET 仍然导通,此时主电备电的同时给系统供电。
当主电池给系统供电时,拔出备电,因为此时备电通路MOSFET 没有打开,拔出备电对VSYS 没有任何影响,VSYS 仍然由主电来提供。
当备电给系统供电时,拔出备电。在拔出备电的过程中VSYS 电压会有下降的趋势,当VSYS 电压跌落到主电通路VBAT1_SYS-VSYS>65mV 的导通门槛时,主电回路的TPS2419会迅速打开MOSFET,VSYS 电流由主电池来提供,由于TPS2419 能够迅速打开,因此在整个切换过程中能够保证VSYS 供电的可靠性。
综合以上几种条件下分析,表明本文中TPS2419 设计实现的ORing 电路在备电突然插入或者拔出的情况下,能够完全保证系统供电的可靠性。
下面先来分析讨论一下主电通路TPS2419 电路的设计,如图3 所示。

图4 主电池通路ORing 电路设计
TPS2419 的A、C 引脚电压检测输入引脚,用来检测外部MOSFET 上的压降,分别连接MOSFET 的源极和漏极,分别连接470nF 的去耦电容。对于MOSFET 的选择要考虑电压等级、Rdson、尺寸、驱动电压等级以及成本等因素。本设计中采用CSD16412Q5A 型N-MOSFET,其VDS 电压等级为25V,RDS(on) 只有13mΩ 。为了最大程度减小对TPS2419 内部电源的干扰,BYP 引脚需要连接一个2.2nF 的去耦电容。GATE 引脚提供外部MOSFET 的栅极驱动信号,其强健的驱动能力可以使得TPS2419 在100-200ns 的时间里迅速的关断外部MOSFET,为了防止过快的电流变化对电路的影响,需要GATE 引脚与MOSFET 的栅极之间串联一个10 Ω ~200 Ω的电阻,本设计中选取30 Ω 电阻R13。RSET 引脚是用力设置MOSFET 的关断门槛,如下式:
(2)
负的关断门槛可以防止由于总线上噪声引起的误关断动作,但也会造成大的反向电流;正的关断门槛可以防止或减小反向电流,但是对噪声的敏感度高, 易在轻载时不断关断、重起。由于本设计是针对电池的应用,输入电源噪声很小,另外负载电流不太大,为了尽量防止反向电流引起的电池之间互充,可以设置关断门槛为0mV,因此取。
EN 引脚为TPS2419 的使能控制,为了最大限度的减小系统待机时候的静态电流,当系统处于待机条件下OREN1 信号拉低,TPS2419 处于不使能状态,静态电流可以维持在最小,此时系统的供电经过肖特基二极管D2 来提供。

图4 是备电通路TPS2419 电路的设计
图5 备电池通路ORing 电路设计
备电池通路与主电池通路TPS2419 电路设计基本相同,只是MOSFET 管的设计稍有区别。对于相同部分的电流这里不再赘述,只对MOSFET 部分进行分析讨论。如果在应用中需要关断备电池的放电,如果选用单MOSFET 的设计,当OREN2 设置TPS2419 处于不使能状态时,如果备电池电压高于VSYS 时,电流就会从外部MOSFET 的体二极管流向VSYS,从而不能断开备电的放电,因此这里需要采用对管的结构,这样就可以完全切断备电放电的通路。
实验结果分析
测试电路在静态负载以及动态负载不同负载条件下,系统供电电压VSYS 的稳定性以及VBAT1_SYS 与VBAT2_SYS 之间是否相互影响:
电不在位,主电提供系统电压VSYS,VBAT1_SYS>VBAT2_SYS 条件下插入备电。过程中不存在主电、备电切换供电过程,测试VSYS 电压的稳定性以及备电对主电通路的影响;
备电不在位,主电提供系统电压VSYS,VBAT1_SYS
备电在位,主电提供系统电压VSYS,VBAT1_SYS>VBAT2_SYS,拔出备电。过程中不存在主电、备电切换供电过程,测试VSYS 的稳定性以及备电对主电通路的影响;
备电在位,备电提供系统电压VSYS,VBAT1_SYS
下面分为静态负载电流以及动态负载电流两种情况,在不同工作条件下测试系统电压VSYS的稳定性以及VBAT1_SYS 与VBAT2_SYS 之间是否相互影响,其中:CH1-VSYS,CH2-VBAT1_SYS,CH3-VBAT2_SYS,CH4-ISYS。
持续负载电流条件下测试
测试方法:VSYS 系统供电端上加恒定3A 静态电流负载,在主电、备电供电条件下,测试备电插入、拔出过程中VSYS 电压的稳定性和稳定性。

图6 静态负载备电插入 (VBAT1_SYS>VBAT2_SYS)

图7 静态负载备电插入 (VBAT1_SYS

图8 静态负载备电拔出( VBAT1_SYS>VBAT2_SYS)

图9 静态负载备电拔出( VBAT1_SYS
测试结果表明:在静态电流负载条件下,备电的插入、拔出能够保证系统电压VSYS 电压的稳定性以及供电的可靠性,另外备电的插入、拔出不会对主电电源产生影响。
动态负载电流条件下测试
VSYS 提供功率放大电路电源,功放工作在最大功率发射条件下,动态负载电流在0~3A 之间持续变化,高低电流的持续时间均为500us,电流变化率为1A/us。测试备电插入、拔出过程中VSYS 供电的可靠性。

图10 动态负载备电插入 (VBAT1_SYS>VBAT2_SYS)

图11 动态负载备电插入 (VBAT1_SYS

图12 动态负载备电拔出 ( VBAT1_SYS>VBAT2_SYS)

图13 动态负载备电拔出 ( VBAT1_SYS
测试结果表明:在动态电流负载条件下,备电的插入、拔出能够保证系统电压VSYS 电压的稳定性以及供电的可靠性,另外备电的插入、拔出不会对主电电源产生影响。
总结
本文主要分析了基于bq24161+TPS2419 的双电池供电方案的设计方法,并且针对不同的应用场景进行了测试分析,测试结果表明该方案能够满足双电池供电系统的要求,能够应用于智能手机、WIFI Router 等多种便携式终端产品。
参考资料
1. bq24161 Data Sheet (slusao0)
2. TPS2419 Date Sheet (slva998b)


