- 易迪拓培训,专注于微波、射频、天线设计工程师的培养
用混合信号示波器探测模拟和数字信号
你可以将示波器的参数测量工具应用于任何一种信号类型,但对数字轨迹的测量被限制为与时间相关的测量,如周期、宽度、占空比和延时。这些参数与更为常见的模拟波形参数一样可以作为趋势(按先后顺序绘制参数值)、跟踪(绘制时间上与源轨迹同步的参数值)和直方图分析工具的依据。图3显示了基于所示数字线的8个参数(P1-P8)。
数字设计的查错
下面的例子展示了可以用混合信号示波器实现的一些基本诊断方法。第一个案例中研究的电路是一个简单的D触发器,以时钟上升沿触发。数字线D0连接到触发器的数据输入端(D)。D1显示的是时钟,D2显示的是Q输出。与此同时,模拟通道C1、C3和C4分别连接到相同的点。这些波形显示在图4的左侧。Q输出(D2)的周期和宽度用参数P1和P2进行测量。示波器的时基被设为采集大约5000个时钟脉冲。

图4:使用D2周期的踪迹定位采集记录中的长周期。缩放最大周期可以方便地观察数字和模拟轨迹中的细节。
参数统计表明,周期的平均值为208ns,最大值是416ns,这意味着输出没有保持期望的周期。踪迹F1是周期测量的轨迹,显示在数字显示器下方的左上侧栅格中。这个轨迹显示了作为与源轨迹在时间上同步的函数的D2周期。光标标识了踪迹指示、并且周期值增加的点。所有轨迹都经过缩放处于最大Q输出周期的位置,缩放后的轨迹显示在显示器的右侧。
代表错误时钟触发的数据信号的长周期显示在右上栅格中的数字轨迹中。轨迹Z4中也显示了模拟轨迹C4的缩放结果。参数P3测量的是数据C1和时钟C3之间的建立时间。统计结果再次表明,最小建立时间要比标称值短20%.F2中的建立时间踪迹显示,这个缩短的建立时间是与扩展周期同步发生的。
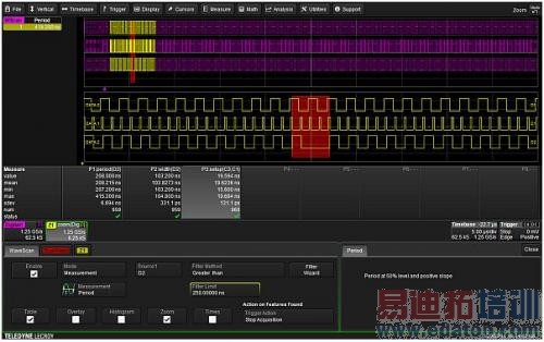
这是发现此类问题的一种方法。另外一种方法是使用被称为WaveScan的示波器内置搜索工具,如图5所示。注意,大多数混合信号示波器都具有某种形式的搜索工具。

图5:使用WaveScan并通过在D2上搜索超过标称208ns的周期测量值来寻找异常点的设置。
搜索工具可以在很长的记录中搜索,寻找边沿、不稳定边沿、超短帧、串行数据图案、并行(总线)数据图案或测量数据。在本例中,我们搜索在D3上测得的超过250ns的周期。当满足这种条件时,它会停止采集,显示数字源轨迹,并对源轨迹进行缩放。异常情况用红色高亮显示,测量到的异常值显示在相邻的表中。一旦发现问题,模拟轨迹将被打开,以便观察引起问题的物理层问题,就像我们以前做的那样。
上一篇:示波器的安全连接及浮地测量
下一篇:使用集成示波器,执行五项常见调试任务


