- 易迪拓培训,专注于微波、射频、天线设计工程师的培养
基于NI PXI Express平台的石油管复合挤毁试验机控制 与数据采集系统搭建
录入:edatop.com 点击:
四、软件实现与现场成果
软件编写中,充分利用了LabVIEW 2011 软件开发平台的并行处理特长,令以下三个循环同时运行:
(1)液压油源、高压水加压泵站、高压气加压泵站控制与多物理量数据采集循环;
(2)前面板操作响应循环;
(3)界面显示与刷新循环;
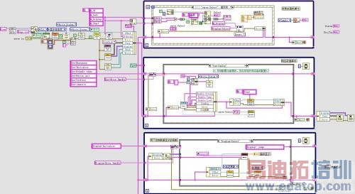
软件源代码如图3所示。

图3 LabVIEW软件源代码
其中,液压油源、高压水加压泵站、高压气加压泵站的控制程序同样并行运行,保证执行机构能够同时给试样施加轴向载荷、侧向弯曲以及内压和外压。
软件主界面如图4所示。进入软件主界面后,系统自动检测板卡状态。这部分功能利用板卡驱动编写。如果板卡状态异常则锁定界面,使后续操作无法完成,保证试验安全。

图4 软件主界面
其后开始试验参数配置。配置过程包括输入试样信息、传感器配置、载荷步骤设置(如图5)、应变与热电偶采集配置等。每完成一步配置,点击下一步,直到配置完成。这种锁定的顺序过程可以避免因某步信息未输入而默认使用上次试验配置的情况。

图5 载荷步骤设置


