- 易迪拓培训,专注于微波、射频、天线设计工程师的培养
5G WiFi新一代无线测试的挑战
设计和研发中更具挑战的是如何能产生和分析802.11ac这样更宽的信号。尤其在考虑器件测量、发射机测量和接收机测量时,常常用到80MHz 和160MHz的宽带信号。
由于许多RF信号发生器并不具有足够高的采样率,要达到最低2倍过采样的基本要求,在产生80MHz带宽信号时,由于混叠现象会在信号上产生"鬼影"。然而,采用合适的滤波器和对波形文件进行过采样这项技术,就能够产生具有良好频谱特性和EVM的80MHz的信号。使用Agilent N5182A MXG或者E4438C ESG信号发生器就能满足以上需求。
要产生160MHz的信号,则要利用一个宽带的任意波形发射器(AWG),如Agilent 81180A, M8190A, 或者M9330A,利用它们产生模拟的I/Q信号,送到一个具有外部I/Q输入端的矢量信号发生器,如Agilent MXG, ESG 或者E8267D PSG 进行上变频,然后通过RF频率发射出来。同样,利用这种方式也可以产生80+80 MHz的信号,即在两个MXG或ESG里分别生成两个80 MHz的信号,然后在合并在一起成为一个160MHz带宽的RF信号。
而对于160MHz带宽的信号分析,则可以使用Agilent 89600 VSA软件配合Agilent N9030A PXA信号分析仪,M9392A PXI微波矢量分析模块,M9202A PXI Digitizer,或者Agilent 示波器这些硬件前端进行分析。M9392A可以分析的信号带宽达到250 MHz, 而M9020A可以达到800MHz。 示波器可分析的信号带宽则更宽,可以达到1GHz以上。这些宽带分析仪能够满足数字预失真的测试应用,也就是通常意义上要求的测试信号的带宽是被测信号带宽的3到5倍。
对于MIMO设计的测试检验也是另一挑战。MIMO功能性的优劣取决于对802.11设备的设计功能要求。多信道信号的产生和分析有助于更加深入地了解MIMO设备的内在性能,并且可以帮助设计工程师进行故障查找和设计检验等。
对于MIMO接收机的测试, Agilent 的SystemVue WLAN 仿真库和信号波形产生软件(Signal Studio) 都可以产生MIMO信号。在硬件平台上,可以同步多台Agilent MXG或者ESG信号源仿真MIMO发射机输出多通道的信号。信道衰落的作用也可以包含在波形文件里,进行仿真并提供给接收天线。对于MIMO发射机的测试,可以使用Agilent的Infiniium 或者Infiniivisiion 示波器配合89600B VSA分析软件,可以分析多达4个信道的MIMO信号,具体包括每个信道的EVM和IQ测量结果,以及交叉矩阵,如频率响应和信道特性等。Agilent 还提供了基于PXI系统的模块化测试仪,包括M9392A PXI微波矢量测试模与M9202A数字处理模块和下变频模块可以处理分析高达1GHz分析带宽信号。

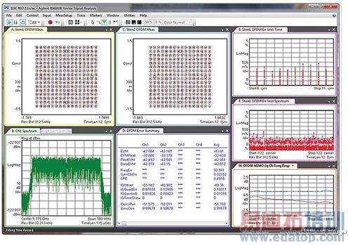
图5.两个信道-MIMO信号的测量结果
图5显示的是用Agilent 示波器和VSA软件测试一个2-ch 802.11ac信号的结果。这个测试中的被测MIMO信号是用Signal Studio配合两台MXG信号源产生的。从图上可以看到两组信号流的EVM和IQ误差(中下部的图像)和频道响应(左下部的图像)同时显示的结果。
结束语
随着无线技术的发展,和人们对使用无线设备的体验的持续要求,对无线本地网的连接,也提出同样的要求:更快的速度和更宽的带宽。满足这些商业需求的同时,也增加对产品和保证规范各类产品性能及互联互通的国际标准的复杂性,对测试测量也提出了更高的挑战。要让VHT WLAN产品在主流市场上取得成功,综合的考虑设计和测量能力是非常重要的。从系统仿真工具,到能够支持80 和160 MHz信号带宽和256QAM调制信号的产生和分析的测量仪器,这些针对器件测量、发射机和接收机测量都非常重要。另外,以生产为设计指导方向的产品战略将全面帮助企业达到降低测试成本、设计并生产出满足商业用户需求的高性价比的产品。
上一篇:基于NI
VeriStand和JMAG-RT进行高性能电机仿真
下一篇:16-bit
MCU实现超低功耗运动检测


