- 易迪拓培训,专注于微波、射频、天线设计工程师的培养
C8051F320在频率源测试中的应用
0 引言
频率源,顾名思义,就是产生基准频率点的源,是很多工业甚至军事领域中非常重要的组成部分。为了能够方便地对频率源的输出进行监控和测试。本文给出了利用C8051F320设计频率源测试设备及其工装的具体方法,利用该设计不但可以节约劳动力,而且可使工作更加高效便捷。
1 直接模拟频率源分析
由于本设计主要针对直接模拟合成式频率源,所以,在此先对直接模拟式频率源做一简介。直接模拟式频率源的基本原理较为简单,它使用一只高稳定晶振,通过对晶振频率进行分频、倍频、混频、滤波放大来获得需要的频率。其原理框图如图1所示。

由图1可以看出,想要控制频率源的输出,只要控制选频单元的输出即可。下面简单介绍直接模拟合成式频率源的选频单元。在这种结构频率源中,选频单元一般可由开关滤波组件构成。图2所示是选频单元的组成框图。结合图2可知,此类频率源是按照一定的时序来控制TTL电平,进而控制开关滤波组件,最终输出N个频率点。平时很多频率源调试中使用的控制工装大部分都是利用拨码电路实现的。拨码电路虽然简单方便,但是测试监控较为复杂,必须得人工操作。这样,当频率点过多时,稍有不慎就容易出现错、漏现象,往往还得重新测试。

2 方案设计
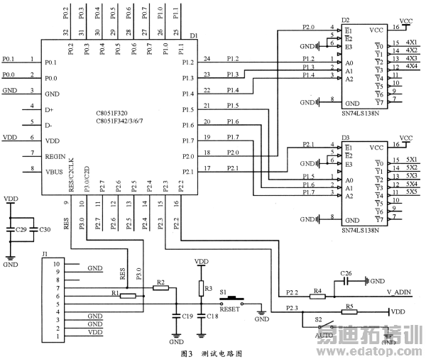
2.1 测试电路设计
针对上述问题,作者利用C8051F320设计出集频率自动控制、手动控制以及显示为一体的测试工装,并用LED做显示电路设计。对于C8051F320来说,实现自动控制是一件比较容易的事。其具体的测试电路如图3所示。

图3中,S2开关的通断可以将系统设定为自动测试模式或手动测试模式。当S2开关闭合时,为自动测试模式;S2开关断开时,为手动测试模式。在自动模式下,C8051F320采用系统定时器,可根据需要按照程序设定的时间间隔控制I/O口,以使其按时序输出特定的高低电平来控制38译码器的输出,进而实现按顺序自动输出所有频点。
作者:胡静,刘博 西安电子工程研究所 来源:电子元器件应用


