- 易迪拓培训,专注于微波、射频、天线设计工程师的培养
电力电子装置电磁兼容性的研究进展
摘 要:
电力电子装置的高频化和大容量化不仅导致器件所承受的电应 力的增加和开关损耗的增加,而且产生难以抑制的宽带电磁干扰[1-3],对电网 和环境造成严重的电磁污染,甚至威胁到其本身乃至与其相关的其他电子设备的正常工作。 本文从电力电子装置的电磁干扰源产生的机理入手,概括了近年来国外的最新研究成果,并 着重分析对比了硬开关与软开关的电磁干扰特性。
关键词:
开关变换器 电磁兼容性 硬开关 软开关
A Review of EMC in Power ElectroNIc Devices
Wang Dongyan Zhang Linchang
(Northern jiaotong Universi ty 100044 China)
Abstract
The high switching frequency operation of high power converters has not only lead to large electrical strain and switching loss for t he switching devices,but also generated unrestrained broadband EMI(Electromagnet ic Interference)盜t brings the contamination to power line and electromagnetic environment,and even results in self瞞alfunction or unaccepted response of vict im devices盕irst,this paper reviews the principle of the generation of EMI in p ower electronic devices,then the state-of-the-art EMC techniques in the field o f power electronics are summarized,and the comparative study of the EMC performa nce of hard switching and soft switching is emphasized
Keywords:
Power converter Electromagnetic compatibility(EMC) Ha rd switching Soft switching
1 引言
电力电子装置以其高效率进行电能转换著称,正日益广泛应用于工业与民用的电力变换与传 动控制。据估计,工业生产中70%的电能都通过电力电子装置变换后才为人类所利用。8 0年代后期,功率场控器件的实用化和大容量化,使电力电子装置跨入高频化、大容量时代 。由于电力电子换流过程中产生前后沿很陡的(di/dt可达1A/ns,dv/dt 可达3V/ns)脉冲,从而引发了严重的电磁干扰。这些干扰经近场和远场耦合形成传导和辐 射干扰,严重污染周围电磁环境和电源系统,这不仅会使变换电路自身的可靠性降低,而且 使电网及邻近设备运行质量受到严重影响。
随着电子信息产业的发展,以开关变换器为核心的电力电子装置正广泛应用于以电子计算机 为主导的各种终端设备、通信设备等几乎所有的电子设备。在美国佛吉尼亚电力电子研究中 心(Virginia Power Electronic Center——VPEC)1997年的年度报告上这样写到: 如 果说是微处理器技术的进步促使计算机主频从1985年的16MHz发展到今天的200MHz ,那么,下一步向GHz的飞跃主要取决于电力电子技术的发展[4]。当芯片以GHz工 作时,电源必须以足够高的匹配速度给逻辑门供电(以Pentiumpro为例,要求负载电流供 应速率为30A/μs),这也是Intel不得不放慢Pentium微处理器的时钟速度的一个重要原 因[4]。所以说,电力电子装置的电磁兼容性问题急待解决。
近年来,随着电力电子技术的发展,功率开关器件的容量也越来越大(如光控SCR(Silicon Controllable Rectifier)已有4000A/8000V的产品,IGBT(Insulated GateBip olar Transistor)已有3500V/2400A的模块出售),开关频率越来越高,最高可达 几MHz,而装置的尺寸越来越小。以DC-DC电源为例,当前国内的水平为30W/in3 ,而国际水平则为120W/in3,预计2000年可达240W/in3。这些因素都要求 更进一步地加强电力电子装置电磁干扰特性及其防范的研究。特别是在设计阶段,对新装置 的干扰特性进行预估,缩短其开发周期,提高电力电子装置的电磁兼容性就成为至关重要的 问题。
2 电力电子装置电磁干扰源的探索性研究
在探寻电力电子装置电磁干扰源的过程中,人们通过大量的实验,不断总结新的经验。早在 1983年,Schneider开发了用于测试运行中的开关电源的源阻抗特性的技术,这是一种 用标量法测量噪声频谱以确定源阻抗的实部和虚部的技术。该技术选择电抗性负载与噪声源 的 虚部振荡,通过振荡频率可确定噪声源的电抗部分。源阻抗的实部则由振荡噪声电流的峰值 确定。阻抗测试主要是在10kHz~1MHz频段内进行的,基于测试结果,Schneider提出描 述开关电源交流侧噪声源特性的共模和差模噪声的等效电路[5]。
由于共模电流的辐射作用通常比差模电流的辐射作用要大得多[6],区分系统中的 共模干扰与差模干扰是十分必要的,VPEC研究中心提出了功率合成器[7],对 系统中的共模和差模传导干扰进行定量测量。
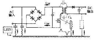
在电力电子装置中,共模噪声与差模噪声产生的内部机制也有所不同。差模噪声主要由开关 变换器的脉动电流引起;共模噪声则主要由较高的dv/dt与杂散参数间相互作用而 产生的高频振荡引起。如图1所示,共模电流iCM包含连线到接地面的位移电流 ,同 时,由于开关器件端子上的dv/dt是最大的,所以开关器件与散热片间的杂散电容 Ck也将产生共模电流。针对不同系统,共模和差模干扰产生的具体原因也不尽相同。 根据传播途径的不同,以下将电磁干扰分为传导干扰和辐射干扰,分别进行讨论,并阐述开 关变换器的近场特性的研究。

图1 离线变换器共模电流的路径
Fig.1 Common-mode current path in a off-line converter
2.1 传导干扰源的研究
传导是电力电子装置中干扰传播的重要途径,不同的电力电子装置,传导干扰产生的具体原 因也不尽相同。
例如,在SCR整流系统中,差模传导干扰的产生主要基于两个因素[8]:一是由 电源线路电感所引起的换流重叠现象;二是半导体开关特性及决定其电流特征的物理特性。 同时,SCR整流系统中晶闸管的恢复现象可能产生两个结果:一是延长了换向重叠时间; 二是在晶闸管上附加了指数衰减的电流。实测出晶闸管恢复现象可使总干扰增加4~5dB。 又如,西门子公司的Klotz等人[9]研究了5~10kVA的IGBT变换器在不同工 作电压、工作电流、开关频率、模块封装、门电路、温度、接地状况以及附加元件情况下 的共模与差模传导干扰源,得出主要的差模干扰源是续流二极管的反向恢复电流。同时指出 ,负载的杂散参数会对干扰的频谱有一定影响。
法国Grenoble电技术实验室(以下简称LEG)的Teuling、Schnaen和Roudet[10] 基于由MOSFET构成的400W、开关频率为100kHz的斩波电路实验模型的研究 表明,共模噪声与电压切换相关,差模噪声与电流切换相关,二者可能同时产生。如在该模 型中MOSFET关断时,电流被关断的同时,电压呈现衰减振荡,因而,此时共模噪声和 差模噪声共存。通常低频时差模干扰占主导地位,高频时共模干扰处于主导地位。
SHARIF工业大学的Mahdavi与LEG的Roudet和Scheich等人[11]建立了5 00W功率因数调节(Power Factor Preregulator——PFP)单相AC/DC变换器模型, 他们把重点放在射频传导干扰产生与发射机理的研究上,并利用仿真软件MC2计算了注入 到电源中的电流谐波。该模型在开关频率的10倍的频率范围内与测试结果有较好的吻合。 在针对PFP的差模传导EMI的研究中,Reis预测出,变换器工作于不同模式时,EMI 特性也有差异[13]。
美国Wisconsin-Madison大学的ErkuanZhong和Lip等人[12]以驱动7.46kW (10hp)感应电机的8kVAPWM逆变器系统为实验模型,研究发现,大功率高速电机驱动 的PWM逆变器系统向电源馈入高达几A的脉动电流,导致严重的传导EMI(在该实验模 型中,最高可达120dBμV)和电源电压波形畸变(缺口电压达50V,超过额定电压20 % ),干扰信号的频带相当宽,不仅包括开关频率的干扰成分及其谐波,而且延伸到射频范围 。功率器件在开关过程中所产生的dv/dt(达3kV/μs,持续几ns)与开关器件与 地间的杂散电容作用,在电源端产生充放电电流,引起电磁干扰。同时,开关器件的非线性 开关特性更产生大量谐波。他们同时指出,二极管反向恢复电流是该系统主要的差模干扰源 。
电力电子装置的传导干扰的研究,尤其是共模与差模传导干扰的研究,为EMI滤波器的设 计提供了依据。
2.2 辐射干扰源的研究
与传导干扰相比,电力电子装置的辐射干扰则更为复杂。这是因为,作为能量变换装置, 变换容量从毫瓦级到兆瓦级,而且主回路与控制回路常常是由不同部件构成的,与集中在印 制电路板上的电子装置相比,空间结构更为复杂,因此,相应的杂散参数与辐射干扰的分析 计算就更为复杂[2],目前相关的研究还不多见。
其中,较具有代表性的是Orlandi和Scheich[14]对SCR整流电路的辐射干扰源 进行研究。他们重点分析了共模电流(时域与频域)与辐射场间的联系,认为共模电流与来 自控制部分的驱动脉冲及杂散参数相关,杂散电容间的电压梯度促使共模电流的传播,脉冲 上升沿的电压梯度在杂散电容中产生共模电流。而且,快速电流脉冲在SCR的金属部分( 外壳和散热器)上感应出无用电压,成为辐射源。
为了确定开关变换器的辐射模型,罗马大学的Antonini和Cristina教授与Orlandi教授对开 关频率分别为75kHz,150kHz的开关电源中变换器部分建立偶极子辐射模型[15 ]。但由于在确定线路电流分布时,采用了等效均匀介质的传输线模型。结果模型在低于 10MHz的频率范围内与实验结论有较好的吻合,但在高于10MHz的频段,受各种杂散参数 的影响,共模辐射占主导地位。在确定共模电流分布时,传输线模型不再有效。
事实上,决定电力电子装置电磁辐射特性的还不止于此,如广泛用于电力电子装置的散热器 常常表现出电磁振荡特性,加强了电力电子装置的RF电磁辐射。散热片通常具有复杂的几 何形状,具有多频带的RF辐射特性,并安装在装置外部,因而,散热片很可能在一个或多 个开关频率的谐波上起有效的辐射天线的作用。关于这方面的研究工作也正在展开,如Ryan 、Stone和Chambers[16]用FDTD法对来自鳍形散热器的RF电磁辐射模式进 行初步预测。
2.3 近场特性的研究
根据IEC22G-WG4-11,电力电子装置通常由两部分构成,即功率变换单元和 控制单元。开关变换电路的开关频率一般为几十kHz至上百kHz,在开关过程中产生的电压和 电流瞬变是产生传导干优和辐射干扰的干扰源。功率变换单元所产生的电磁辐射的能量足以 危及到其附近控制单元的正常工作[15]。因而预测功率变换单元的近场特性,保 证控制电路的正常工作,对于电力电子变换装置的EMC设计具有重要意义。
为了探寻开关电源(SMPS)的近场特性,Atonini等人[15]建立了基于印制 电路板的简单SMPS实验模型。在进行近场计算时,他们将实验电路的每段导线划分为多 个Hertzian偶极子串联组成。由于在近场区静电项起主导作用,代表着聚集于单个偶极子上 静电电荷所产生的场;当多个偶极子串连时,由于距离r是偶极子中心与测试点间的距 离, 所以各静电项无法抵消,从而产生大的静电场,造成预测值比实际值高。因而,在对沿电路 辐射方程积分时,通过特殊处理,消除了由偶极子方程积分所引起的虚假静电荷效应,建立 了较为精确的近场(电场和磁场)模型。计算表明,在距实验模型3m处,较正后的模型与 较正前模型相比,低频段电场相差40dB,高频段二者趋于重合。测试结果表明,在低于1 0MHz的频段内,计算值与测量值十分吻合。高于10MHz的频段内,共模电流影响占主导地 位,上述计算模型不再有效。
影响电力电子装置近场特的主要是功率变换部分的主回路。Cristina等人[17]就 变换器部分工作在不同负载情况下的辐射模式变化、近场空间分布和辐射特性进行了研究, 并得出在不同负载条件下,开关电源可能表现出电偶极子或磁偶极子的特性。这对于选择和 设计适合的屏蔽方案是十分重要的。
LEG的Youssef和Roudet等人[18]利用MOSFET作为开关元件建立了简单 的降压变换器模型。他们以电路近似为细线结构为前提,并假定电路中各部分电流相同,基 于开关操作过程中的时域电流波形计算了近场分布。同时利用镜像法研究了接地导电平面处 于干扰源电路下方时电磁辐射的变化,并得出在导电地平面的影响下,电磁辐射减少的结论 。
由此可见,电力电子装置的近场特性的研究刚刚起步,尚没有完整而准确的模型建立。尤其 是在高频段受各种杂散参数的作用,共模电流的影响下的近场特性则更为复杂。
综上所述,在对电力电子装置电磁干扰源的探索中,多数研究采用实验与分析相结合的方法 。并对一定工作条件下的电磁干扰特性建模。然而,目前对大功率及具有复杂结构的电力电 子装置的电磁干扰源特性的研究还很少[2]。对于一个实际的电力电子装置来说, 常常是共模与差模干扰共存,传导与辐射干扰并举,对于不同的系统,处于主导地位的干扰 因素也各不相同,正确分析并预测系统中的主要干扰源是电力电子装置电磁兼容性设计的关键。
3 高频软开关变换器的电磁兼容特性的研究
为适应高频化要求,人们除改进器件本身的承受能力外,还多次从改进电路拓扑方面下功夫 ,以削弱器件受到的电应力,减小开关损耗,消除开关浪涌和尖峰电压。
由于电力电子装置产生干扰的主要原因是电力电子装置换流过程中所产生的高di/dt 和dv/dt与电路中的杂散参数共同作用,从而引起高频振荡。如果通过选择适当 的电路拓扑与和控制技术可以作到尽可能减少高di/dt和dv/dt的变换过程 ,那么就可能提高电力电子装置的电磁兼容特性。于是有人推测,就传导EMI而言,采用 零电压转换(Zero Voltage Transition——ZVT)的软开关变换器应当比硬开关变换器性能 好[9,19]。其主要依据是在ZVT电路中主开关工作于零电压开关状态,二极 管工作于软开关状态,这样,主开关中无快速的电压切换,二极管中无快速的电流切换,从 而减少了电路中的高频谐波。事实是否果真如此呢?
从EMI的产生来看,谐振变换器(包括软开关变换器)的确具有PWM硬开关变换器无法 比拟的优势,具体可从如下几个方面考虑:
(1)PWM技术是以中断功率通量和控制占空比的方法来变换功率,结果形成脉冲电流和 脉冲电压;而谐振技术是以正弦波形式变换功率,它的频谱通常比PWM变换器频谱窄。因 而,对比PWM变换器,在输入端应当具有较小的谐波干扰和较大振幅的基分量。
(2)谐振开关变换器的工作波形为准正弦波,具有较低的di/dt和dv/dt 。
(3)谐振开关变换器利用器件结电容和变压器漏感作谐振LC电路的一部分,对有害 杂散参数不敏感。
(4)谐振开关变换器工作于较高频率,便于集成化和最小化,因而通常具有较高的功率密 度,对于减小电路回路,缩短连线长度十分有利。
(5)PWM变换器常采用耗能缓冲电路限制器件所受的应力,同时,对抑制电磁干扰也起 到有利作用。谐振软开关变换器可减少或去掉耗能缓冲器,从而提高开发效率。
基于上述分析,是否可以轻松地得出结论呢?1996年,VPEC研究中心的研究人员对 分别采用零电压变换(即ZVT)电路与硬开关电路的两个单相400WPFC升压变换 器实验模型的传导干扰进行对比实验[21]。测试结果是出人意料的,采用ZVT 技术的软开关变换器与硬开关变换器间的EMI差异很小,甚至于如果前者的附加电路布线 不当,会使性能更差。
与文献[20]不同的是他们将两实验模型的共模与差模干扰分别进行对比,结果是:就共 模噪声而言,低频段二者特性相似,当频率超过几MHz时,硬开关的噪声高于ZVT模型几 个dB;在高频段,ZVT模型的共模噪声较低,但某些情形下,ZVT模型在个别频率点的 噪声峰值超过硬开关模型;就差模噪声而言,硬开关的噪声比ZVT模型强。
上述实验结果可以理解为:共模噪声主要通过器件外壳的杂散电容耦合,而ZVT变换器中 的主开关管为软开关,开关过程中所产生的dv/dt小,所以,ZVT变换器的高频 共 模干扰小于硬开关变换器;而ZVT变换器在某些频点上的噪声峰值是由于ZVT变换器中 的辅助元件的不正确的布线导致的。另外,由于硬开关变换器中二极管反向恢复电流引起较 高的di/dt,在高频段,硬开关变换器的差模噪声比ZVT变换器高,但di/d t高通常不影响低频成分,所以在开关频率及其低次谐波上,二者干扰特性相似。
由此可见,尽管ZVT变换器高频干扰特性优于硬开关几个dB,但总体上二者的EMI特性 类似。就差模噪声而言,ZVT变换优于硬开关变换器,这正是软开关优于硬开关的一面。 就共模噪声而言,问题较为复杂,ZVT变换器与硬开关变换器不同的是前者具有辅助软开 关的元件,其中包括流过更大峰值电流的辅助开关元件,该开关元件可能承受与硬开关变 换器中主开关管相同的电压。ZVT变换器中辅助开关元件是硬性开关的,这意味着硬开关 变换器中硬开关转移到ZVT变换器的辅助开关。因而,在软开关电路拓扑中,辅助开关元 件是重要的干扰源,它们的位置及布线尤其重要[21]。
实质上,带有缓冲器电路的PWM变换器不一定比软开关变换器具有更坏有噪声特性。但究 竟软开关好还是硬开关好,还取决于电路设计初期,根据应用适当选用电路拓扑和控制技术 ,建立传导和辐射干扰预测模型,指导正确的电路布局。
4 结论
综上所述,电力电子装置的电磁兼容问题正越来越引起国内外学者的关注,国外从80年代 至今已完成了许多实验性研究与分析建模工作;国内在这方面开展的研究工作还不多,尚未 见到比较成熟的技术报告。特别是在电力电子技术高速发展的今天,如何打破以往在进行电 磁兼容性设计时的经验法和试探法,使电力电子装置电磁兼容性设计走上的系统化设计的轨 道,是国内外学者面临的主要问题,它必将成为电力电子装置电磁兼容性研究的中心课题之 一。只有基于对各种电力电子装置的电磁干扰源的深入剖析,确定各种参数的敏感度,研究 各种开关拓扑和控制方案的电磁兼容特性,建立预测模型,才能实现电力电子装置电磁兼容 性的系统化设计,并与电力电子技术自身的高速发展相适应。
参考文献
1,Redl R盤ower electronics and electromagnetic compatibility盤ESC96 ,15~21
2,Garlick W G盓MC Analysis for power electronic equipment盜EE Colloq uium on Predicting and Assessing EMC in the Power Electronics Arena Digest No1 9941063,London UK
3,Tihanyi Laszlo盓lectromagnetic compatibility in power electronic s盢ew York:IEEE Press,1993
4,Special Report:Power and gigahertz chip県ttp://www眅 e眝t盓du/ecenews/ar97/ghz power盚tml
5,Schneider L M盢oise source equivalent circuit model for off瞝ine c onverte rs and its use in input filter design盤roceedings of Powercon 10,1983,167~175
6,Paul C R盇 Comparison of the contributions of common瞞ode and diffe rential mode currents in radiated emissions盜EEE Trans眔n EMC,1989,31(2):189~ 193
7,Guo T,Chen D Y,Lee F C盨eparation of common瞞ode and different ial瞞ode瞔onducted EMI noise盜EEE Trans眔n Power Electronics,1996,11(3):480 ~487
8,Scheich R,Roudet J盓MI conducted emission in differential mode ema nating from a SCR :phenomena and noise level prediction盜EEE Trans on Power ele ctronics,1995,10(2):105~110
9,Klotz Frank,Petzoldt J,Volker H盓xperimental and simulative invest igations of conducted EMI performance of IGBTs for 5~10kVA converters盤ESC穑 6,1986~1991
10,Teulings W,Schnaen J L,Roudet J盇 new technique for analysis o f conducted noise of a SMPS including interconnects盤ESC97,1516~1521
11,Mahdsvi J,Roudet J,et al盋onducted RFI emission from an AC/DC c onverter with sinusoidal line current盜AS93,1048~1053
12,Zhong Erkuan,Lipo T A盜mprovement in EMC performance of inverter fed motor drives盜EEE Trans眔n Industry Application,1995,31(6):1247~1256
13,Reis F S D,Sebastian J,Uceda J盌etermination of EMI emission i n power factor preregulators by design盤ESC95,1117~1126
14,Orlandi A,Scheich R盓MC in power electronic devices :Radiated emi ssions from a silicon controlled rectifier盤roc盜EEE Int盨ymp盓lectromag盋o mpat盋hicago,IL,1994,22~27
15,Antonini G,Critina S,Orlandi A盓MC characterization of SMPS dev ices: Circuit and radiated emissions model盜EEE Trans盓MC,1996,38(3):300~309
16,Ryan N J,Stone D A,Chambers B盇pplication of FD睺D to the pre diction of RF radiation from heatsinks盓lectronics Letters,14﹖h,1997,33(1 7):1443~1444
17,Cristina S,Antonia F,Orlandi A盨witched mode power supplies an alysis :Near field modeling and experimental validation盤roc眔f IEEE Int盨ymp 盓lectromagn盋ompat盓MC95,453~458
18,Youssef M,Roudet J,Marechal Y盢ear瞗ield characterization of power electronics circuits for radiation prediction盤ESC97,1529~1534
19,Hua G,etc盢ovel zero瞯oltage瞭ransition PWM converters Proceedings of the Power Electronics Specialist Conference,Spain,1992
20,Caldeira P,Liu R,et al盋omparison of EMI performance of PWM and resonant power converters盤ESC93,134~140
21,Zhang Dongbing ,Chen D Y,Lee F C盇n experimental comparison of co nducted EMI emissions between a zero瞯oltage transition circuit and a hard swit ching circuit盤ESC96,1992~1997


