- 易迪拓培训,专注于微波、射频、天线设计工程师的培养
通信电源系统结构的发展趋势
关键词: 通信电源 电源系统 电源系统结构 发展趋势
1 引言
随着信息技术的发展和数据业务的迅速扩大,电信网络正处于不断的变革之中;电信网络这种变革主要表现为数据通信设备逐渐集成到电信设备中,和电信网络设备融合在一起。电信网络的变革必然会影响到电源系统。数据通信设备要求交流电源,与电信设备传统的-48V直流电源不兼容,因而对电源设备提出了新的严格要求。首先,电源设备应能同时提供直流电源和交流电源,或者说,应能提供同时满足电信网络设备和数据通信设备要求的电源。此外,还应达到高可靠性、高可用度和高效率的要求。如何构成这种新的电源系统?这是通信电源系统设计有待解决的一个新问题。上个世纪90年代后期以来,国内外已开始注意和研究适应电信和数据通信设备融合的电源系统结构,提出了一些设想和实施方案。本文介绍几种可能的电源系统结构,讨论这些电源系统结构的基本原理、优缺点、实现的可能性等。
2 传统的通信电源系统结构
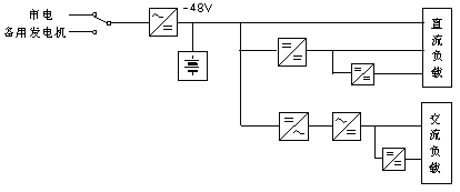
2.1 -48V直流电源系统结构
众所周知,传统的电信设备一般要求-48V直流输入电源。如图1所示,传统的-48V直流电源系统是由多个并联冗余整流器和蓄电池组成的。在正常情况下,整流器将市电交流电源变换为-48V直流电源,供给电信设备,同时给蓄电池充电。电信设备需要的其它电压等级的直流电源,采用DC/DC变换器由-48V直流电源变换得到。市电停电时,由蓄电池放电为电信设备供电;长时间市电停电时,由备用发电机组替代市电,提供交流输入电源。传统的-48V直流电源系统的蓄电池备用时间为1~24h,典型的蓄电池备用时间为1~3h。 -48V直流电源系统分为集中供电和分散供电两种方式。
2.1.1 集中供电
集中供电是指通信局(站)中所有的通信设备由一个集中的直流电源供电,如图1(A)所示。这种供电方式的优点是电源设备比较集中,维护比较方便。但是,由于集中的直流电源远离通信设备,配电损耗很大,系统效率很低;配电电缆及安装费用也很大。而且可靠性较低,如果集中的直流电源发生故障,将会影响全部通信设备的供电。集中供电方式适用于规模较小的通信局(站)。

图1. 传统的电信-48V直流电源系统
2.1.2 分散供电
20世纪80年代末至90年代初,我国开始研究采用分散供电方式,即在通信局(站)中采用多个直流电源系统,各个电源系统分别为一部分通信设备供电,从而可以克服集中供电方式的缺点。
由于高频开关电源和阀控铅酸蓄电池技术的发展,性能优良的高频开关电源和阀控铅酸蓄电池在电信系统得到了广泛采用,过去采用相控电源和排气式蓄电池时的严重噪声和酸雾污染问题已不存在,因此已完全可能将380V/220V交流电源送至通信机房,如图1(B)所示。将通信系统的直流电源设备安装在交换机房内,从而可以避免长距离的低电压直流配电,减少了损耗,大大改善了供电系统性能,提高了供电系统的可靠性。
2.2 220V交流UPS电源系统结构
传统的数据通信设备要求交流输入电源,一般是与市电电源的电压和频率相同的电源,即220V,50Hz的单相交流电源。传统的数据通信设备的电源系统是交流UPS系统。交流UPS系统一般由整流器、逆变器、蓄电池和静态开关等组成。市电正常时,市电交流电源经整流器变换为直流电供给逆变器,同时给蓄电池充电,逆变器将直流电变换为交流电供给负载。蓄电池的备用时间一般设计为计算机有序关机或备用发电机组启动投入供电所需要的时间(一般为10~30min)。UPS本身故障时负载可经静态开关转换到旁路电源(市电)。市电长时间停电时,由备用发电机组替代市电,提供交流输入电源。图2示出了传统的数据通信设备用UPS电源系统结构。
图2. 传统的220V UPS交流电源系统
为了提高UPS系统的可靠性,通常可采用冗余UPS系统, 图3示出N+1(N=1)并联冗余UPS系统。

图3. N+1(N=1)并联冗余UPS系统
2.3 -48V直流电源系统和220V交流UPS系统的比较
-48V直流电源系统和220V交流UPS系统分别在不同负载上采用,是由于历史原因形成的。或者说,是由于直流和交流电源设计者的设计观点和设计方法的差异所致。总的来说,交流电源设计者认为:电源变换设备、备用发电机组和交流电源是比较可靠的;蓄电池是比较不可靠的。而直流电源设计者认为:电源变换设备、备用发电机组和交流电源是比较不可靠的;蓄电池是比较可靠的。这与两种电源系统在蓄电池的应用条件和电源变换设备的配置等方面的差别有关。
2.3.1 蓄电池应用的差别
(1)220V交流UPS:
每组蓄电池组的串联单体电池数:180~196个;
浮充电压:405~432V;
放电时间:一般为10~30min;
放电终止电压:深放电至(1.65~1.6)V/只。
(2) -48V直流电源:
每组蓄电池组的串联单体电池数:24个;
放电时间:最少1h;
放电终止电压:1.80V/只。
2.3.2 电源变换设备配置的差别
(1) 220V交流UPS:
采用N+1个容量较大的UPS逆变器并联,其中N个逆变器即可以满足100%负载要求,另加一个冗余逆变器。N一般小于6,最常见的是N=1(即两台UPS并联)。
逆变器故障时,可以由旁路电源为负载供电。
(2) -48V直流电源:
采用N+1个容量较小的整流模块并联,例如1000A的电源系统采用(10+1)个100A的整流模块并联;其中N个整流器模块即可以满足100%负载要求,另加一个冗余整流器模块。N一般可以为几个到几十个。
整流器模块故障时,没有旁路电源可用。
由于-48V直流电源系统和220V交流UPS系统存在以上的差别,使得组成各自电源系统的一些部件的工作条件不同,因此可靠性也有一些差别。
例如UPS系统中,交流输入端一般无输入隔离变压器,采用交流输入电源380V/220V直接整流,故直流环节电压高,这对逆变器的工作是有利的,因为在同样的功率下,逆变电流较小,可靠性较高。但是蓄电池组的单体电池数较多,由于UPS的蓄电池容量的设计原则是:蓄电池的备用时间为计算机有序关机或备用发电机组启动投入供电所需要的时间(一般10~30min)。故蓄电池组容量较小,蓄电池的工作方式是大电流放电,且为深放电。这与-48V直流电源系统中的蓄电池组情况(单体电池少、蓄电池容量大、小电流放电、浅放电)截然不同。所以,直流电源设计者认为:-48V直流电源系统中的蓄电池比较可靠。而交流电源设计者认为:UPS系统中的蓄电池比较不可靠。
又如在UPS系统中,因为并联的UPS逆变器模块较少,其系统的MTBF较大,又采用了旁路电路,备用发电机组的也较完善。这与-48V直流电源系统中的整流模块配置情况(并联整流模块较多、无旁路电源可用)也是截然不同。所以,交流电源设计者认为:UPS系统中的电源变换设备、备用发电机组和交流电源比较可靠。而直流电源设计者认为:-48V直流系统中电源变换设备、备用发电机组和交流电源比较不可靠。
然而,按照可靠性计算的结果,-48V直流电源系统和220V交流UPS系统的可用度基本上是相同的。这两种电源系统都可以做到非常可靠。不过,-48V直流电源系统中蓄电池的容量对系统的可用度影响较大;而220V交流UPS系统的可用度与蓄电池的容量关系不大,但与旁路电路的可靠性关系较大。但两者都可以很好地满足传统的负载设备的要求。传统的电信设备和数据通信设备分别采用-48V直流电源和220V交流UPS电源是没有任何问题的。
2.4 传统通信电源系统结构面临着变化和挑战
然而,当今计算机等数据通信设备已经开始集成到电信设备,数据通信设备与电信设备融合到一起,传统的-48V直流电源系统和传统的220V交流电源系统都已不是最合适的供电系统了,也不可能再采用两种独立的传统电源为新的电信设施供电,为什么由直流供电的负载的蓄电池备用时间为3h,而由交流供电的负载的蓄电池的备用时间只有15min,这显然是不合理的,而且采用两套独立的传统电源也是不经济的。因此,在1998年国际电信能源会议上提出了要寻求数据通信和电信设备公用一个新的电源系统的问题。
可能适用于当今的电信/数据设备融合的电源系统结构有:混合结构的电源系统(包括混合分布冗余UPS电源系统和交直流负载公用-48V母线的系统)、整流型(rAC)交流电源系统、高压直流电源系统等。
3 混合结构的电源系统
数据通信设备与电信设备融合的局(站),要求交流和直流电源的负载的比例,取决于具体局(站)设备的配置,在因特网主机和基于服务器的局(站),需要交流供电的负载较多,一般可采用以UPS为基础的混合分布冗余UPS电源系统。在交流负载较少的局(站),可采用交流和直流负载公用-48V母线的混合系统。
3.1 混合分布冗余UPS电源系统
图4是一种适用于数据通信设备和电信设备融合的高可用度的电源系统,称为“混合分布冗余UPS电源系统”。这个系统包括两个完全相同的独立的UPS系统,每个UPS系统都是N+1并联冗余UPS系统,蓄电池备用时间为15min,交流输入电源都是由市电和备用发电机组组成。假设交流负载和直流负载设备都是双电源输入负载设备,每个交流负载设备由两个分别接在两个UPS系统上的配电单元供电。每个直流负载设备由两个分别由两个UPS系统供电的分散的整流器系统(无蓄电池)供电,其整流器系统输出保护由两个UPS系统和冗余的备用发电机组完成,因此可省去一般直流系统中所必需的蓄电池。当负载设备为单电源输入时,由两个交流配电单元引出的两路电源经转换开关转换后供给交流负载;由两个无蓄电池的整流器引出的两路电源经转换开关转换后供给直流负载。
这种电源系统配置的设备较多,但可靠性很高,即使在电源设备进行维护时,也不会中断负载供电。而且安装费用较低,占地面积较小。

图4. 混合分布冗余电源系统
3.2 交流和直流负载公用-48V母线的混合系统
这个电源系统结构特点是直流负载和交流负载的电源系统都采用-48V母线作为输入电源。-48V母线由传统-48V直流电源产生如前所述,在市电故障或整流器故障时,-48V母线电源是不会停电的。要求直流电源的负载由-48V母线直接供电或经DC/DC变换器供电;要求交流电源的负载经逆变器供电,即用由-48V直流电源供电的逆变器代替了UPS。交流负载得到逆变器输出的交流电源后,还要通过AC/DC变换器产生电子电路需要的各种低压直流电源,因此在交流负载的电源链中增加了电源变换的次数,增加了损耗,降低了系统效率。所以这种电源系统结构仅适用于交流负载为小功率,或中等功率的情况。
比较理想的方法是将现在需要交流供电的负载改造为由-48V母线供电,即将现在要求交流电源的设备内部的开关电源改换成DC/DC变换器,这个DC/DC变换器由-48V直流电源供电,产生电子电路所需的各种低压直流电源。然而,这对于数据通信设备而言,改为-48V供电无论在厂家或和用户都有一定的阻力。

图5. 交流和直流负载公用-48V母线的电源系统
4 整流型交流(rAC)供电系统
图6示出了rAC供电系统,这是一种全新的电源系统结构,其中,传统的48V直流电源系统中的直流母线由经过整流的市电交流母线替代,称为rAC母线(实际上是脉动的直流母线)。整个电源系统由二极管整流桥、高电压蓄电池组、蓄电池开关、蓄电池充电机、集中的AC/DC变换器、分散的AC/DC变换器等所组成。市电正常时,交流电源由二极管整流桥整流,得到的rAC直接供给集中的AC/DC变换器和分散的AC/DC变换器(位于通信设备内部)。当市电电源故障时,高电压蓄电池组通过蓄电池开关连接到rAC母线上,供给集中的和分散的AC/DC变换器。这些集中的和分散的AC/DC变换器由rAC或蓄电池高压直流电供电,产生数据通信设备和电信设备所需的各种低压直流电。系统中还配置了一个小容量的蓄电池充电机,用于离线给蓄电池充电。

图6. 整流型交流(rAC)供电系统
这种rAC供电系统要求集中的和分散的AC/DC变换器必须能在rAC供电或蓄电池高压直流供电时正常工作。AC/DC变换器一般是由DC/DC变换器及其输入端前面的,由市电交流电供电的整流滤波电路组成的。因此,只要蓄电池电压选择得合适,原有的AC/DC变换器在rAC或蓄电池高压直流供电时均能正常工作。需要指出的是,蓄电池的最高充电电压和放电终止电压,必须在AC/DC变换器所允许的最大和最小输入电压范围以内。DC/DC变换器的输入直流电压允许变动范围和蓄电池电压的变动范围,应根据交流输入电压的变动范围确定。如果采用单相220V交流电源,假设交流输入电压变动范围为-20%~10%,其峰值变动范围为249~342V,所以DC/DC变换器允许的输入电压变动范围一般应为大于或等于249~342V。而蓄电池电压的变动范围应小于这个范围,蓄电池可以采用150个单体蓄电池或25个12V的蓄电池,标称电压为300V。最高充电电压为342V(2.28V/单体电池),放电终止电压为270V(1.80V/单体电池)。
这种rAC供电系统的输入谐波电流抑制和功率因数的补偿,可以采取多种方法,例如在各AC/DC变换器上加功率因数校正电路、采用集中的功率因数校正电路、或在rAC母线上并联连接谐波抑制器。这些方法各有其优缺点,但均能达到有关标准的要求。
这种电源系统结构的优点是:
(1)在整个供电电路中只有一个变换级,损耗小,效率高;
(2)蓄电池充电机只用于给蓄电池离线充电,因此容量较小,成本低。
这种电源系统结构的缺点是:
(1)采用的电压较高,要求较高的安全标准;
(2)采用单体蓄电池数量较多,要求进行更严格蓄电池管理。否则会影响系统可靠性。
3 高电压直流供电系统
图7是高电压直流供电系统。高电压直流供电系统的交流输入、整流电路和蓄电池及其充电机与图6的rAC供电系统是相同的。所不同的是,rAC供电系统将rAC直接供到集中的DC/DC变换器或电信/数据通信设备内的分散DC/DC变换器;而在高电压直流供电系统中,市电交流电先由不稳压的二极管整流桥整流,再由大功率DC/DC变换器变换为稳定的高压直流电,并将高压直流电供到电信/数据通信设备内分散的DC/DC变换器。日本NTT公司提出了由交流200V整流变换为

图7. 高电压直流供电系统
直流270V的系统。270V的直流电压通过配电柜供给电信/数据通信设备。如果交流输入电源故障,由蓄电池经直流开关和大功率DC/DC变换器供给负载设备270V直流电。这种电源系统的特点是,在电池放电期间,供给负载设备的270V直流电源电压是稳定的。电信/数据通信设备内部的DC/DC变换器再将270V变换为电子电路所需要的低压直流电。
270V和-48V直流电源系统基于市电、备用发电机、转换开关和蓄电池的近似可靠性模型是相同的,因此两个系统具有相同的可靠性。
影响电源系统的效率的重要因素主要包括电信/数据通信设备内部的DC/DC变换器的内部功率损耗和配电电缆的功率损耗。DC/DC变换器一般采用MOSFET作为主开关元件,DC/DC变换器工作时,MOSFET的功率损耗包括MOSFET导通电阻(Ron)压降损耗和输出电容(Cout)充放电的损耗,导通电阻上的损耗正比于MOSFET管的导通电流,电容上的损耗正比于电源电压和开关频率。虽然270V和-48V直流电源系统的供电回路是相同的,但270V系统的DC/DC变换器的电源电压高,MOSFET管的输出电容的充放电损耗较大。另一方面,对于相同的负载,48V系统的电流比270V系统的电流大,因此,48V系统的DC/DC变换器中MOSFET 管上的导通电阻和配电电缆的损耗较大。
因此,负载设备机架功率较小时,270V系统的效率比48V系统低,主要是因为270V系统DC/DC 变换器MOSFET 管输出电容充放电损耗大。负载设备机架功率较大时,48V系统的效率比270V系统低,主要是因为48V系统的DC/DC 变换器中MOSFET导通电阻上的损耗和配电电缆上的损耗较大。所以,270V直流供电系统用于负载功率较大的场合比较有利。
如上所述,高压直流供电系统的可靠性高、效率高,这些优点在负载设备的功率较大时更为突出。但是要实际采用这个供电系统,负载设备的滤波器、熔丝、连接器和通信设备内部的板上DC/DC变换器都需要相应地改变,故实现起来比较困难。这种电源系统结构能否实际采用,主要取决于未来负载机柜的功率要求是否较大。从目前的电信和数据通信的发展情况看,这些负载设备的功耗正在不断增加。因此,高压直流供电系统还是一个有发展前途的电源系统结构。
6 结论
数据通信设备和电信设备的融合要求能同时提供220V交流和-48V直流电源的电源系统,这是对通信电源系统设计的一个新的挑战。由于电信设备的发展趋向于负载功率密度高、交直流设备互相依存,传统的220V交流UPS和-48V直流电源系统已不是现代电信设备最合适的供电方案。 混合分布冗余电源系统可以满意地解决同时提供高可用度的交流和直流电源的问题。交流电源经交流配电单元直接供给交流负载;直流电源是由交流UPS的交流输出通过一个不带蓄电池的整流器系统产生的。交流负载和直流负载都有两路电源供电,非常可靠。对于交流负载较大的应用场合,这个电源系统特别适用,而且很容易实现,因为整个电源系统结构不影响负载设备内部的任何电源部件。
交流和直流负载公用-48V母线的混合系统,是在传统的-48V直流电源系统的基础上,增加逆变器,由-48V直流电逆变为220V交流电供给交流负载。实际上在许多通信局(站)已经采用。但是,这种系统不适用于交流负载很大的应用场合,因为在交流负载的电源链路中增加了一级电源变换,增加了损耗降低了系统效率。另外,逆变器的直流输入电压较低,做成大功率的设备比较困难。
rAC供电系统是一个全新的电源系统结构概念。可以替代传统的电源系统结构,满足电信和数据通信设备融合的需要。但有些实际问题尚需进一步研究,例如备用蓄电池最佳低压的选择、电源系统输入谐波的抑制以及三相交流供电的可能性等。
高电压直流供电系统是一个有发展前途的新的供电系统结构,因为其可靠性高,效率高。特别适用于负载设备功率较大的场合。然而,要采用这个供电系统,负载设备的滤波器、熔丝、连接器和板上DC/DC变换器都需要相应地改变,故实现起来比较困难。有待与相关设备厂家协调,并应有相应的标准。
上一篇:虚拟仪器驱动器综述
下一篇:什么是PXI/CompactPCI?——PXI技术指南


