- 易迪拓培训,专注于微波、射频、天线设计工程师的培养
一款无线充电器电路原理设计
录入:edatop.com 点击:
1 无线充电器原理与结构
无线充电系统主要采用电磁感应原理,通过线圈进行能量耦合实现能量的传递。如图1所示,系统工作时输入端将交流市电经全桥整流电路变换成直流电,或用24V直流电端直接为系统供电。经过电源管理模块后输出的直流电通过2M有源晶振逆变转换成高频交流电供给初级绕组。通过2个电感线圈耦合能量,次级线圈输出的电流经接受转换电路变化成直流电为电池充电。


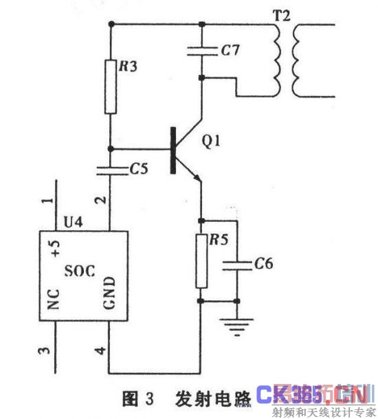
2 .2 发射电路模块
如图3,主振电路采用2 MHz有源晶振作为振荡器。有源晶振输出的方波,经过二阶低通滤波器滤除高次谐波,得到稳定的正弦波输出,经三极管13003及其外围电路组成的丙类放大电路后输出至线圈与电容组成的并联谐振回路辐射出去。为接收部分提供能量。

3.2 接收电路模块
测得与电容组成的并联谐振回路的空芯耦合线圈的线径为O.5 mm,直径为7 cm,电感为47 uH,载波频率为2 MHz.根据并联谐振公式得匹配电容C约为140 pF.因而。发射部分采用2MHz有源晶振产生与谐振频率接近的能源载波频率。


结论
实验证明,虽然该系统还不能充电于无形之中,但已能做到将多个校电器放置于同一充电平台上同时充电,免去接线的烦恼。
上一篇:智能闹钟的简单软硬件实现
下一篇:基于ARM9的液晶驱动终端设计


