- 易迪拓培训,专注于微波、射频、天线设计工程师的培养
利用R& S示波器RTO/RTE测量Qi无线充电系统
随着电子设备的移动应用越来越重要,更持久与方便的充电技术也备受厂家关注。许多公司企业已结成联盟,进军无线充电的领域,发展相关的技术及制订技术标准。目前无线充电标准有三大阵营,包括 Wireless Power Consortium (WPC), Power Matter Alliance (PMA) 及 Alliance for Wireless Power (A4WP),各有不同厂商在后支持,互相竞逐一席之地。其中,目前比较广泛使用的是无线充电联盟 WPC的 Qi (“气”) 标准。Qi 暂时主要以低功率型5 瓦以下的设备为主,包括智能手机、无线遥控器等等。将来规格将提升到支持中等功率型125瓦。该文章将把重点集中在Qi 的测量上。
2 技术概述
无线能量的传输技术,早在尼古拉斯•特斯拉(Nicholas Tesla) 的年代已获得认同并衍生出今日的无线电通信。不同的是,无线电技术着眼于信息的传输,而无线充电技术注重于能量的传输。通过交变电场与磁场的感应、电磁辐射(激光、微波),能量是可以不通过物理媒介,传输到另一端,而其最大的瓶颈是能量传输的效率。

图1. 英特尔工程师展示无线电把灯泡亮起。
3 Qi “气” 标准基础
Qi “气” 采用非接触式近距离的线圈的电磁感应原理传输能量。把具有次级线圈(secondary coil)装置的设备贴近充电器的初级线圈(primary coil),初级线圈产生交变的磁场将在次级线圈感应出具有相同频率的交流电压。这也称之为电磁感应功率传输。在近距离,大部分磁通量将局限于圈线之间,线圈可以有效地在大约5瓦功率较低频的100k~205k赫兹范围内实现电能传输

图2. 符合Qi (气)规格的接受与发射设备可以通用。
为了确保电磁感应在近距离进行,必须把初级与次级线圈对齐。装置可以是固定位置:以单一的初级线圈和次级线圈对应;或者是任意定位的设计:以多个阵列的初级线圈检测次级线圈的位置。
当两个线圈贴近时,初级线圈将能检测到次级线圈对磁场产生的负载效应,以监测它的存在。随后,透过简单的协议沟通,互相确认对方的身份,核对充电标准。确认是可以支持的设备后,充电器将把全面控制的权力移交到次级线圈的设备上。
4 Qi系统概述
无线电力传输基于电磁感应原理:
• 充电平台: 提供无线功率(发射机)
• 移动设备: 消耗无线功率(接收器)

4.1 Qi 系统: 功率发射器
Qi 功率发射器有两大功能:
• 功率转换单元在初级线圈产生电磁场
• 通讯与控制单元根据接收器的需求调节转换功率
4.2 Qi 系统: 功率接收器
Qi 功率接收可以:
• 功率接收单元在次级线圈上感应交变磁场并转换为电能
• 通讯与控制单元会调节功率的需求量
移动设备子系统将感应负载(电池)的容量和水平,反馈给通讯与控制单元,以调节或切断功率接收单元的输出。通过调整次级线圈的负载,功率接收单元可以把电池讯息反映给充电平台。充电平台读取后,也会依照原先设定的供电协议,决定如何调节初级线圈的能量。
5 Qi 测量面对的问题
5.1 时域与频域的相关性
Qi 本身就是一个嵌入式系统。一个基本的Qi充电系统的设计就包含了:射频部分、PCB设计、协议层控制、电力传输与电磁干扰屏蔽。面对数个领域的设计与分析,当需要不止一种仪器时,要进行有意义的数据分析,需要花费很多的时间和资金投入。
5.2 微弱信号的分析
Qi线圈之间的幅度调制相当微弱。要更仔细地观察调制细节,模数转换器(ADC)的分辨率必须要足以分析调制数据。要在高幅度的载波频率信号找出微弱的幅度调制,工程师往往会把信号放大而导致ADC饱和的状态。这时候仪器的过载恢复能力也变得相当重要。
5.3 电路板上的射频噪音
当系统在侦测状态时,Qi充电平台会定时发送高功率模拟和数字射频信号侦测接收设备。高功率的射频信号也会产生强烈的电磁干扰,并影响电路板上的组件。
5.4 射频信号的解调
Qi 系统通过负载的调制引起射频信号的变化来进行设备之间的通信。要解调信号,必须要把载波频率给滤掉。这通常就须要高端频谱仪进行解调。
5.5 调制信号的触发
传统示波器具有的模拟触发系统,信号需要达到触发的最低电压范围才能启动触发机制。然而,对微弱的幅度调制波形来说,这将是一个具挑战性的梦魇。
6 被测物与测量仪器
在此应用说明文章里,德州仪器的BQ51013AEVM-765接收(充电)平台与BQ500211EVM-054发射(移动)设备的评估板作为测量对象。

图4. 德州仪器的 Qi 系统评估板 BQ51013AEVM-765 (上)与 BQ500211EVM-054

RTO 和RTE系列示波器在测量信号时,可同时实现时域和频域分析,在不损耗解析度与灵敏度的情况下,进行精确的数字触发。加上具有SPI、I2C、CAN等的总线解码与触发,和逻辑通道的选项,RTO/RTE更能观察Qi系统组件的互动,使它成为一个分析与检测的好伙伴。
在这篇文章里,我们将对RTO/RTE测量Qi系统的能力进行评估,看看在那些测量项目上更能够发挥RTO/RTE示波器的独特性能。
[p]
7 测量设置
要启动发射/充电平台(BQ500211EVM-054),我们需要供应至少19V直流电源而功率不少于10瓦,例如惠美的HMP2020 (或任何一台HM8000系列)的直流电源。供电后,初级与次级线圈的交互效应,可以通过高阻抗探头观察。也可以使用近场(Near Field)探头或逻辑通道(MSO)进行更深一层的测量。如果要模拟系统的充电机制,我们也可以在接收/移动设备(BQ51013AEVM-765)的5V Vout输出点接上一个负载开关,消耗充电功率,以对整个系统控制环的反应与特征作进一步的认识。


要对Qi系统的性能与特性更加了解,可以通过不同的方法。从测试和测量的角度来看,确保Qi系统在标准规范内运行十分重要。设备的兼容性取决于其射频信号的模拟特性,因此其LLC半桥谐振电路一定要检测。
最直接的测量就是通过高压高阻抗探头,对没有接收器的初级线圈进行测量。通过RTO/RTE示波器的FFT变换,我们可以得到该波形的频谱。测量显示,该LLC电路的谐振频率约140 kHz并包含240 Hz的偏差。

图8. LLC半桥谐振电路在下半桥的波形及频谱
相同的,我们也可以观测LLC半桥开关管的电压,计算波形占空比和侦测其谐波干扰图9。此外,评估电板也设有I_Sense测量点以方便共振电流的测量。

图 9. LLC下半桥开关管的测量
LLC半桥电路的3.3V电源是透过低功耗压稳器把19V的总电输入调节而成。该调压器(TPS54231)具有固定的570 MHz开关频率。透过近场探头,可以查探调压器开关机制产生的电磁干扰(EMI)。RTO/RTE的FFT功能把捕获的电磁波转换成频谱图,让工程师更容易的针对组件电磁干扰的产生与影响范围进行定位和扫描。

图10. 使用近场探头找出EMI干扰

图 11. RTO/RTE的FFT功能分析EMI频谱

图 12. 源自发射控制组件的31 MHz电磁干扰

图13. 打开余辉显示对3.3Vcc电源做FFT分析
[p]
在测量发射控制组件的VCC供电时,之前在调压器发现的电磁干扰也导入在内。图13的频谱图显示,使用无限余辉捕获到的频谱,除了调压器的开关机制干扰,也观察到了其它噪声。RTO/RTE有独特的历史模式功能,可以把之前捕获到并还留在内存中的波形数据(由于内存容量有限,满了就会把旧的数据删除),回放到示波器显示。这样不但可溯已捕获的数据,更能把不同时间点捕获到的波形进行比较。在历史模式里,FFT频谱、测量、选通和模板测试等功能,都能够操作。图14 显示在不同时间点捕获到的纹波,在时域波形或频谱图上,都有着相当大的差异。这证实噪音会随着时间变化。通过历史模式的时间标签,可能可以把特性相似的噪声建立起相关性,再进一步的查找产生问题的根源。


图14. 两个不同时间点捕获的噪声,通过历史模式,能更清楚分析里面的细节

图15. 发射(充电)平台送出的模拟Ping信号

图16. LLC半桥占空比的变化
发射(充电)平台会在每400ms发出高幅度的模拟Ping的信号,以侦测接收(移动)设备的存在,正如 图15所显示。执行模拟Ping信号时,LLC半桥开关管信号的占空比会从50%下降至2%(图16)。这样的高幅度脉冲似的信号,也相对地引起高幅度的开关噪声。这也是我们在之前3.3VCC电源测量时看到的噪音。


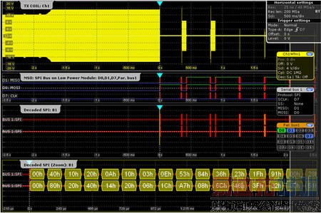
图17. MSO 逻辑通道提供更多的通道检测协议层与模拟信号的相关性
执行模拟Ping信号时,射频控制组件(BQ500210R-GZ)处于被动模式,然后通过低功率组件(MSP430G2001)来进行侦测接收设备的运作,以节省电源。要进一步的研究两个组件间的互动通信,可以选用MSO探头(图17)来测量其间的逻辑讯息。然后透过总线解码或串行解码,来确认通信讯息是否符合标准需求(图18)。

图18. RTO/RTE可以把MSO逻辑信号、解码显示与时域的波形并列在一起
MSO逻辑探头捕获到的逻辑信号,可以再进行解码,再把解码显示、逻辑信号与时域的波形并列在同一个时间轴上,以方便了解信号在时间上的相关性。在图18显示,在发送模拟Ping信号之前,低功率组件会通过连接的SPI总线传达讯息,使其发送模拟Ping信号。

图19. 发射(充电)平台每400ms 发送模拟Ping信号

图20. 每15秒的数字Ping信号
除了每400ms发送模拟ping信号侦测接收器的存在,为了避免模拟Ping信号错过一些在充电平台上的设备,更高幅度的数字求封(digital ping)会在每隔15秒发送出去。这是因为一些设备可能由于模拟Ping信号的不良,需要更高幅度的数字Ping信号,才能分辨出需要作出回应。

图21. 增加示波器捕获时间,可以把模拟ping,数字ping及侦测到接收设备进行握手的执行过程捕捉下来
当接收(移动)设备接近发射(充电)平台时,次级线圈将会对初级线圈形成负载,导致电压的下降。侦测到这种情形,充电平台就会启动发射控制组件,发出更长的数字ping信号,测试接收器的反应。
接收设备收到ping信号,将会通过调节次级线圈的负载,形成振幅调制,进行通讯。一旦达成充电契约,充电平台将调制载波幅度,提供接收设备所需的功率传输,并听取接收设备回馈的充电需求量。
通过HZ100高压差分探头和适当的触发条件,我们可以观察线圈上的信号调制。图22显示了载波信号上的振幅调制通讯。

Qi的振幅调制相比只有载波信号的10%,比较微弱。要不把模拟转换器(ADC)推向过驱动饱和(overdrive)的状态,很难达到更仔细的分辨率(resolution)。RTO/RTE配备了高分辨率(Hi-Res)采集模式,利用抽样采集平均(decimation average)的方法,大大提高分辨率,如图23所显示。

要调解去除载波信号,最简单的方法就是降低采样率,使示波器采样点无法重建载波信号的频率。通过峰值检测的抽样(peak-detect decimation),滤掉高频载波,留下调制的包络范围,就可以如图24一般,呈现基带的波形。放大后,信号的分辨率的引响就变得很明显。

图24. 峰值检测模式,以消除载波信号
RTO/RTE 还有一项独有的功能,就是把捕获到的采样点,进行重采样分解为I/Q的信号,保存为与R&S频谱仪系列兼容的IQtar格式。这样用户就能通过I/Q信号数据,再进一步进行处理,以分析调制信号的细节。由于储存为IQtar格式,因此可以通过R&S其它仪器恢复出相同的信号加以分析。

图25. RTO-K11 IQ 解调 Qi信号

图26. 移动设备打开5V供电后对线圈形成负载

图27. 选通FFT检测频率的瞬态变化
接收(移动)设备贴近充电平台后,须经过沟通与确认,才会打开其供电机制,输出5V直流。供电组件的启动,就算在没有接上电池,也会因本身的负载造成功率消耗。图26下方是5V直流的上升沿,上方线圈波形的变化可以轻易看见。透过RTO /RTE FFT选通功能,在图27我们可以轻易对比线圈信号频谱图在供电打开前后的变化。RTO/RTE可以同时进行四个FFT的分析与选通能力。这有助于观察不同区域的信号并让用户随意地配置FFT显示画面。

Figure 28. RT-ZC10 Current Probe
要检测负载阶跃(Load Step)效果,以模拟充电电池负载到移动设备的供电,可以采用RT-ZC电流探头。供电点接上负载的瞬间会导致电压瞬时下降,因为电流一下子被负载吸收,需要一点时间,电压才能被调制回正常。相同的,一旦负载断开时,电压也相对造成一个尖峰。设计系统时就需根据标准确保电压下垂和过冲不会损坏电路上的组件。图29、30显示了负载阶跃的效果。通道2(绿色)是供电5V,通道3(橘色)是电流,通道1 (黄色)则是线圈波形整流后未经过滤的直流。

图29. 500 mA 负载阶跃导致Vcc供电下垂

图30. 断开负载后在供电断看到的过冲

图31. 拿掉移动设备后,观测线圈与组件的互动
当移动设备被移掉,如图31显示一样,上方的线圈信号因为没了次级线圈负载,信号也因此变强。不再侦测到移动设备的调制回应,一段时间后充电平台将把控制交予低功率控制组件。通过RTO/RTE的逻辑通道与解码,我们可以观测到低功率控制组件开始运作与其对发射控制组件的沟通协议,把系统调整回Ping模式。
8 总结
无线充电设系统近年来深受关注。系统设计比较复杂,因为它涉及嵌入式射频、数字、电源与控制回路设计。通过文章中这一系列的测量设置例子,我们也清楚见证了R&S RTO/RTE示波器的丰富功能特点如何应对Qi测量的不同方面。更重要的是,示波器提供多领域相关性测量,对设计调试过程非常有帮助。RTO/RTE的独特能力,包括它的高捕获率、硬体加速的多重叠FFT 功能、小于0.1显示分割线的敏感数字触发、IQ相位波形采样功能等,使它成为电子工程师必备的良好工具。
上一篇:数字示波器的量化误差对信号保真度的影响
下一篇:示波器FFT功能之电源噪声分析


