示波器的
基础系列之一到之九中我们已就
示波器的“捕获”部分做了解读,内容涉及到示波器的带宽,采样率,存储深度,插值方法,触发,特别捕获模式,量化误差等。这些是基础之基础,理解好这些概念对于操作示波器至关重要。这周起我们来系列解读关于示波器的
测量功能。这个话题显得要简单很多。
示波器的测量包括光标(cursor )测量和参数(parameter)测量。光标测量是从模拟示波器遗传下来的原始的测量工具,它的设置非常方便,对于一些很不规则的波形的测量甚至有不可取代的作用,但是它的测量精确度不高,有很大的操作者误差,不能充分发挥出数字示波器的快速性和准确性特点。参数测量功能的特点是快捷,方便,准确,重复性好,可以一次同时测量8个甚至更多的参数,当屏幕上的波形刷新后可自动重新测量,等。力科示波器在测量方面的一些特点是:
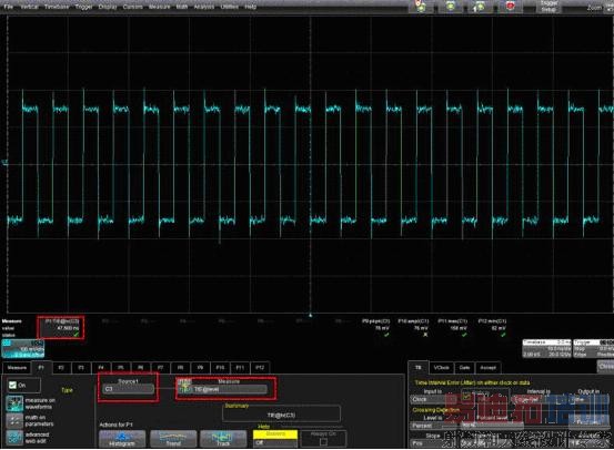
1,测量操作界面的设置非常地清晰、简洁,不管是什么测量参数都只需要一级菜单的设置就能够完成。图一显示的是力科示波器测量TIE参数的设置界面。在“Source1”中设置测量对象是C3,即通道3的波形。(除了对各通道C1-C4的波形作为测量参数,在这个菜单中我们还可以选择保存回调的波形M1-M4,运算后的波形F1-F4,放大后的波形Z1-Z8,数字通道波形D0-D35,眼图等作为测量对象。)在Measure菜单中,选择测量的参数类型为TIE@level,测量的结果实时显示在P1-P12的参数列表中的P1上。在右下边的菜单中对TIE进行详细设置。整个设置风格,人见人爱。

图一力科的TIE参数测量设置界面

图二T公司的TIE参数测量设置界面

图三A公司的TIE参数测量设置界面
图二是T公司设置TIE参数的界面,我们在第四代示波器系列述评中曾介绍了这种风格——独立的第三方的窗口来配置测量过程,最终的测量结果又显示在另外一个第四方的窗口上。这属于弹出一个窗口又一个窗口的弹啊弹的风格类型。仅仅为了测量一个参数就这么辛苦!图三是A公司设置TIE参数的界面。也是浮动的设置窗口遮住的示波器的波形,浮出的窗口上有很多的小按钮,为了正确设置TIE参数,需要将这些小按钮都点一点,否则测量出来的结果可能是错的。对于一些常用的测量参数如周期、频率等T公司和A公司的设置没有这么复杂,但是其测量统计的结果则只能是屏幕上的一个脉冲波形的参数,为了统计这些基本参数的所有显示的波形参数,也必须象测试TIE一样弹出一个又一个窗口!后面的文章中我们将重点介绍这一点。

图四参数列表中的直接说明了参数的含义,光标提供了该参数的形象说明

图五同时测量出12个参数并给出了每个参数的小直方图
2,力科示波器的参数设置菜单中就给出了参数含义的文字说明,更有光标
的帮助标志来解释参数。如图四,在选择测量参数时,每一个参数都有文字解释,如上升时间表示的是,“上升沿10-90%之间的时间间隔”,同时图中可看到有光标在形象表示上升时间是什么含义。
3,第四代示波器可同时测量12个参数,同等的其它品牌示波器最多只能同时测量8个参数。图五中显示出可同时测量12个参数,P1-P12。
4,力科是“测量统计”功能的发明者,力科示波器具有一次性测量屏幕上所有脉冲参数的功能(AIM测量功能)。
5,力科示波器可以同时给出12个测量参数的小直方图,让工程师快速查看参数的稳定性。(Hiticons测量功能)图五所示,同时测量了7个水平参数和5个垂直参数,通过小直方图快速看到宽度是不满足正态分布的。
6,力科示波器和竞争对手的同等示波器相比有最多的测量参数个数,总计多达158种测量参数。譬如SDA760Zi的标配测量参数达到128个,而同等的T公司的DSA70804只有93个,A公司的DSA90604只有59个。
7,力科示波器除了可以对屏幕上所有的波形进行测量外,也可以自动对某一部分的波形进行测量。(Gate测量功能)
8,力科示波器甚至可以测量出一定参数大小范围内的结果。(RQM测量功能)
9,力科示波器的很多型号如WaveRunner MXi系列,SDA系列标配就具有参数之间的运算的功能。
10,力科示波器的很多型号如WaveRnner MXi,SDA系列标配就具有自定义参数的功能。
11,力科示波器具有最快的测量速度,达到了750,000/s的测量能力,比同等示波器快50倍以上。