- 易迪拓培训,专注于微波、射频、天线设计工程师的培养
labview递归调用方法
录入:edatop.com 点击:
递归调用的步骤为:
1.在前面板放置输入输出控件
2.编辑VI图标
3.指定VI连线板的输入输出
4.将VI属性的执行类别中选中可重入执行、在实例间共享副本
5.将VI图标拖放到程序框图中进行程序编写
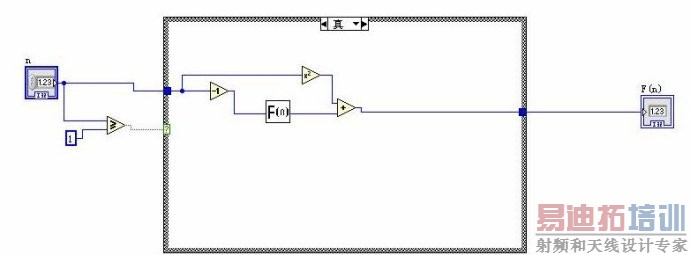
以下面为例显示程序
利用递归调用,实现平方和计算公式:F(n) = n2+(n-1)2+……22+12

上一篇:labview做上位机
下一篇:LabVIEW波形分段显示


