- 易迪拓培训,专注于微波、射频、天线设计工程师的培养
简单双通道示波器VI控件的触发器子VI创建
录入:edatop.com 点击:
触发器子Ⅵ能够根据触发源的不同,对输入的信号进行选择后输出。创建该子Ⅵ的过程和前面的创建过程相同,将创建后的子Ⅵ保存为“trigger.vi”。创建后的触发器子Ⅵ的前面板如图1所示。在前面板添加触发源“Source”、触发电平“Level”、角虫发极性“Slope”、输入信号“Waveform1 h”不口“Wayˉeform2 In”以及输入信号“Waveform1 Out”不日"Waveform2 Out”。

图1 触发器子vl的前面板
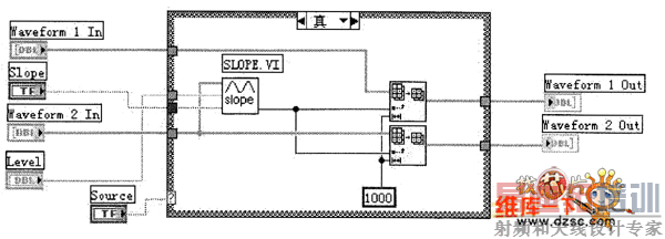
程序功能主要通过程序框图来实现。具体的程序框图如图2所示。图中的主要功能是通过触发源选择开关“Source”对分支选择结构进行分支选择。如果触发源是通道B触发即内触发时,那么输入的信号经过SLOPE.Ⅵ产生信号的序号index。输入分支选择块的两路通道的信号通过“数据子集”函数返回从index开始的长度为1 000的一段信号,并将这一段信号作为输出信号通过触发器子Ⅵ输出。如果触发源是通过外触发(EXT)产生,那么此时直接将输入触发器子Ⅵ的两路信号作为输出信号输出。

图2 触发器子Ⅵ的程序框图
在此程序框图中,用到“数据子集”函数,该函数的主要功能是从输入数组中返回从index开始的长度为length的一段数组。
上一篇:电子示波器的使用方法
下一篇:光线示波器概述


