- 易迪拓培训,专注于微波、射频、天线设计工程师的培养
数字式直流毫伏表
录入:edatop.com 点击:
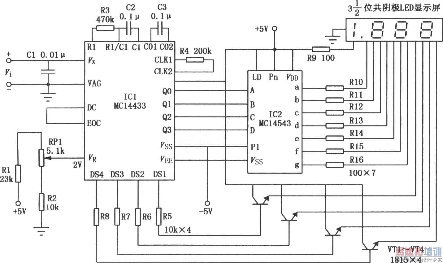
如图所示是一个三位半数字显示的直流毫伏表,具有精确度高、性能稳定及使用方便等优点。它的测量范围为0~1.999mV,测量精度为±1mV。


上一篇:便携式兆欧表
下一篇:具有过量程报警的频率计电路


