- 易迪拓培训,专注于微波、射频、天线设计工程师的培养
调节简单的高输入阻抗双波线性检波电路(RC4558DN)
录入:edatop.com 点击:
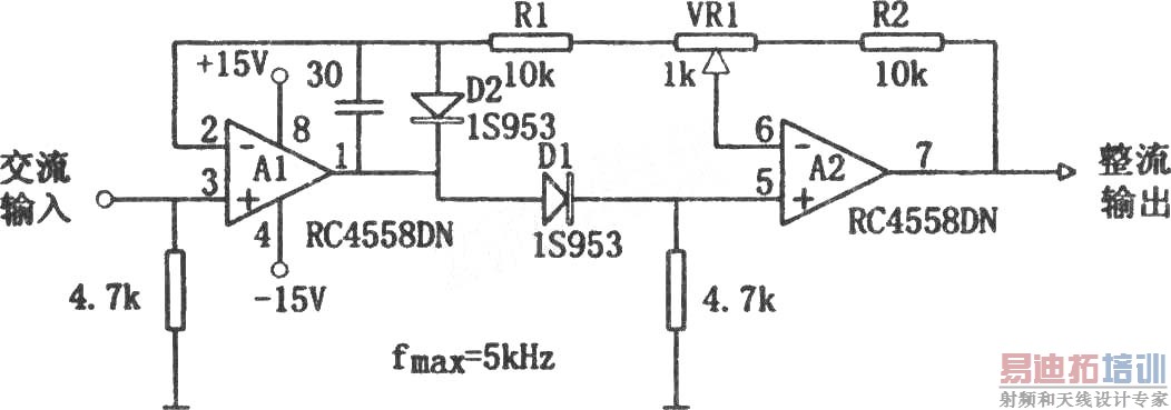
如图所示为调节简单的高输入阻抗双波线性检波电路。该电路通过在运算放大器的负反馈回路上加装二极管来补偿反馈电平Vf移动的非线性。电路不需使用精密电阻,其特点是通过调整VR1的办法即可简单地对正负输入的增益差进行补偿。由于信号从A1的同相端输入,因此输入阻抗高,不会出现非线性失真。在输入交流信号的正半周,A1的输出为正,D1正向偏置而导通,故A2输入亦为正,A2输出也为正,以R2、VR1、R1对A1进行β=1的负反馈,总的来说,变成增益为1的同相放大器。在这种情况下,调整VRl时增益不变。当输入信号为负半周时,A1输出也为负,D1反向偏置,A2输入为0,则A2变成反相放大器。此时A1通过D2进行负反馈,实际上它变成了电压跟随器,A2的反相输入与交流输入电压相同,A2作为增益为1的反相放大器而工作。在这种情况下,调整VR1可改变A2的增益,调整VR1使整体增益为1。


上一篇:环境噪声监测仪
下一篇:放射线检测仪(CD4011)


