• 易迪拓培训,专注于微波、射频、天线设计工程师的培养
首页 > 测试测量 > 技术文章 > 放射线检测仪(CD4011)

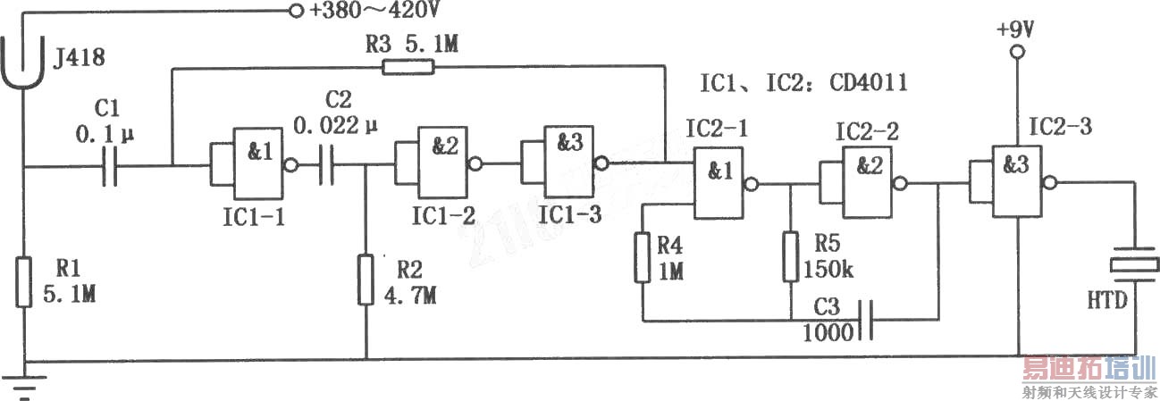
放射线检测仪(CD4011)

录入:edatop.com    点击:
如图所示为放射线检测仪电路。它主要由放射线检测传感器及二输入端四与非门集成电路CD4011等元件组成,可以用来检测α、γ、β和X射线,具有较高的灵敏度。当检测到小剂量的放射线时,检测仪会发出断续的报警声;当检测到剂量大于规定值时,仪器可发出连续的报警声。

点击浏览:矢量网络分析仪、频谱仪、示波器,使用操作培训教程

上一篇:调节简单的高输入阻抗双波线性检波电路(RC4558DN)
下一篇:无变压器乘积检波电路(MC1596G)

微波射频测量操作培训课程详情>>
射频和天线工程师培训课程详情>>

  网站地图