- 易迪拓培训,专注于微波、射频、天线设计工程师的培养
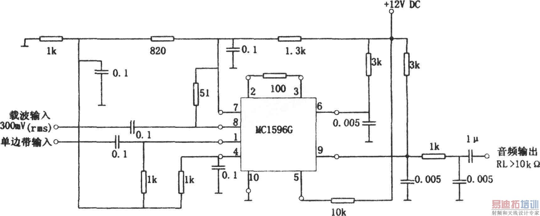
无变压器乘积检波电路(MC1596G)
录入:edatop.com 点击:

如图所示为无变压器乘积检波电路。该电路是利用MC1596G而不是采用LC谐振电路及变压器的乘积检波电路。该电路可用于从低频到100MHz频段较宽的频率范围,即通过改变输出部分的RC低通滤波器的参数。该电路可用于混频器、倍频器及调制器等。
上一篇:放射线检测仪(CD4011)
下一篇:MC1496构成的乘法检波器


