- 易迪拓培训,专注于微波、射频、天线设计工程师的培养
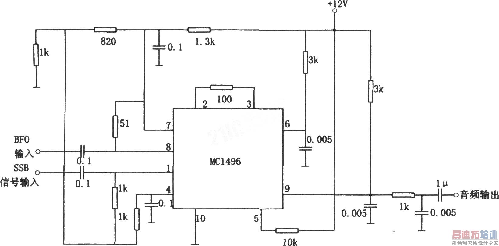
MC1496构成的乘法检波器
录入:edatop.com 点击:
如图所示为乘法检波电路。该电路为单边带调幅信号检波器,其解调原理是将所接收到的单边带(SSB)信号与接收端恢复的发送载波相乘,完成解调工作。图中集成块MC1496为平衡调制和解调器,电路的输出电压是输入电压信号和由载波提供的开关函数的乘积。该电路工作在9MHz中频频率时的灵敏度为3μV,动态范围为90dB。


上一篇:无变压器乘积检波电路(MC1596G)
下一篇:LED显示电子电压表


