- 易迪拓培训,专注于微波、射频、天线设计工程师的培养
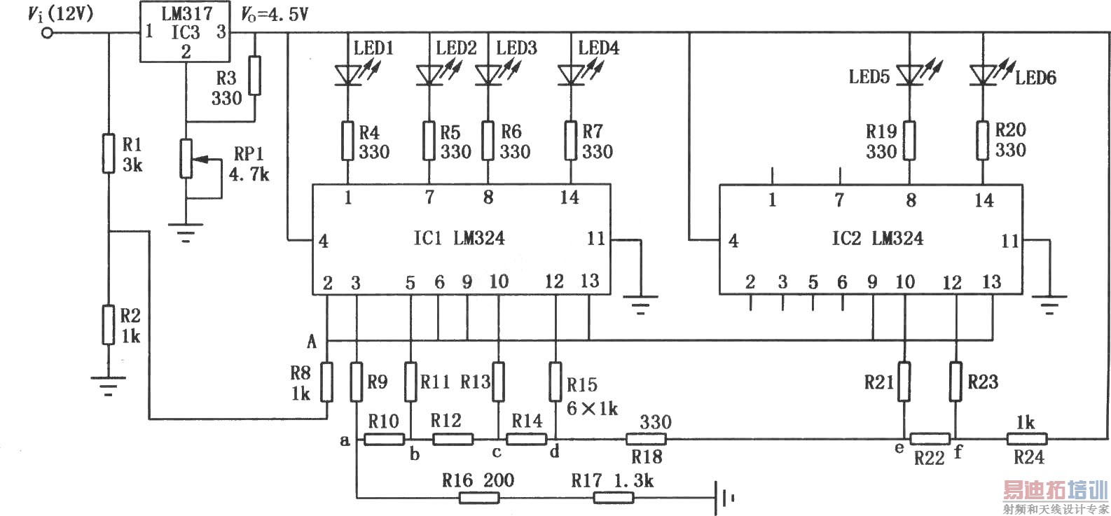
LED显示电子电压表
录入:edatop.com 点击:
本电路主要由6只发光二极管、2只集成电路及一些电阻组成,可根据发光二极管点亮的多少来显示汽车、摩托车或电动自行车蓄电池的电压值,使用起来十分方便。


上一篇:MC1496构成的乘法检波器
下一篇:带宽为10MHz的宽频带线性检波电路


