- 易迪拓培训,专注于微波、射频、天线设计工程师的培养
GPRS技术在配电自动化中的应用设计
摘要:分析了远程抄表系统的组成、硬件配置、软件设计、工作原理、功能以及技术性能。给出了通过下位机和无线收发模块来采集、整理数据,并通过无线MODEM模块经GSM网与上位机进行通信,从而实现水电公司远程抄表功能实现方法。
关键词:无线通信;自动抄表;PTR2000;GSM
0 引言
对于水、电、气供应公司来说,每个月上门抄取各个用户的三表读数是非常繁重的工作。为了避免抄表员上门抄表带来的弊端,省却上门抄表打扰用户的尴尬问题,作者设计了一种远程无线自动抄表系统。该系统能使水、电、气供应部门将安装在用户处的水、电、气表所记录的用量数据通过遥测、传输和计算机系统汇总到营业部门,从而代替人工抄表及一连串后续工作。该系统具有数据采集点多、数据量大、覆盖面广等特点,且系统造价低、经济实惠、数据采集准确及时、又有一定的环境适应能力和抗干扰能力,可对供应公司和用户提供很大的便利,具有良好的市场推广前景。
1 系统的组成及工作原理
该系统主要由数据采集、数据发送、无线通信、数据接收和处理等部分组成。数据采集装置首先通过传感器采集三表的读数,并将采集的数据存入AT89C205l单片机内;之后,单片机再通过无线通讯模块PTR2000 (发端)将数据发送出去,并由用户集中器的PTR2000(收端)接收发送来的数据。下位机主要完成数据采集、分时存储和同上位机的通信功能,它通过串行接口集成电路INS8250和电平转换电路与GSM/Modem相连接,并以GSM公众网为平台,通过电信公众网络传输数据。GSM/Modemt通过GSM的短消息业务发送数据,PC机(上位机)一般设在公司的营业处,它负责整个系统的管理,可在收集到数据后对数据进行整理、存储、显示,并计算出各用户需缴纳的费用。其系统原理图如图1所示。

2 硬件电路设计
2.1数据采集与发送
本系统中的水表要将原水表计数齿轮指针换装成带磁性的指针,再通过传感器进行数据采集;气表要用带信号输出的气表;电表必须采用脉冲式电子电度表,电表脉冲输出的器件应为光耦输出,具有较好的隔离作用。数据采集装置与用户的电表安装在一起。为了防止用户突然断电,其采集装置必须装在空气开关的前端。电表可以通过计数脉冲来测量。并由光电采集头采集电表的计数脉冲。表盘转一圈,光电采集头发出一个脉冲。其输入为P1口的P1.0,并由AT89C2051存储,然后通过PTR2000模块发送数据。
PTR2000模块是一种超小型、超低功耗、高速率(19.2 bps)的无线收发数传MODEM,它采用当代最先进的欧洲“蓝牙技术”,应用全数字科技,并由单IC组合而成且收发合一,工作频段为433~434 MHz,空中数据传输速率为19.2 kbps,工作电压范围为2.7~5.25 V,采用FSK调制,抗干扰能力强,并具有标准的DIP引脚间距,更适合嵌入式设备。当PTR2000的TXEN脚为高时,它将处于发射状态;而当TXEN脚为低时,为接收状态。硬件设计时,可将TXEN与AT89C2051的P1.1脚相连,并通过软件控制PTR2000的状态。其采集和发送电路如图2所示。

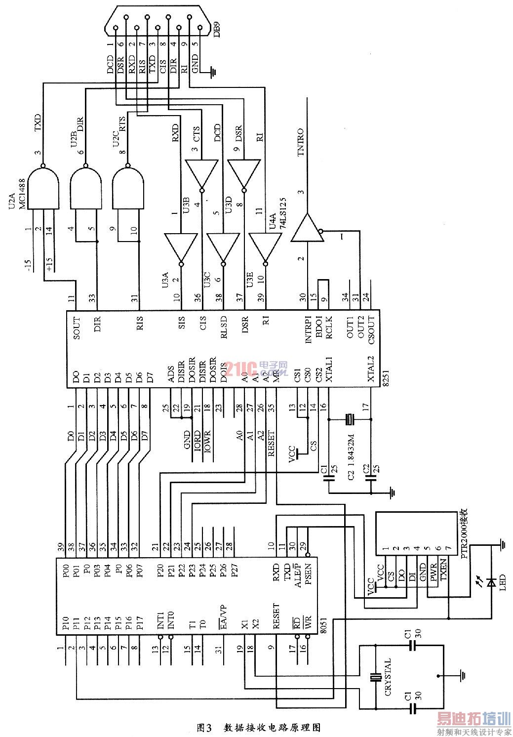
2.2 数据接收和远程无线通讯
通过PTR2000可将数据接收并存入AT89C51内,其中ROM和RAM分别用来存储程序和数据,数据按当时的时间存入相应时段的存储区内,时
段间隔为10分钟。不同日期的同一时段数据仅在相应的存储区内累加。由于采集装置内装有免维护电源,故可保证断电后继续工作,同时保护数据的接收和执行上位机的命令。AT89C5l通过异步接收发送器UART (INS8250)与无线MODEM相连接,可实现与上位机的无线通讯。其数据接收电路原理图如图3所示。

2.3 数据处理
上位机一般通过DDE接口将下位机发送的数据传送到EXCEL工作表中,在EXCEL中定义好报表格式和计量格式,并将文件以模板格式保存,这样,在抄表完成后,系统就能自动将数据填写到相应指定的单元格,然后由EXCEL自动计算,并换算成KWH值和收费值,必要时还可在上位机上打印、显示用户的水、电、气费和各种报表及负荷曲线。当用户负荷超限时也可发出报警信号,或根据公司规定决定,是否发遥控命令给下位机以对用户实行断电处理。还可以计算各个时段的费用,为电力部门实行分时收费提供可靠的依据依据和保证。为了保证数据存储的安全性,本系统的上位机(PC机)采用双硬盘来做数据备份。由于系统带有后备电源,因而停电后能保持正常工作状态。后备电源可保证系统在满负荷工作状态下正常工作36小时以上,若停电时间更长,系统将不会进行数据采集,但原有数据不会丢失,供电恢复后,可重新核查数据,以更新设置用户集中器中下位机存储的数据。
3 软件设计
由于该系统采用的是一点对多点的双向数据传输,因此,每户的表都有自己的地址码。上位机可以查询下位机,下位机也可以定时发送数据给上位机。本系统要实现的目的是一机(上位机)对多机(下位机)的通讯控制,其通讯软件主要分为两部分:一是上位机与下位机的远程通讯软件,二是单片机与GSM/MODEM的串行通讯软件。程序设计的关键是上、下位机间的远程通讯的准确性。在程序设计中,可采用通讯协议的做法,由上位机发出读表指令与地址码,让各个下位机将记录的数据传过来,同时进行校验。以保证数据的正确性。每个下位机都编有不同的地址码,当上位机向所有的下位机发送一个地址码和抄表指令时,所有的下位机都会接收到该地址码,并比较是否与其自身的地址码相同,如不相同,则退出比较,不再接收其他命令;如相同,则表示上位机查询的就是该下位机,同时收回应答信号,并准备接收命令。而上位机则将收回的应答信号与发出的地址码相比较,若不同,则给出错误信息,若相同,则可控制已叫通的下位机。此时已叫通的下位机将继续接收上位机发送的抄表命令。并收集用户的数据,同时通过GSM网络发送给上位机,直到接收到上位机发来的执行完成命令。图4所示是该系统的数据通讯程序流程。

4 结束语
本文介绍的自动抄表系统集计算机、通信技术于一体,并采用先进的无线通讯模块和最成熟、最完善、应用最广的GSM作为数据传输平台。该系统抄数快速准确,彻底解决了人工抄表的所有弊病。其短消息业务具有永远在线、不需拨号、价格便宜、覆盖范围广等优势。还可进一步与银行系统的微机联网,实现费用自动划拨,故大大提高工作效率,因而具有良好的市场前景。该系统目前已投入运行,实际使用证明,其工作性能非常可靠。


