- 易迪拓培训,专注于微波、射频、天线设计工程师的培养
TD-SCDMA室内覆盖方案设计要点
录入:edatop.com 点击:
干放和直放站的原理相同,室内分布系统中,如果干放调测不好,同样存在图1中的情况,即非干放覆盖区会由于受到干放覆盖区的干扰而阻塞。
3.2 干放的联接
TD-SCDMA干放不能串联,原因是串联以后噪声难以控制,容易对基站造成干扰。

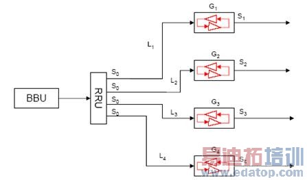
图2 干放并联示意图
如图2所示,干放并联是允许的,但要调节而使每个干放的上行噪声到达基站时基本相同且平衡,不然同样会有上行增益小的干放覆盖区受到上行增益大的干放噪声干扰而阻塞。
3.3 不同情况下干放上下行增益的调节
干放增益调节的原则:
干放的下行增益=上行增益(推荐)。
某些情况下,上下行增益也可以不同,但是差别应控制在5dB以内;超过5dB系统性能会受影响,例如当上行增益小于下行增益多于5dB时,会出现上行覆盖不足的情况。
下面列出了几种情况下干放增益的调节:
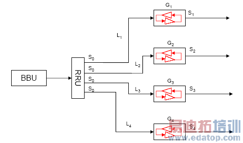
(1)各通道所带干放数量相同时

图3 各通道的干放数相同
作者:黄维恒 来源:移动通信

