- 易迪拓培训,专注于微波、射频、天线设计工程师的培养
开关电源的纹波和噪声
不正确与正确测量的比较
1探头的选择
图11是用AAT1121芯片组成的降压式DC/DC转换器电路及测量正确和不正确的波形图。若采用普通的示波器探头来测量(如图12所示),由于地线与探头组成的回路面积太大(由剖面线组成的面积),它相当于一根"天线",极易受到EMI的干扰,其输出的纹波和噪声电压相当大(见图11中右面的示波器波形图中绿色的纹波和噪声波形)。若采用专用的测量探头(如图13所示),它的地线极短,探头与地线组成回路面积较小,受到EMI干扰极小,其输出纹波和噪声波形如图11右面的红色线所示。这例子说明一般通用示波器的探头是不能用的。

图11 AAT1121电路测量波形

图12 用普通示波器探头测得的波形

图13 用专用测量探头测得的波
2 探头与测试点的接触是否良好
以金升阳公司的1W DC/DC电源模块IF0505RN-1W为例,采用专用探头靠测法,排除外界EMI噪声干扰,探头接触良好时,测出的纹波和噪声电压为4.8mVp-p,如图14所示。若触头接触不良时,则测出的纹波和噪声电压为8.4mVp-p,如图15所示。

图14 电源模块IF0505RN-1W测试波形(接触良好)

图15 电源模块IF0505RN-1W测试波形(接触不良)
这里顺便再用普通示波器探头测试一下,其测试结果是纹波和噪声电压为48mVp-p,如图16所示。

图16 电源模块IF0505RN-1W测试波形(普通探头)
减小纹波和噪声电压的措施
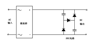
开关电源除开关噪声外,在AC/DC转换器中输入的市电经全波整流及电容滤波,电流波形为脉冲,如图17所示(图a是全波整流、滤波电路,b是电压及电流波形)。电流波形中有高次谐波,它会增加噪声输出。良好的开关电源(AC/DC转换器)在电路增加了功率因数校正(PFC)电路,使输出电流近似正弦波,降低高次谐波,功率因数提高到0.95左右,减小了对电网的污染。电路图如图18所示。

图17 开关电源整流波形

图18 开关电源PFC电路
开关电源或模块的输出纹波和噪声电压的大小与其电源的拓扑,各部分电路的设计及PCB设计有关。例如,采用多相输出结构,可有效地降低纹波输出。现在的开关电源的开关频率越来越高;低的是几十kHz,一般是几百kHz,而高的可达1MHz以上。因此产生的纹波电压及噪声电压的频率都很高,要减小纹波和噪声最简单的办法是在电源电路中加无源低通滤波器。
1减少EMI的措施
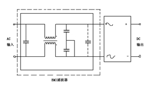
可以采用金属外壳做屏蔽减小外界电磁场辐射干扰。为减少从电源线输入的电磁干扰,在电源输入端加EMI滤波器,如图19所示(EMI滤波器也称为电源滤波器)。

图19 开关电源加EMI滤波
2 在输出端采用高频性能好、ESR低的电容
采用高分子聚合物固态电解质的铝或钽电解电容作输出电容是最佳的,其特点是尺寸小而电容量大,高频下ESR阻抗低,允许纹波电流大。它最适用于高效率、低电压、大电流降压式DC/DC转换器及DC/DC模块电源作输出电容。例如,一种高分子聚合物钽固态电解电容为68μF,其在20℃、100kHz时的等效串联电阻(ESR)最大值为25mΩ,最大的允许纹波电流(在100kHz时)为2400mArms,其尺寸为:7.3mm(长)×4.3mm(宽)×1.8mm(高),其型号为10TPE68M(贴片或封装)。
纹波电压ΔVOUT为:
ΔVOUT=ΔIOUT×ESR (1)
若ΔIOUT=0.5A,ESR=25mΩ,则ΔVOUT=12.5mV。
若采用普通的铝电解电容作输出电容,额定电压10V、额定电容量100μF,在20℃、120Hz时的等效串联电阻为5.0Ω,最大纹波电流为70mA。它只能工作于10kHz左右,无法在高频(100kHz以上的频率)下工作,再增加电容量也无效,因为超过10kHz时,它已成电感特性了。
某些开关频率在100kHz到几百kHz之间的电源,采用多层陶电容(MLCC)或钽电解电容作输出电容的效果也不错,其价位要比高分子聚合物固态电解质电容要低得多。
3 采用与产品系统的频率同步
为减小输出噪声,电源的开关频率应与系统中的频率同步,即开关电源采用外同步输入系统的频率,使开关的频率与系统的频率相同。
4 避免多个模块电源之间相互干扰
在同一块PCB上可能有多个模块电源一起工作。若模块电源是不屏蔽的、并且靠的很近,则可能相互干扰使输出噪声电压增加。为避免这种相互干扰可采用屏蔽措施或将其适当远离,减少其相互影响的干扰。
例如,用两个K7805-500开关型模块组成±5V输出电源时,若两个模块靠的很近,输出电容C4、C2未采用低ESR电容,且焊接处离输出端较远,则有可能输出的纹波和噪声电压受到相互干扰而增加,如图20所示。
如果在同一块PCB上有能产生噪声干扰的电路,则在设计PCB时要采取相似的措施以减少干扰电路对开关电源的相互干扰影响。

图20 K7805-500并联
5 增加LC滤波器
为减小模块电源的纹波和噪声,可以在DC/DC模块的输入和输出端加LC滤波器,如图21所示。图21左图是单输出,图21右图是双输出。

图21 在DC/DC模块中加入LC滤波器
在表1及表2中列出1W DC/DC模块的VIN端和VOUT端在不同输出电压时的电容值。要注意的是,电容量不能过大而造起动问题,LC的谐振频率必须与开关频率要错开以避免相互干扰,L采用μH极的,其直流电阻要低,以免影响输出电压精度。


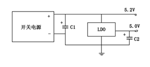
6 增加LDO
在开关电源或模块电源输出后再加一个低压差线性稳压器(LDO)能大幅度地降低输出噪声,以满足对噪声特别有要求的电路需要(见图22),输出噪声可达μV级。

图22 在电源中加入LDO
由于LDO的压差(输入与输出电压的差值)仅几百mV,则在开关电源的输出略高于LDO几百mV就可以输出标准电压了,并且其损耗也不大。
7 增加有源EMI滤波器及有源输出纹波衰减器
有源EMI滤波器可在150kHz~30MHz间衰减共模和差模噪声,并且对衰减低频噪声特别有效。在250kHz时,可衰减60dB共模噪声及80dB差模噪声,在满载时效率可达99%。
输出纹波衰减器可在1~500kHz范围内减低电源输出纹波和噪声30dB以上,并且能改善动态响应及减小输出电容。
上一篇:交换机中的工作原理以及种类的区分
下一篇:安普公司万兆XG光纤小区宽带解决方案


