- 易迪拓培训,专注于微波、射频、天线设计工程师的培养
超微功耗线性稳压器
新型便携式电子产品的线性稳压电源往往采用较低的工作电压,如3.0~3.3v,并要符合尺寸小、压差低 、输出电压精度高、输出电压温度系数小及具有电源关闭功能等要求,其目的是缩小电源体积及延长电池 的工作寿命。下面介绍两种线性稳压器baf033及bal029/030。
1.baf033线性稳压器
baf033是一种超微功耗线性稳压器集成电路。由该器件组成的稳压器有以下主要特点:
①超低静态电流,其典型值为1.1μa;
②压差低,在输出电流io=30ma时,压差小于0.6v;
③输出精度高,最大允差为±2.5%;
④输出电压温度参数低,典型值为±1×10-4(℃)-1;
⑤较好的线性调整率,典型值为0.001v-1;
⑥尺寸小,sot-23封装。
baf033的输出电压为3.3v,最大输出电流为50ma,最大输人电压为10v。用该器件组成的稳压电源,主要 用于工作电流较大的便携式电子产品,如移动通信装置、照相机等。
baf033的内部结构如图1所示。它是由电压基准源、误差放大器、p沟道mosfet及决定输出电压的分压器 电阻r1和r2等组成。
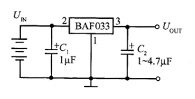
baf033的典型应用电路如图2所示。c1是输入电容,取1μf。c2是输出电容,可根据输出电流的大小取1 ~4.7μf(输出电流大,c2取值大)。一般可由3节碱性电池或5号可充电镍镉或镍氢电池供电。


图1 baf033的内部结构 图2 baf033的典型应用电路
2.bal029/030线性稳压控制器
bal系列是一种低功耗线性稳压控制器。它内部无调整管,故在用它组成稳压电源时,要外接一只pnp型 的功率三极管作为调整管。其特点是使用较灵活,可以根据负载电流大小选择和调整,使输出电流可从几 十毫安变化到1a。
bal系列有bal029及bal030两种型号,其固定输出电压为2.9v及3.0v。这两种器件的特点为:
•静态工作电流低,其典型值为50μa(bal030):
•有片选端,在各用状态时,耗电约0.2μa;
•压差低,负载电流在100ma时,其典型值为100mv(与外接的功率三极管的性能有关);
•输出电压精度高,最大允许差为±2.5%;
•温度系数低,典型值为±1×10-4(℃)-1;
•较好的线性调整率,典型值为0.001v-1;
•尺寸小,sot-23封装。
(1)内部结构及引脚功能
bal系列的内部结构图如图3所示。它由基准电压源、误差放大器、片选控制电路及决定输出电压的分压 器电阻等组成。ext端为外接pnp功率三极管的基极,由误差放大器来控制外接三极管的内阻,使输出电压 保持稳定。ce脚为片选端,此端接低电平(接地)时,电源导通;此端接高电平时(接uin),电源关闭 (各用模式)。uout接外接pnp功率三极管的集电极,vdd接输人电压,gnd是地端。
bal系列为sot-23-5封装,其引脚功能如下:1脚为地(gnd),2脚为输人(vdd),3脚为输出(uout) ,4脚为外接三极管基极(ext),5脚为片选端(ce)。
(2)应用电路
bal系列的应用电路如图4所示。vt为外接的pnp功率三极管;⑤脚(ce)接地,电源正常工作;c1为输入 电容,一般取1μf;c2为输出电容,可根据负载电流,在100~200μf间选取;输入电压udd不大于10v。

图3 bal系列的内部结构图

图4 bal系列的应用电路


