- 易迪拓培训,专注于微波、射频、天线设计工程师的培养
基于高性能单片机的功率直流开关电源的设计
1 引言
直流稳压电源已广泛地应用于许多工业领域中。在工业生产中(如电焊、电镀或直流电机的调速等),需要用到大量的电压可调的直流电源,他们一般都要求有可以方便的调节电压输出的直流供电电源。目前,由于开关电源[1]效率高,小型化等优点,传统的线性稳压电源、晶闸管稳压电源逐步被直流开关稳压电源所取代。开关电源主要的控制方式是采用脉宽调制集成电路输出PWM 脉冲,采用模拟PID调节器进行脉宽调制,这种控制方式,存在一定的误差,而且电路比较复杂[2]。本文设计了一种以ST 公司的高性能单片机μpsd3354 为控制核心的输出电压大范围连续可调的功率开关电源,由单片机直接产生PWM 波,对开关电源的主电路执行数字控制,电路简单,功能强大[3]。
2 功率直流电源系统原理与整体设计
2.1 系统原理
本功率直流电源系统由开关电源的主电路和控制电路两部分组成,主电路主要处理电能,控制电路主要处理电信号,采用负反馈构成一个自动控制系统。开关电源采用PWM 控制方式,通过给定量和反馈量的比较得到偏差,并通过数字PID 调节器控制PWM 输出,从而控制开关电源的输出。其中,PID调节和PWM 输出都由单片机系统采用软件控制。
2.2 系统整体设计
系统硬件部分由输入输出整流滤波电路、功率变换部分、驱动电路、单片机系统和辅助电路等几部分组成。图1为单片机控制功率直流电源结构框图。

图1 单片机控制功率电源结构框图
从图1中可以看到,50Hz、220V的交流电经电网滤波器消除来自电网的干扰,然后进入到输入整流滤波器进行整流滤波,变换成直流电压信号。该直流信号通过功率变换电路转化成高频交流信号,高频交流信号再经输出整流滤波电路转化成直流电压输出[1]。控制电路采用PWM脉宽调制方式,由单片机产生的脉宽可调的PWM控制信号经驱动电路处理后,驱动功率变换电路工作。利用单片机高速ADC转换通道定时采集输出电压,并与期望值比较,根据其误差进行PID调节。电压采集电路实现了直流电压V0的采集,并使其与A/D转换器的模拟输入电压范围匹配,在开关电源发生过压、过流和短路故障时,保护电路对电源和负载起保护作用。辅助电源为控制电路、驱动电路等提供直流电源。
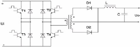
3. 开关电源主电路设计
开关电源主电路是用来完成DC-AC-DC 的转换,系统主电路采用全桥型DC-DC 变换器,如图2 所示。本系统采用的功率开关器件是EUPEC 公司的BSM 50GB120DN2 系列的IGBT 模块,每个模块是一个半桥结构,故在全桥系统中,需要两个模块。每个模块内嵌入一个快速续流二极管。

图2 功率直流电源主电路图
4. 控制电路硬件设计
4.1 控制电路结构框图
功率直流电源的控制电路采用ST 公司的μpsd3354 单片机为核心。控制电路主要完成如下功能:电压采集、A/D 转换、闭环调节、PWM 信号产生,IGBT 驱动与保护、键盘输入和输出电压显示等功能。控制电路主要包括:单片机系统、电压采集电路、IGBT驱动电路和键盘、显示电路等。结构框图如图3 所示。系统通过PWM 输出控制功率转换开关的导通与关断时间,完成对输出电压的稳定控制,通过A/ D 转换完成对开关电源输出电压的采样,同时采用电压闭环控制,开关电源工作时,根据期望值与电压反馈值的偏差,由单片机实现对PWM 占空比进行PID 调节。

图3 控制电路结构图
来源:电源世界
上一篇:多媒体视像会议中音视频矩阵的用途
下一篇:VLAN实验:三层交换原理


