- 易迪拓培训,专注于微波、射频、天线设计工程师的培养
基于ADSP-TS201S的 像采集处理系统
DSP处理器阵列模块中DSP1是用来整理所收集到的视频信号,并进行相应的预处理后,将数据分发送到后面的DSP,进行进一步的处理。
DSP1并行口应接FPGA输出的视频数据,还要接FLASH,完成DSP加载。DSP1的IRQ0,IRQ1分别作视频输入的帧中断和行中断,接到FPGA。其连接电路如下图3所示。
FLASH选用AMD公司的AM29LV017D,为2M×8Bit的存储器,可通过DSP1对FLASH编程,要保证在FLASH读写时,FPGA的数据输出总线D0~D13为高阻,反之,在数据通道运行时,也应使FLASH输出为高阻,故用BMS来选片FLASH。

图3 DSP1与FPGA,FLASH 连接图
DSP处理器阵列模块中DSP2和DSP3是用来实现图像处理中的主要算法。DSP2和DSP3分别用链路口与DSP1连接,接收由DSP1传送来的数据,DSP2和DSP3也分别用链路口连接DSP4,通过链路口将处理的数据传送给DSP4,进行下一步处理和数据整理。另外,DSP2和DSP3也直接采用链路口连接,实现DSP2和DSP3之间的通道,从而可以方便地将DSP2和DSP3配置成流水线或并行处理模式。
DSP处理器阵列模块中DSP4接收DSP2和DSP3发送来的数据,进行进一步处理后,将最后处理的数据通过数据总线发送到双端口RAM,通过PCI接口芯片PCI9054,将数据发送给PC机。该双端口RAM采用3片IDT70LV27(32K x 16-Bit),组成96K x 16-Bit方式,保证一次写完一帧(320×240个象素,每个象素两个字节),当DSP4写满一帧图像数据后,向PC机产生中断,请求PC机将数据读走,当PC机读取完一帧图像数据后,应提供相应的应答,允许DSP4刷新双口RAM。DSP阵列机互连电路如图1所示,DSP4与双口RAM的连接如图4所示。DSP4接3片双口RAM,与PCI9054形成接口。DSP4的FLAG0作为通过PCI9054输出的视频传输握手信号。
ADSP-TS201S阵列机采用链路口互连方式,在主要的数据传输方向设置了数据传输启动FLAG信号到接收方的IRQ产生中断,以便更好的实现时序的匹配。
DSP1引入了工作/关闭选择(FLAG1输入),数据模式(数字/模拟)选择由DATA14引脚读入,可以在一帧数据开始输入时,读入一次数据选择模式,此后就可以不再处理了。

图4 DSP4与双口RAM接口
·PCI接口模块
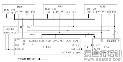
PCI接口采用PLX公司的PCI9054接口芯片,32位,33MHZ数据总线。RAM1,2,3三片双口RAM(IDT70LV27)作DSP4数据输出缓存。由PCI9054读入到PC机。在双口RAM内,相当于右半边接口,PCI9054其电路连接如图5所示。PCI9054对应着PCI槽的信号,按PCI槽名称对应连接,加载EEPROM选用93CS66。 将LD0~LD3引入到FPGA内,可以单次I/O写方式,输出4位状态,作主机控制。开、关机,数字视频/模拟视频选择以A16~17的译码之一作地址选择。FPGA读入后,译码成控制信号输出。

图5 PCI9054与双口RAM,FPGA连接
结语
基于ADSP-TS201S的图像采集处理系统能够完成图像的高速处理,实现图像的实时显示,目标跟踪。在实际应用中该系统工作稳定,达到预想效果。


