- 易迪拓培训,专注于微波、射频、天线设计工程师的培养
关于放大器不受基本增益带宽积的电流反馈运放电路
数据表上指定的最常用的电阻是针对增益为2的放大器。然而,你可以从图2中看到,你最终使用的实际数值有很大的灵活性,在数据表中所推荐的数值是在性能表和曲线中公布的规范所使用的数值。
如图3所示,对于增益为5的放大器,RF下降到200Ω。该增益设置电阻现在仅仅是50Ω,所以我们获得的输入缓冲电阻和增益设置电阻的值相近。这就降低了运放的闭环互阻抗,并将随着增益的提高而开始限制带宽。在增益为8时,我们要把反馈电阻提高到275Ω。对于更高的增益,一旦不能降低反馈电阻来提高增益,带宽将受到损失,而且放大器开始呈现电压反馈放大器的特性。
电路板的布局
一般来说,在电流反馈放大器或高速器件的应用中,要仔细考虑的事情之一就是电路板的布局设计。表面安装的陶瓷电源旁路电容要非常靠近该器件,典型距离小于3mm。如果需要更大的电容,可以在电路板上较远的地方布置电解电容。电路板上常常有电压调节器,这时,在电压调节器供应商推荐的电解电容之外,不必要采用额外的电解电容。
布置在放大器附近的小陶瓷旁路电容为放大器的高频响应提供能量。根据放大器的速度和被放大的信号速度,可能要采用两个数值大约相差10倍的陶瓷电容。例如,一个400MHz的放大器可能采用并连安装的0.01uF和1nF电容。
当购买电容时,核查其自谐振频率至关重要,自谐振频率在此频率(400MHz)上下的电容毫无益处。地和电源层有助于为地电流和电源电流两者提供低的阻抗路径,在放大器的输入和输出引脚以及反馈电阻的下面,要避免走地和电源层,这样做有助于通过减小不想要的寄生电容来维持放大器的稳定性。
要在可能的地方尝试采用表面贴装器件,这些器件提供最佳的性能并占用的电路板空间也最小。电路板的布线应该保持尽可能地短,并应该调整其长宽以最小化寄生效应。在电源布线上,最坏的寄生特性是直流电阻和自感,所以电源布线要尽可能地宽。另一方面,输入和输出连接线常常承载非常小的电流,所以容性寄生效应对它们的危害最大。对于超过1cm的信号路径,最好采用受控阻抗和两端终接(匹配电阻)的传输线。
因为无法避免小量的寄生负载,电流反馈放大器的反馈电阻为特殊应用提供调整放大器性能的灵活性。面对真正具有挑战性的电路板设计,即使采用非常大的反馈电阻可能也是不够的。
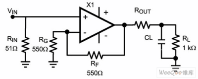
驱动容性负载

图4:利用串联输出电阻实现对容性负载的隔离
如图4所示,通过引入一个电阻(ROUT),放大器几乎可以驱动任何大小的电容而没有稳定性问题。这是电压和电流两种反馈放大器常用的技术,当驱动高速模/数转换器时,该技术特别有用。ROUT电阻被放置在运放和容性负载(即ADC)之间。只要电路板空间允许,要把电阻靠近放大器放置。

图5:LMH6738推荐的ROUT与容性负载的对比
在图5中,图表上的曲线显示了根据电容大小建议的ROUT电阻数值。该图表是根据1kΩ的阻性负载绘制的。如果RL的数值较小,ROUT也可以更小。另一个选项是把ROUT放在反馈环之内(图中没有标出)。你可以把RF连接到隔离电阻的输出侧,而不是图中ROUT和放大器之间用RF连接。这样做将保持增益的精度,但是跟在其它例子中一样,你将仍然在隔离电阻上损失相同大小的电压摆幅。尽管该技术确实有其缺陷,但应该这样实现。
因为电阻和电容形成一种低通滤波器,对于这种电路的应用,存在某种带宽的损失。实际应用表明,无论电阻阻值多大,电容越大就越难驱动,并降低带宽。
降低系统噪声
如果你正在构建一种IF放大器或低频RF放大器,那么把噪声最小化就特别重要。利用电流反馈放大器,增加反馈电阻常常能减小系统的噪声,这是因为频率响应衰减得比电阻噪声的上升要快。
为了减小跟随放大器电路的那部分噪声,非常重要的一点是仅仅采用必需的带宽,而不要选用超过应用需求的带宽。除了采用反馈电阻的最佳数值之外,你可以给电路添加附加的滤波电路。
利用Sallen-Key滤波器拓扑,滤波器常常可以被恰当地合并到放大器的反馈网络中。如果可能的话,交流耦合将有助于消除低频噪声,那常常就是所谓的1/f噪声,目标是滤除在你的放大带宽之外的所有噪声。从系统的层面考虑,要求在电路中尽早布置最低噪声和最高增益的模块。你提高增益越早,其后噪声对你的信号的影响就越小。如果可能的话,要避免大的信号源电阻,电阻增加的热噪声与电阻值成正比。
电压反馈放大器的优势
如果比较电流反馈和电压反馈两种放大器,你会发现电压反馈放大器在某些方面可能具有一定优势。利用电流反馈拓扑,输入偏置电流并没有系统地匹配。正相输入比反相输入阻抗更大—通常具有更低的输入偏置电流。反相输入偏置电流通常将比较大,如果偏置电流必须流过大阻值的电阻的话,这样做可能导致输入电压的偏移。
在电流反馈器件上的偏移电压可以被匹配并使之相当小,但从系统的观点看,它们不可能完全为零。所以,虽然典型的电流反馈放大器的偏置电压可以被设计得非常好,但是它将随着正常的工艺批号及温度而变化比较大。如果需要非常高精度的输入偏置电压,那么电压反馈放大器通常是比较好的选择。
电流反馈放大器的缓冲器配置需要一个反馈电阻,而电压反馈放大器可以采取直接短路连接。这样做通常没有问题,除非在设计中取代现有的电压反馈放大器。最后,在电流反馈放大器的反馈环路中,电容会引起不稳定性。一些常用的电路拓扑不适合于电流反馈放大器,对于大多数这些电路,需要重新设计电路板,以使之满足电流反馈放大器工作的要求。
来源:维库开发网
上一篇:如何处理好布线系统中线缆的选择与采购
下一篇:智能视频源自计算机视觉技术


