- 易迪拓培训,专注于微波、射频、天线设计工程师的培养
基于MCS-51单片机的断相与相序保护系统的设计
摘 要:本文介绍了一种简单实用的数字式断相与相序保护技术的原理,给出了基于MCS—51单片机的断相与相序保护数字控制系统的硬件电路及简单软件介绍,实现了三相交流控制系统高效、安全可靠地运行。
1 引 言
断相与相序保护是较大功率三相交流电动机及不可逆转传动设备中的交流电机起动设备中不可缺少的部分,通常使用模拟的断相与相序保护继电器,随着数字技术,尤其是微计算机技术的发展,数字式断相与相序保护技术就成为现实,它具有体积小、能耗低、准确可靠、便于计算机控制系统接口的优点,并逐渐成为三相交流电动机起动保护的主流。
2 断相与相序保护系统简介
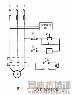
2.1 三相交流电动机控制系统
三相交流电动机电源控制回路如图2—1所示。按下QA按钮,若电源A、B、C三相正常时,电动机就能正常起动工作;若三相电源中任何一相熔断器开路或供电电源与原认定相序错相时,控制系统发出报警信号,切除CJ主回路电源,三相交流电动机不能起动,从而达到保护设备的目的。

2.2 数字式断相与相序保护技术的原理
如图2—2所示电路,三相交流电源A、B、C经降压模块处理后输出三相交流电A′、B′、C′,分别经过三组比较器后,在输出端a、b、c三点可以得到对图2—3所示,同一时刻读取a、b、c三点的状态,就可获得一组数据;同样,把三组交流电源A、B、C作各种不同状态组合,同时读取各点的状态,也能得到一组组编码,把这些编码列成表如表2—1所示。通过上述的分析过程,对各种状态下的编码进行组合、比较,可以发现它们之间的规律:相序正常(为ABC)时,编码110011101重复出现;错相时,编码为110101011;若断相时,既不能得到110011101的编码,也不能得到 110101011的编码,这就为我们正确处理断相与错相提供了理论依据,因此用数字电路可以很方便地来实现这一功能。

2.3 电路实现及工作过程
a.由于整个系统结构比较简单,因此本系统在8031单片机最小应用系统的基础上增加信号处理这部分电路(如图2—2所示电路)实现的,若应用中还有其它功能,可以很方便地加以扩展。

b.工作过程:
上电工作时,首先进行初始化,CPU响应中断后,对244进行采样,每隔3.3 ms读一次数据,读到110时,放入指定内存,再连续读入二次数据,CPU把这三次采样到的数据与标准编码110011101和110101011进行比较,采样到的数据与编码110101011相符时,此时三相电源一定错相,若与上述两种标准编码都不相符时是断相,对这两种情况的处理,CPU发出报警信号,切断主回路电源,电机不能起动。若采样到的数据与编码110011101相一致时,说明三相电源正常,CPU发出接通信号,电机起动;当电机正常起动后,可以根据实际情况重新设定采样时间,CPU可以按设定时间或者3.3 ms重复进行采样、判断,防止工作过程中的断相与错相,达到准确、可靠地保护设备的目的。
3 结束语
本文介绍的数字式断相与相序保护技术原理简单,实用性强,很容易地与其它数字控制系统连接使用,我们用此方案成功地完成了微型计算机控制的软起动器的断相与相序保护,取得了满意的效果。
来源:维库开发网
上一篇:C2H技术在视频监控系统中的应用
下一篇:布线系统故障定位技术


