- 易迪拓培训,专注于微波、射频、天线设计工程师的培养
LM2576在MCU电源设计中的应用
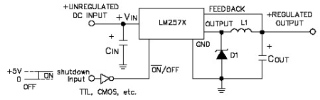
LM2576的内部框图如图1所示,该框图的引脚定义对应于五脚TO-220封装形式。
LM2576内部包含52kHz振荡器、1.23V基准稳压电路、热关断电路、电流限制电路、放大器、比较器及内部稳压电路等。为了产生不同的输出电压, 通常将比较器的负端接基准电压(1.23V),正端接分压电阻网络,这样可根据输出电压的不同选定不同的阻值,其中R1=1kΩ(可调-ADJ时开路), R2分别为1.7 kΩ(3.3V)、3.1 kΩ(5V)、8.84 kΩ(12V)、11.3 kΩ(15V)和0(-ADJ),上述电阻依据型号不同已在芯片内部做了精确调整,因而无需使用者考虑。将输出电压分压电阻网络的输出同内部基准稳压值 1.23V进行比较,若电压有偏差,则可用放大器控制内部振荡器的输出占空比,从而使输出电压保持稳定。
由图1及LM2576系列开关稳压集成电路的特性可以看出,以LM2576为核心的开关稳压电源完全可以取代三端稳压器件构成的MCU稳压电源。
2 LM2576应用举例
2.1 基本应用设计
由LM2576构成的基本稳压电路仅需四个外围器件,其电路如图1所示。
电感L1的选择要根据LM2576的输出电压、最大输入电压、最大负载电流等参数选择,首先,依据如下公式计算出电压·微秒常数(E·T):
E·T=(Vin - Vout)×Vout/ Vin×1000/f?? (1)
上式中,Vin是LM2576的最大输入电压、Vout是LM2576的输出电压、f是LM2576的工作振荡频率值(52kHz)。E·T确定之后,就可参照参考文献所提供的相应的电压·微秒常数和负载电流曲线来查找所需的电感值了。(下图为:图三)


该电路中的输入电容Cin一般应大于或等于100μF,安装时要求尽量靠近LM2576的输入引脚,其耐
压值应与最大输入电压值相匹配。而输出电容Cout的值应依据下式进行计算(单位μF):
C≥13300 Vin/ Vout×L (2)
上式中,Vin是LM2576的最大输入电压、Vout是LM2576的输出电压、L是经计算并查表选出的电感L1的值,其单位是μH。电容C铁耐压值应大于额定输出电压的1.5~2倍。对于5V电压输出而言,推荐使用耐压值为16V的电容器。
二极管D1的额定电流值应大于最大负载电流的1.2倍,考虑到负载短路的情况,二极管的额定电流值应大于LM2576的最大电流限制。二极管的反向电压应大于最大输入电压的1.25倍。参考文献中推荐使用1N582x系列的肖特基二极管。
Vin的选择应考虑交流电压最低跌落值(Vac-min)所对应的LM2576输入电压值及LM2576的最小输入允许电压值Vmin(以5V电压输出为例,该值为8V),因此,Vin可依据下式计算:
Vin≥(220Vmin/Vac-min)
如果交流电压最低允许跌落30%(Vac-min=154V)、LM2576的电压输出为5V(Vmin=8V),则当Vac=220V时,LM2576的输入直流电压应大于11.5V,通常可选为12V。
2.2 工作模式可控应用设计
LM2576的5脚输入电平可用于控制LM2576的工作状态。5脚输入电平与TTL电平兼容。当输入为低电平时,LM2576正常工作;当输入为高电平时,LM2576停止输出并进入低功耗状态。图3是LM2576的工作模式可控电路原理图。
图3中,下拉电阻可保证MCU-CON控制端为低时LM2576的正常工作。Shutdown Input的控制端信号来自MCU,该端为低电平时,LM2576停止输出,系统进入低功耗状态。当为该端为高电平时,三极管导通会使LM2576重新工 作。设计时保证当MCU-CON控制端为高电平且三极管导通时,电阻R不至于因过流而损坏MCU的输出控制端。
结束语
经实际使用证明,采用LM2576系列开关稳压集成电路作为MCU稳压电源的核心器件不仅可以提高稳压电源的工作效率,减少能源损耗,减少对MCU的热损 害,而且可减少外部交流电压大幅波动对MCU的干扰,同时可降低经电源窜入的高频干扰,这对保障MCU的安全和可靠运行能起到事半功倍的作用。


