- 易迪拓培训,专注于微波、射频、天线设计工程师的培养
小巧的数字显示频率计、转速表
这是一款体积非常小巧的电子制作,但是功能异常强大,可以非常容易地嵌入安装在仪表面板上,适合爱好者自制或用于改造老式仪表。
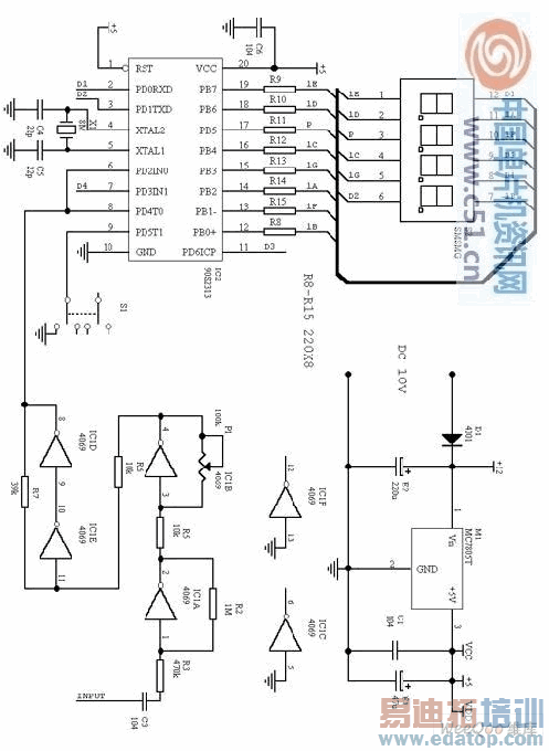
电路仅用了两块集成电路,CD4069用于小信号的放大和整形,AT90S2313则是一块精简指令的高速单片机,它在8M时钟下的性能超过了51系列在100M时钟下的性能,在电路中担任测量、运算和显示驱动。大多数的数显频率计采用一个"秒闸门"计数,因而在低频时测量误差加大,也无法显示小数,而本电路采用了脉冲宽度和密度双重测量技术,辅以高速浮点运算,因而测量精度高,并能自动转换量程,显示小数。例如测量的结果可能是 0.543,261.4等等,利用它测量交流电频率,你可以看到结果一般在 49.82-50.17 之间缓慢变化,因此本电路非常适合装在发电机、配电房里作交流电的频率显示。
电路还具有转速测量功能,用一个拨动开关转换。加上霍耳、光电、电磁等传感器就可以测转速,测量结果同样精确迅速,如果加上一个适当的信号整形电路,你甚至可以直接在汽油机的点火高压线旁边取信号,测量摩托车、汽车的发动机转速。
信号从C3处加入,如果是低频或低速信号,跳过C3输入会更有效,可调电阻P1用来调节测量的灵敏度,S1用于频率-转速的测量转换,显示用的是一只0.56英寸的4位LED共阴数码管。

技术指标:电源电压 8-15V直流
电源电流 100mA
输入灵敏度 100mV-5V
输入阻抗 500KΩ
测频范围 0.4-1000000Hz
测速范围 20转/分-1000000转/分
注意事项:
1.因为输入阻抗较高,所以要注意防干扰,必要时可降低输入阻抗。
2.电容C3用于隔直流,当测量低频或低速时,跳过C3输入会更有效。
3.在测量强电时,要加隔离,并注意防干扰屏蔽。
4.直接从汽油机点火高压线边取感应信号测量发动机转速时,要加一合适的信号整形电路,同时也要注意防干扰。
5.由于使用4位数码管,因此只能显示4位有效数字,超过 9999 的结果,只保留高4位有效数字,用数字后面的小数点的个数表示倍率。如"6666"表示6666,"6666."有一个小数点,表示6666X101,"666.6."有两位小数点,表示6666X102,以此类推,但数字中的小数点表示真实的数字,不适用此法,如"50.12"。
6。电路启动时显示"0.0.0.0.",因此如果使用中频频出现"0.0.0.0.",表示环境干扰大,应该给电路加屏蔽。
来源:维库开发网
上一篇:无输出变压器OTL电路的应用
下一篇:IPv6与流媒体传输在互联网的应用


