- 易迪拓培训,专注于微波、射频、天线设计工程师的培养
多通道电子分频放大器的制作
自从数字技术进入音频领域,音源和输入系统的音质得到了很大的改善,前置放大器变成几乎只是音源选择开关和音量电位器的简单东西。但与此相反,输出系统却与模拟时代时一样变化不大,其原因因主要是扬声器的 原理并无大变。由于声频范围宽至九至十个倍频程,要使扬声器的振动系统在如此宽的频率范围内,完全线性地按照电信号振动十分困难,再要求具有线性的声辐射 特性.几乎是不可能的。
一个解决的途径是把声频范围分成数段.再用数只扬声器分段放音,这即是多扬声器系统,常见的是二单元和三单元系统。但是分割频带需 要分频网络,一般是在功率放大器和扬声器之间插入 L 、 C 滤波器。 由于扬声器并非纯电阻成分,给分频器的设计带来困难,不易得到良好的性能;且优质的分频器需要选用优质的电感器和电容器,价格不菲。
此外,由于各种扬声器 的效率不同 ( 高音扬声器比低音扬声器约高 6 分贝 ) ,为了平衡整个频带的声压,需要在分频器中插入衰减器,以降低高效率扬声器的电平.其结果是整个扬声器系统成为几个最低效率扬声器的组合。
为了改变这种情况,产生了多通道放大器方式。
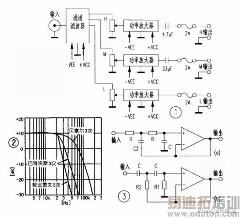
在前置放大器之后用有源滤波器分割频带,各频段有自己的功率放大器和扬声器,各频段的电平在各功率放大器之前用电位器调整。这种方式的优点是显而易见 的,它取消了前述 LC 网络,又能有效地利用各个扬声器的效率;同时,也降低了对功率放大器的频率要求,输出功率也可以小一些;这种结构示于图 1 ,其关键电路是有源滤波器。

滤波器有低通、高通、带通滤波器以及带阻滤波器。低通滤波器容许从零频至其截止频率的分量通过 ; 而阻止高于截止频率的分量;高通滤波器阻止低于其截止频率的分量,而容许高于它的分量通过:带通滤波器容许界于其低截止频率和高截止频率之间的频率分量通 过,而阻止这一频率范围外的所有频率分量。
使用运算放大器的有源滤波器可以取消电感元件,并能获得电压或电流增益。按滤波器截止特性不同可分为贝塞尔型、契比雪夫型和巴特沃斯型.其特性曲线见 图 2 ,主要表现在截止频率附近.贝塞尔型下降缓慢,契比雪夫型下降陡峭,而巴特沃斯型界于二者之间。截止特性通常用 l 倍频程的衰减量为多少分贝来表示,二阶滤波器的每倍频程衰减量为 12 分贝,三阶滤波器为 18 分贝.图 3 是标准的巴特沃斯二阶有源滤波器。图 3a 为低通滤波器,其计算公式如下:

来源:维库开发网
上一篇:软开关PFC电路的倍频感应电源
下一篇:采用LVDS高速串行总线技术的传输方案


