- 易迪拓培训,专注于微波、射频、天线设计工程师的培养
基于TPS65137设计的有源矩阵OLED电源技术
录入:edatop.com 点击:
本文介绍了TPS65137主要特性,方框图以及典型应用电路。TI 公司的TPS65137 是有源矩阵 OLED (AMOLED)电源解决方案,包括一个采用LDO作为后稳压器的升压转换器,输入电压从2.3V到5.5V,具有极好的线瞬态稳压功能,输出电压精度1%,低噪音,输出电流200mA,固定4.6V正输出电压,数字可编程负输出电压可低至-5.2V,具有短路保护和热关断,主要用在有源矩阵 OLED(AMOLED)。
TPS65137应用:
Active Matrix OLED Power Supply

图1。TPS65137功能方框图

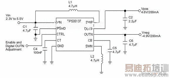
图2。TPS65137典型应用电路图
来源:维库开发网
上一篇:工频机全桥逆变器UPS输出变压器的功能
下一篇:浅谈通信系统的供电架构


