- 易迪拓培训,专注于微波、射频、天线设计工程师的培养
工频机全桥逆变器UPS输出变压器的功能
一、问题的提出
UPS已朝高频化发 展,因为高频化结构的UPS具有很多优点,比如它比目前所谓工频机结构UPS的效率高、体积小、输入功率因数高、允许输入电压变化范围大、不需要输出隔离 变压器和价格低等,是当前信息中心机房节能高效的理想选择。但由于高频机结构UPS相对于工频机UPS而言,制造困难,对制造工艺、生产手段要求较高,一 般手工方式很难实现规模化和一致性。因此,也就推迟了工频机UPS的"退休"时间,再加之工频机UPS不论对一般生产者还是一些用户而言都有些恋恋不舍。 以手工为主要生产方式的厂家一时还很难上规模,再加之这两方面个别的也存在一些误解,使工频机UPS不能顺利代之以高频机UPS。比如对输出隔离变压器的 误解就是一个例子。由于高频机结构UPS取消了用漆包线绕在矽钢片铁心上这种方式的隔离变压器,而工频机UPS就没取消,反而成了工频机结构UPS的优 点。这就引出了好多不能取消这个变压器的说法,比如说这个变压器:
* 可以在逆变器故障时切断直流电压到负载的通路,防止负载损坏,
* 可以抗干扰,
* 可以缓冲负载端的短路和突然变化,
* 可以提高UPS的可靠性,
* 可以耐电网电压的大范围变化,
等等。将它的作用说得神乎其神,几十年都没发现的这些变压器"特点"在即将被淘汰时突然被发掘出来了。实际的情况如何呢?在这里不妨将这些所谓特点逐条加以讨论。
二、工频机结构全桥逆变器UPS输出变压器的必要性
1.工频机UPS输出变压器的功能
在上个世纪七十年代,由于半导体器件的水平和品种所限,比如通流能力小和耐压能力差,不得不在输入端加一个降压变压器,经逆变器后再把电压升上去,如图1所示。所以

这种早期的工频机UPS输入端是降压变压器,输出端是升压变压器;另一个特点是输入整流器和后面的逆变器都工作在工业频率,即50Hz(或60Hz)。 在一些中小功率UPS中,输入整流器和充电器是分开的。这主要是因为在这些UPS中的输入整流器都是采用的没有任何调整能力的整流二极管,而电池电压的电 平必须是稳定的,需要严格控制的,所以一般需另设具稳压功能的充电器电路,如图2所示。在小功率中,早期的充电器一般用一个稳压块,到后来才采用了PWM 开关电源,提高了充电速度和充电效率。由于中小功率UPS中采用的电池电压很低,所以输出还要加升压变压器。后来由于器件的发展才取消了输入降压变压器, 成了今天的样子。
到底工频机UPS的输出变压器还有多少功能?没有它行不行?是工频机产品不可缺少的部分还是专门为了实现上面所宣传的优越功能而专门加上去的呢?只有搞清楚这个问题才可以谈它是否优越的问题。

(1)工频机输出隔离变压器的第一作用---产生隔离接地点
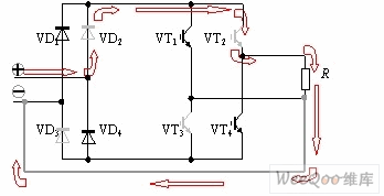
图3给出了一个单相UPS的主电路图,它的输出端不接地,输入电压正半波(L为正压)的情况。此时的电路中无变压器,逆变器输出与输入端的电压同步锁 相,锁相的含义是:全桥逆变器几个功率管的导通情况是根据输入电压的相位要求而决定的,如3所示的浅色二极管和IGBT是在电压正半波(L为正压)的情况 下电流的经过路径。这时的电流路径是:
L+→VD2→VT2→R→VT3→VD3→N-

从路径上可以看出,电流在形成一个回路的流动中经过了两个整流器二极管和两个逆变器IGBT。此时UPS的工作是正常的。
当输入电压为负半波时的情况也一样,不过在负半波时电流流过的是另外两只整流器二极管和逆变器的IGBT。
在此情况下供电是没有问题的,不过这时输出的是不接地的悬空电压,如果负载机器没有输入接地的要求,一切均无问题。然而偏偏有一些电子设备要求其 输入电压(UPS的输出电压)零点接地,不接地就不给用户开机。这样一来使得原来悬空电压的一端必须接地。要知道,在我国的用电制度中,变电站将11kV 的高压经?-Y变压器变成低压(3X389V/220V)后,当即就把次级绕组Y的中点接地,然后再由这一点引出两条线:一条中线N和一条地线E,如图4 所示。

图4 零线和地线连接的情况
因此,在UPS输出端有一点接地也就和输入端电压的零线接到了一起,如图5中粗灰线所示。如果还是按照图3假设的条件,即输出电压和输入电压同步锁相, 在输入为正半波时,如图5(a)所示,虽然逆变器功率管的导通和整流器二极管都按照输入的要求开通,但由于如图示的短路中线电阻远远小于电路内几个功率管 和导线的电阻,所以电流在流过

(a) UPS负载端接地时L为正压情况下电流的流动路径

(b) UPS负载端接地时L为负压情况下电流的流动路径
图5 UPS负载端接地时电流的流动路径
来源:维库开发网


