- 易迪拓培训,专注于微波、射频、天线设计工程师的培养
THS7364设计的六路低功耗HD(SD)视频技术
录入:edatop.com 点击:

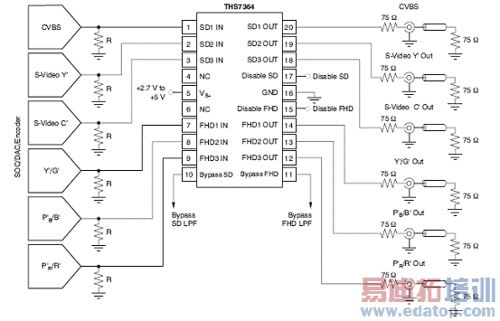
图3.THS7364典型的6路系统:DC耦合编码器/DAC输入/,DC耦合线路驱动

图4.THS7364典型的6路系统:DC耦合线路驱动,每路两个输出

图5.THS7364典型AC输入系统驱动AC耦合视频线路
上一篇:增强型DC/DC隔离变压器
下一篇:综合布线线缆的防火与环保


