- 易迪拓培训,专注于微波、射频、天线设计工程师的培养
一种适合于开关稳压器的新颖电流检测方法
该电流检测电路的作用如下:
在一个稳压器芯片中, 既包括一个DC2DC(BUCK) , 又包括一个LDO , 中载和重载时工作于PWM 模式,轻载时(约为3 mA 以下) 工作于LDO 下,而本文提出电流检测电路的作用是:当其负载电流小于一定值时(此时开关稳压器处于DCM 模式下) ,LA28电平跳遍,实现PWM 模式向LDO 模式的模式切换。
这里需要注意的是,如果对输出负载电流直接进行检测或是通过将电感电流取平均值的方式来检测输出负载电流,则将会带来电路实现上的困难。而在此提出的这种检测方法却不存在这个问题。该架构图是DC2DC 负载电流状态检测电路的等效图。其作用是当DC2DC 负载电流低于3 mA 时,其输出信号LA28 由高变低,从而实现PWM 模式向LDO的切换。它的基本原理是利用DCM 模式下(当负载电流为3 mA 时,DC2DC 处于DCM 模式下) 负载电流与开关管栅极驱动信号N_DRV 的关系,通过检测N_DRV 来监控输出负载电流的变化,从而实现当负载电流低于3 mA时PWM 模式向LDO 的切换。下面将用图5 来说明该电路检测负载电流的原理。

图5 检测DCDC 负载电流的基本原理
图5 是DCM 模式下电感电流IL 与同步管栅极驱动信号N_DRV 的波形图。

又由于每个周期通过电感输出到负载的电荷量是不变的,故有
。其中: T 为开关周期; IOUT 为输出负载电流。
从上面几式得:

现在再来分析图4 ,在频域内,从N_DRV 到N_DRV_DC 的系统传递函数为:

故图4 中的R 与C 组成的网络是1 个三阶的RC 低通滤波器。下面计算N_DRV_DC ,从t = 0 接入脉宽为ΔT ,周期为T 的周期性矩形脉冲信号N_DRV , 其复频域的象函数为![]()
故N_DRV_DC 的象函数为:

需要注意的是,在设计三阶RC 低通滤波器时,其带宽应设置得远小于DC2DC 的振荡器频率(即N _DRV 的频率) ,以保证很好地滤出N_DRV 中的高频分量;但也不宜设置得太小,否则所使用的电阻和电容将会比较大。
当DC2DC 负载电流减小,N_DRV_DC 也会减小,若减小至N_DRV_DC = BIAS3 时,比较器开始由高变低,芯片将从PWM 模式进入LDO 模式。设此时的负载电流为ILDO(ON) ,则:

由上式可知,DC2DC 向LDO 的切换阈值ILDO(ON)与电感值L 成反比。
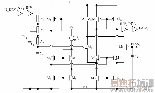
最终的电流检测实现电路如图6 所示。由于该电路原理比较简单,分析从略。

图6 最终的电流检测实现电路
3 仿真结果数据
仿真结果数据如表1 所示。TA = 25 ℃,L =2. 2μH。

4 结 语
提出了一种开关稳压器电流检测的新方法,通过检测DCM 模式下同步管栅极驱动信号,实现对输出负载电流的检测,从而得出芯片从PWM 模式向LDO 模式的切换。由此解决了通过检测电感平均电流而使的电路实现的困难。经过HSpice 仿真验证,其仅消耗5μA的静态电流。该种检测方法主要适用于需要对开关稳压器的DCM 模式下负载电流进行检测的场合。
来源:维库开发网


