- 易迪拓培训,专注于微波、射频、天线设计工程师的培养
基于TPS2480/81的智能保护热插拔控制设计
录入:edatop.com 点击:
TPS2480/81是具有正电压智能保护的热插拔控制器和I2C电流监视器。具有可编程的FET功率限制,外接N沟FET栅极驱动,可编程的故障定时器,电流、电压和功率的I2C监视,1%的高精度电流监视,并具有动态校准,输入电压9V~20V,主要用在服务器、硬盘驱动、存储网络和基站。
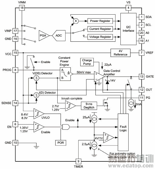
TPS2480/81带有正电压智能保护器件的热插拔控制器和I2C电流监视器。TPS2480/81设计用于将应用内的浪涌降至非常低的水平,保护负载和FET免遭过流或短路事件的损害。它们控制外部N沟道MOSFET开关,通过I2C接口、利用可配置12位A/D转换器实现准确的电压、电流和功率监视。独立可调功率限制和电流限制可以保证,外部MOSFET在FET的安全工作区(SOA)内运行。
灵活的设计包含1个可用于定序和负载故障指示的电源良好输出。外部定时器电容器可以设置故障时间,以便在发生瞬变事件时让系统免遭危险停机的影响。

图1 TPS2480/81功能方框图

图2 TPS2480/81功能方框图(2)
来源:21IC电子网
上一篇:浅析智能布线系统与传统结构化布线之差别
下一篇:信息技术设备的受限制电源


