- 易迪拓培训,专注于微波、射频、天线设计工程师的培养
基于AT73C260的多种接口USB收发技术
录入:edatop.com 点击:
AT73C260是片内USB收发器,完全和USB标准兼容,是双向差分接口,有三种不同的接口:数字、带或不带电缆的USB2.0 section 7和IC_USB1.0。AT73C260还包括3.5V电源监视器、低功耗的能带隙稳压器、3.3V 70mA线性电压稳压器和1.8V~3.0V 70mA线性电压稳压器SIM FTA。主要用在移动USB UICC(ETSI 102 600)、PC USB UICC以及 Token USB(口令密码USB)。

图1 AT73C260方框图
AT73C260简介
AT73C260是片内USB收发器,完全符合通用串行总线规范的要求,具体地说是与IC_USB1.0兼容。AT73C260是一种双向差分接口。AT73C260特别适于用于移动器件、PC和使用USB UICC 的Token USB。
AT73C260的上行端口可以连至3种不同的接口:数字;带或不带电缆的USB2.0 section 7;IC_USB1.0。
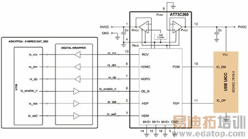
AT73C260的下行端口符合IC_USB1.0的要求。利用3个引脚选择AT73C260的模式。在PVCC由3.3V电源供电,并且在PDM和PDP上添加了下拉电阻器时,AT73C260的下行端口符合USB2.0 section 7的要求。

图2 AT73C260应用框图:PHY–6线DAT_SE0到IC_USB1.0
来源:21IC电子网


