- 易迪拓培训,专注于微波、射频、天线设计工程师的培养
新颖的电流临界导通的功率因数校正芯片的研究
2.1 轻载特性的改善
对于一般的功率因数校正电路来说,轻载时电路的损耗比较大。降低轻载时功率因数校正电路的损耗已经成为现在的研究热点。而芯片UCC38051较好地解决了这个问题。
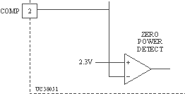
图3中给出了这种降低轻载时电路损耗的原理图。如果功率因数校正电路在轻载时其工作频率比较高时,那么它的损耗比较大,因此,在轻载时必须减少电路的开关次数,来降低电路的损耗。UCC38051中有一个零功率检测比较器,当输出功率比较低时,这个比较器就会工作。此时它会使电路工作在间隙模式下,这样电路的损耗就会降低。

图3 零功率检测比较器
芯片UCC38051脚2(COMP)的电压,在输入功率等于零和输出电压过压的工作条件下,会低于它正常工作时的电压。当它低于零功率检测比较器的基准电压时,比较器就会工作,这样零功率检测比较器就会闭锁驱动信号,使输出驱动信号为零。因此,有了这个零功率检测比较器就会防止启动时输出电压过冲。另外,在动态过程中输出电压也会比较高,脚2的电压也会比正常工作时低,这样也可能封锁驱动信号,但是,UCC38051内部有一个跨导误差放大器,当电路工作在这个状态时,它会使脚2输出电压不会低于零功率检测比较器的基准电压,从而不会封锁驱动信号。
2.2 动态性能调节和欠压保护
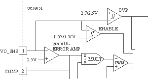
对于功率因数校正电路来说,动态性能的好坏和启动电流的大小直接影响电路的寿命。因此,在设计功率因数校正电路时,必须考虑这两个问题。图4给出了解决动态响应和启动电流的原理图。

图4 动态调节和欠压保护原理图
当功率因数校正电路的输出功率突然变化时,它的输出电压就会引起很大的变化。例如,当负载突然变轻时,它的输出电压会陡然增加很多;当负载突然加重时,它的输出电压会突然降低很多。如果电路以这样的方式工作,它的动态性能就比较差,会增加后级电路的负担,影响电路的寿命。而在芯片UCC38051内部有一个跨导型电压误差放大器,当功率因数校正电路负载突然变化时,电路的反馈电压信号通过脚1(VO_SNS)送给跨导型电压误差放大器,使跨导型电压误差放大器工作,使电路的增益非线性变化,导致电路增益突然变化很多,这样就可以迫使电路的输出电压的变化不能很大。因此,有了这个跨导型电压误差放大器,就使电路的输出电压不会变化很大,这样就可以改善电路的动态性能。同时,有了这个跨导型误差放大器,就改善了高输入电压时的功率因数和减小了输入电流总的谐波含量。
欠压保护对于功率因数校正电路来说也十分重要。UCC38051芯片通过一个滞环比较器实现欠压保护功能。它是通过脚1的反馈电压信号给欠压保护的滞环比较器一个电压信号,当输出电压比较低时,电路中的反馈电压也比较低,当反馈电压低于滞环的转换电压时,这个滞环比较器会封锁驱动信号,从而就实现了欠压保护功能。
3 实验结果
上述功率因数校正电路的主电路如图5所示,其主要参数如下:

图5 主电路图
输入电压 AC 90~265V;
输入电压频率 47~63Hz;
输出电压 400V;
最大输出功率 100W;
最大开关频率 fmax=100kHz。
实验结果证明了,这种新颖的电流临界导通的功率因数校正控制芯片,很好地解决了电路启动时输出电压过冲的问题;动态性能也得到了改善;同时,改善了高输入电压时的功率因数和降低了输入电流总的谐波含量。图6和图7分别给出了输入电压115V,输出功率满载时的输入电流波形和输入电流谐波含量图。图8和图9分别给出了输入电压230V,输出功率满载时的输入电流波形和输入电流谐波含量图。图10给出了启动时输出电压的波形。图11和图12分别给出了输出功率从满载到空载和从空载到满载时的输出电压波形。

图6 输入电流波形(Vin=115V,Po=100W)
来源:21IC电子网


