- 易迪拓培训,专注于微波、射频、天线设计工程师的培养
基于NCP1200A的多路反激变换器的研究
介绍了低功率通用离线式电源的脉宽调制电流型控制器NCP1200A的原理,并且通过所研制出的多路隔离反激变换器试验样机,及其试验结果来进一步说明此控制器所具有的优点。
关键词:电流模式控制;反激;前沿消隐;动态自供电
0 引言
反激变换器具有电路结构简单、输入输出电气隔离、电压调节范围宽、易于多路输出等特点,因而适合作为电力电子设备内的辅助开关电源。
电流控制型脉宽调制是一种新颖的控制技术,它克服了传统的电压控制型脉宽调制技术的缺点,使开关电源系统具有快速的瞬态响应、高度的稳定性、过载及短路保护简单等特点。NCP1200A是一种低功率通用离线电源的电流模式脉宽调制控制器,它代表了向超小型开关电源方向的重大飞跃,它内部包括定时元件、反馈器件、低通滤波器和自供电等。本文通过对此芯片功能的研究,并且成功地设计制作了多路隔离输出反激变换器的样机。
1 电流控制型脉宽调制器NCP1200A简介
NCP1200A采用标准电流模型体系,驱动关断时间由峰值电流设置点确定。此控制芯片具有以下特点:
——无需辅助电源绕组;
——内部有输出短路保护电路;
——空载待机功耗极低;
——电流模式带跳周期功能;
——内部有250ns前沿消隐电路;
——250mA峰值拉/灌电流能力;
——内部固定频率为40/60/100kHz;
——通过光耦合器直接连接。
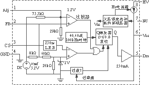
其内部结构如图1所示,各引脚功能如下:
——脚1用来调整发生跳周期的电平;
——脚2将光耦器接至该脚,根据输出功率需求来调节一次侧峰值电流设定点;
——脚3检测一次侧电流,并通过前沿消隐电路将检测值送入内部比较器;
——脚4接地;
——脚5输出驱动外部MOSFET开关管;
——脚6接至典型值为10μF的外部大容量电容;
——脚7用来保证适当的漏电流距离;
——脚8接至高压直流干线,该脚将恒定电流注入Vcc大容量电容。

图1 NCP1200A内部结构
2 设计特点及注意事项
2.1 动态自供电(DSS)
动态自供电技术使得所设计的反激变换器无需辅助电源绕组,可由高压直流干线直接供电。DSS的原理基于Vcc大容量电容从一个低电平到一个较高电平的充放电。其工作过程如下:
当电源接通时,若Vcc<VccH,则电流源接通,无脉冲输出;若Vcc下降且大于VccL,电流源关断,输出为脉动;若Vcc上升且小于VccH,电流源接通,输出为脉动;典型值VccH=12V,VccL=10V,其工作过程示意图如图2所示。

图2 Vcc电容的充放电示意图
来源:21IC电子网


