- 易迪拓培训,专注于微波、射频、天线设计工程师的培养
倍流同步整流在DC/DC变换器中工作原理分析

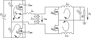
(d) 模式4[t3-t4]
图2 工作模式图

图3 工作波形图
模式1[t0-t1] 在t=t0时刻,开关管S1导通,变压器原边两端的电压为正,且有Vp=Vin/2;而开关管S2一直都处于关断状态,由于S1的导通,S2的漏源极电压(Vds2)被钳位到输入电压,即Vds2=Vin。变压器副边电压Vsec为高电平,同步开关管SR1的门极也是高电平,SR1导通。此时,负载的电流等于两个输出电感电流之和,且全部流经SR1。在这个模式下,滤波电感Lo1上的电流是增大的,而电感Lo2上的电流是减小的,它们的电流纹波有相互抵消的作用,所以,负载电流Io的纹波是很小的。
模式2[t1-t2] 在t=t1时刻,S1关断。由于变压器漏感Lk的存在,电流要继续维持原来的方向,所以,如图3(b)中所示,此时在变压器原边存在两个回路,一个是由C1,Coss1,Lk构成,对S1的输出结电容Coss1充电;另一个是由C2,Coss2,Lk构成,对S2的输出结电容Coss2进行放电。最后S1及S2的漏源极电压都被钳位在输入电压的一半,即Vds2=Vds2=Vin/2。同时,变压器原边的电压此时为零,副边也是零,此时,SR1及SR2都处于导通状态,分别对两个输出电感上的电流进行续流。且两个电感上的电流都是减小的,所以,最后得到的输出负载电流(ILo1+ILo2)是减小的。
模式3[t2-t3] 在t=t2时刻,S2导通。S1处于关断状态,其两端电压也被钳位到输入电压,即Vds1=Vin。由图2(c)中可以看出,变压器原边的电压为负,且等于输入电压的一半,即Vp=-Vin/2。相对应的同步管SR2导通,所有的负载电流都会流经SR2。且输出电感电流ILo2是增大的,ILo1是减小的。但最终得到的负载纹波电流是增大的。
模式4[t3-t4] 在t=t3时刻,S2关断。在这个工作模式下,原边的工作原理同图2(b)正好相反。这时,S1及S2都处于关断状态。存储在变压器原边漏感中的能量对S1及S2输出结电容进行充放电。其中对Coss1是放电,而对Coss2进行充电。变压器原副边的电压都为零,副边的两个同步整流管都被触发导通。两个输出电感上的电流都在不断地减小,所以,总的负载电流是减小的。
在模式4[t3-t4]后,接着就进入下一个周期。
3 实验及结果
在前面分析的拓扑基础上,完成了一个输入为DC 36V,输出为1V/25A的DC/DC变换器。这个电路中所用到的参数见表1所列,其中所有的参数和图1的主电路中所标注的是相对应的。
表1 实验参数 项目 参数或型号

图4所示的是原边两个主管和副边同步管的门极驱动波形。通道R2表示S1的驱动波形;通道R1表示S2的驱动波形;通道1是同步管SR2的驱动波形;通道2是同步管SR1的驱动波形。由表1可以看到,变压器漏感Lk=600nH。所以,在电流较小的时候,存储在漏感中的能量不是很大,因而开关管在关断后的漏感和开关管输出结电容间的振荡不是很大,图5所示的是在负载电流Io=5A时的S2漏源极vds2的波形。
作者:浙江大学电气工程学院 蔡拥军,叶欣 来源:21IC电子网
上一篇:基于LM5642的BUCK型拓扑结构应用
下一篇:嵌入式系统电源芯片选型与应用


