- 易迪拓培训,专注于微波、射频、天线设计工程师的培养
倍流同步整流在DC/DC变换器中工作原理分析
在低压大电流变换器中倍流同步整流拓扑结构已经被广泛采用。就其工作原理进行了详细的分析说明,并给出了相应的实验和实验结果。
关键词:倍流整流;同步整流;直流/直流变换器;拓扑
0 引言
随着微处理器和数字信号处理器的不断发展,对芯片的供电电源的要求越来越高了。不论是功率密度、效率和动态响应等方面都有了新要求,特别是要求输出电压越来越低,电流却越来越大。输出电压会从过去的3.3V降低到1.1~1.8V之间,甚至更低[1]。从电源的角度来看,微处理器和数字信号处理器等都是电源的负载,而且它们都是动态的负载,这就意味着负载电流会在瞬间变化很大,从过去的13A/μs到将来的30A/μs~50A/μs[2]。这就要求有能够输出电压低、电流大、动态响应好的变换器拓扑。而对称半桥加倍流同步整流结构的DC/DC变换器是最能够满足上面的要求的[3]。
本文对这种拓扑结构的变换器的工作原理作出了详细的分析说明,实验结果证明了它的合理性。
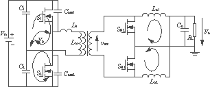
1 主电路拓扑结构
主电路拓扑如图1中所示。由图1可以看出,输入级的拓扑为半桥电路,而输出级是倍流整流加同步整流结构。由于要求电路输出低压大电流,则倍流同步整流结构是最合适的,这是因为:

图1 主电路拓扑
1)变压器副边只需一个绕组,与中间抽头结构相比较,它的副边绕组数只有中间抽头结构的一半,所以损耗在副边的功率相对较小;
2)输出有两个滤波电感,两个滤波电感上的电流相加后得到输出负载电流,而这两个电感上的电流纹波有相互抵消的作用,所以,最终得到了很小的输出电流纹波;
3)流过每个滤波电感的平均电流只有输出电流的一半,与中间抽头结构相比较,在输出滤波电感上的损耗明显减小了;
4)较少的大电流连接线(high current inter-connection),在倍流整流拓扑中,它的副边大电流连接线只有2路,而在中间抽头的拓扑中有3路;
5)动态响应很好。
它唯一的缺点就是需要两个输出滤波电感,在体积上相对要大些。但是,有一种叫集成磁(integrated magnetic)的方法,可以将它的两个输出滤波电感和变压器都集成到同一个磁芯内,这样可以大大地减小变换器的体积。
2 电路基本工作原理
电路在一个周期内可分为4个不同的工作模式,如图2所示,理想的波形图如图3所示。

(a) 模式1[t0-t1]

(b) 模式2[t1-t2]

(c) 模式3[t2-t3]
作者:浙江大学电气工程学院 蔡拥军,叶欣 来源:21IC电子网
上一篇:基于LM5642的BUCK型拓扑结构应用
下一篇:嵌入式系统电源芯片选型与应用


