- 易迪拓培训,专注于微波、射频、天线设计工程师的培养
新一代数字万用表助力模拟电路故障诊断
概述
随着电子产品向精密、微型化、低功耗方向持续发展,对电路系统中的模拟电路的调试和验证提出了前所未有的挑战。这部分电路在系统中的分量一般不到20%,却常常是限制项目开发进程的瓶颈。虽然在模拟电路故障诊断的工作中没有包治百病的良药,但是运用合适的方法和测试工具可以提高调试效率。本文将通过超低功耗电路测试、微弱电源纹波测试、在线测量电流、短路定位、噪声分析等几个实例,并结合RIGOL推出的新一代61/2位数字万用表DM3068在弱信号测量方面的优点介绍一些常见的故障诊断方法。
检测地回路
现代的电子产品往往将小信号模拟电路、数字电路和功率电路紧密地整合在一块PCB上,电路布局不仅要满足电路性能要求,还受结构设计的约束,同时要符合EMC规范,这些都给地回路的布置带来了很大的挑战。在多重约束的限制下,设计阶段PCB地回路布线会存在不确定的因素,需要在测试阶段检验。
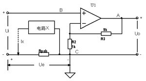
以图1所示电路为例,U1、R3、R2组成同相放大器,设计期望该放大器能够将输入信号Ui放大10倍,Uo是放大器的输出电压。由于PCB布局布线受到约束,Ui的"-"输入端子跟电阻R2的C端之间有一段导线Rpcb。而PCB上可能存在"电路X"引入地回流Ix流过导线电阻Rpcb。受"电路X"地回流Ix的影响,导线Rpcb两端会有电压差Ue,为了确定Ue对被测信号的影响,需要测量Ue的大小。

图1 包含地回流干扰的同相放大电路
对精密电路而言,即使Ue只有μV量级,也会对电路产生巨大的影响。DM3068数字万用表直流电压的最小读数分辨率可达0.1μV,而且测量端子跟机壳地隔离,不会引入额外的直流电流地回路,适合于测量地回路引起的μV量级直流误差。
测量弱电压信号需要注意热电势、共模干扰、电磁感应等误差源,这些误差一般在10μV的量级,会严重干扰小信号测量。使用同材质的、双绞或带屏蔽的测试电缆可以减小热电势和电磁感应的误差。测量Ue前可以先判别这些误差源引入的总误差的大小,使用万用表的"相对"运算排除固定误差的干扰,然后再测量Ue就可以得到比较准确的结果。
先将万用表的两个表笔同时连接图1中的端子C端,这时万用表的读数是由热电势、共模干扰、电磁感应的误差源引起的,观察其变化情况。如果读数在一个小范围内波动,则认为是固定误差。按下万用表"相对"菜单键,万用表会记录当前读数值,并在以后的每个测量结果中减去该读数值再显示,这样就可以排除固定误差的干扰。然后再测量端子C和Ui的"-"端之间的电压差,读数即为排除固定误差干扰后的Ue值,可以比较准确地反映真实Ue的大小。
监测电源波动
如果将一个电路模块当成黑盒,那么它至少会有一个输入端口——电源。在电路故障诊断中,电源端口经常被遗忘或者被低估,以至于有些问题被定性为"灵异事件"。
假定黑盒内部的电路和信号输入均正常,如果黑盒的输出仍然有问题,这时就应该重点排查电源输入。常用的电源检测仪器有示波器、频谱仪和数字万用表,它们能够覆盖的测量范围不同(如图2所示),应该综合运用这些仪器来全面观察电源信号,避免测试盲区。

图2 不同仪器的典型测试范围
一般认为万用表属于直流仪器,示波器属于时域仪器而频谱仪是频域仪器,但是这种界限正在被打破。新一代的万用表已经引入了时域测量功能,下面以RIGOL DM3068数字万用表的数据绘图功能来介绍万用表如何覆盖示波器和频谱仪的电源测试盲区。
图3是用示波器测得的某个模数混合电路的模拟部分电源电压波形,由于示波器的带宽很大,波形中大部分是数字电路引入的宽带开关噪声,幅度为8.4mVpp。一般情况下,8.4mVpp电源纹波和噪声符合人们的"心理期望",因而就认为电源没有问题(电源影响被低估)。

图3 示波器测试结果
作者:程建川 来源:今日电子/21ic
上一篇:一种基于三电平的单级PFC电路设计
下一篇:视频转码技术及转码实现详解


