- 易迪拓培训,专注于微波、射频、天线设计工程师的培养
三端集成线性稳压器的电路原理及应用
录入:edatop.com 点击:
⑷扩大输出电压范围

,所以 : ![]()
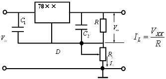
⑸连接成恒流源电路

⑹三端可调式集成稳压电路
其型号有正输出三端可调式、负输出三端可调式两种。是负电压输出可调式。如LM317型是正电压输出型,LM337其输出电压可在1.25~40V之间调节。

![]()
其中,VREF=1.25V,而Iadj很小,通常略去,所以,由公式可得,只要调节R2就能在一定范围调节输出电压的大小。
具有正负输出的实际应用电路如下图所示。

来源:21IC电子网


