- 易迪拓培训,专注于微波、射频、天线设计工程师的培养
一种GSM固定无线接入设备的设计(上)
GSM固定无线接入(GFRA,GSM Fixcd Radio Access)技术又称GSM无线用户环路(WLL),是采用GSM数字蜂窝技术替代传统用户线来为用户提供电信业务的技术。GFRA覆盖范围的直径以几十米、几百米、几千米、几十千米不等,因而应用范围较广,即可为人口密集的城区服务,也可为农村和边远山区服务。
与传统PSTN接入网相比,GFRA具有以下优点。
◇经济。运营维护费大大低于有线系统,且成本与距离无关,这在农村及边远地区尤显其优势。
◇能迅速提供业务。据统计,GFRA在一个月即可投入使用,而有线接入网则需要6~18个月的时间,除此之外,有线接入网还存在占地、城区人口稠密地区接线困难和易受到自然灾害破坏等缺陷。
◇容量大。采用小区覆盖,频率再用等技术,可扩大用户容量。
◇灵活可变。无需预测话务量,可随时按需进行变更,扩容方便。
◇安全可靠。防盗线,保密性好。
1 GFRA设备的组成和工作原理
1.1GFRA设备的组成
GFRA设备由天线、无线收发模块、主控电路、电话控制模块和充电电池电路组成,如图1所示。其中,无线收发模块完成接入GSM网络的工作,相当于一部手机;电话控制模块主要包括了用户线接口电路(SLIC)、DTMF检测和信号音产生电路,完成电话机的接入工作;而主控电路实现了有线电话信号和GSM电话信号相互转换的接续、控制;充电电池电路为选配部件,是常停电地区采用的配件,市电不易到达的地方可配太阳能充电电池。
GFRA设备一端通过天线接入GSM网络,另一端通过电话线连接普通的电话终端,如普通电话机、IC卡电话机、投币电话机等。GFRA设备相当于在普通电话机和GSM网络之间搭起了一座桥梁。

1.2 GFRA设备的工作过程
(1)经GFRA设备的去话过程
①主叫用户摘机后,主控电路通过SuC电路检测到电话机摘机。
②主控电路控制信号音电路送出拨号音,同时开始检测主叫用户的DTMF拨号。
③收到主叫用户的DTMF后,主控电路停送拨号音。
④收完号码后,主控电路控制无线收发模块以的号码向外呼叫,如果被叫空闲,主叫用户将听到回铃音。
⑤被叫摘机,双方开始通话。主控电路同时SLIC电路向电话线送出反极信号,该信号可启动IC卡电话机、投币电话机等的计费工作。
⑥如果主控电路检测到主叫用户先挂机,则向无线收发模块发出挂机命令,通话结束。
⑦如果主控电路检测到被叫用户先挂机,则向主叫用户发送忙音,并通过SLIC监测主叫挂机,通话结束。
(2)经GFRA设备的来话过程
①主控电路收到来自无线收发模块的振铃信号RING后,通过信号音产生电路和SuC向本端电话机振铃。
②主控电路在产生第一声振铃音和第二声振铃音之间,送出来电显示信号。
③本端电话机用户摘机,双方开始通话。
④双方通话结束的处理同上面的去话过程。
2 硬件设计
GFRA设备的硬件结构框图如图2所示,包括电话机用户线接口电路(SLIC)、DTMF检测和信号音产生电路、MCU和外围功能电路、GSM模块电路四大部分。

GFRA设备硬件电路以P89C5lRD+为MCU,通过SPI接口连接外围功能电路(串行存储器X5045、DTMF接收和信号音发生电路CMX605),通过CMX605连接SLIC电路STLC3055,MCU通过UART访问GSM模块。
2.1 SLIC电路STLC3055
用户线接口电路SuC是电话通信中的关键器件。本设计采用意法半导体公司(ST)近年来推出的全新SLIC芯片STLC3055。这种SLIC不仅能支持多种振铃信号,而且电路中省去了诸如振铃继电器、铃流发生器等许多传统器件,从而可大大节省PCB布线空间,降低设计成本,并且控制使用也更加方便.STLC3055可以使用单独的+12V供电,设计和使用都比较方便,其应用电路如图3所示。
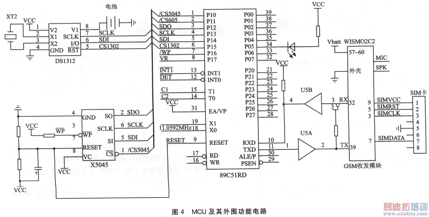
2.2 MCU和外围功能电路
MCU及其外围功能电路如图4所示。 
(1)MCU P89051RD+
MCU采用Philips的P89C5lRD+,它兼容80C51单片机,内含有64KBFlashROM,1KBRAM,32个I/O。对于本设计,这些资源就足够,不用扩展外部RAM和I/0。
(2)串行存储器X5045
X5045用于存放GFRA设备的非易失工作参数。同时,该芯片将看门狗定器、上电复位控制、压降管理以及具有块保护功能的串行EEPROM这四种功能集成到一体,有助于简化应用系统的设计,减少PCB的占用面积,提高系统可靠性。
(3)实时时钟DSl302
DSl302是一个可编程3线SPI串行接口的时钟芯片,用来备份系统时间和数据。


