- 易迪拓培训,专注于微波、射频、天线设计工程师的培养
基于CC2430ZigBee无线数传模块设计与实现
录入:edatop.com 点击:
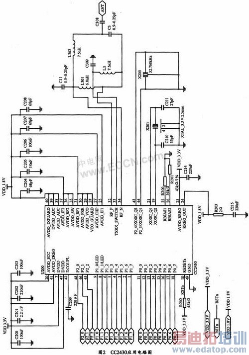
4程序设计
限于篇幅。这里对于软件的设计只做简短的介绍。作者购买的是TI公司的CC2430开发套件,其中包括调试板和软件。现在,TI已经免费提供原来昂贵的ZigBee协议栈,并且会有不断的更新和完善。此外,该套件还有一些实用的例子,利用它们可以降低开发的复杂度,加快开发人员的开发速度。

5 结束语
随着ZigBee技术的不断成熟和应用范围的不断扩展,各大半导体厂家几乎都已经推出了自己的ZigBee芯片和开发套件。相信在未来几年,它不仅可以打开大量的新应用之门,而且还能给许多现有的应用增加新的价值。由于通过各种非常简单的ZigBee器件就能实现联网,因此,作为一个全球性标准,ZigBee技术可为将来实现无所不在的网络创造条件。可以预见Zigbee无线传感将切实改变人们的生活。
上一篇:四招教你辩认
AMD正品盒装处理器
下一篇:软交换网络安全威胁和需求浅析


