- 易迪拓培训,专注于微波、射频、天线设计工程师的培养
设计家用电器电路控制板时的EMC解决方法
控制板自身的干扰
1 控制板本身产生的干扰
家电控制板中常用的继电器、可控硅以及高频时钟等,都可能成为小家电控制板的自身干扰源。对于以上干扰,可以从以下方面入手来解决:
● 在继电器线圈增加续流二极管,消除断开线圈时产生的反电动势干扰。
● 在继电器接点两端并接火花抑制电路(一般是RC串联电路,电阻一般选几千欧到几十千欧,电容选0.01μF,以减小电火花影响)。
● 在电路板上每个IC上并接一个0.01~0.1μF高频电容,以减小IC对电源的影响。但应注意高频电容的布线,连线应靠近电源端并尽量粗短,否则,等于增大了电容的等效串联电阻,而这会影响滤波效果。
● 布线时应避免90°折线,并尽量减少高频噪声发射。
● 在可控硅两端并接RC抑制电路,减小可控硅产生的噪声(该噪声严重时可能会把可控硅击穿)。
● 注意晶振布线。晶振与芯片引脚应尽量靠近,并用地线把时钟区隔离起来,晶振外壳要接地并固定。最好在能使用低速晶振的场合尽可能选用低速晶振。
● 对电路板合理分区(如强、弱信号,数字、模拟信号)。尽可能把干扰源(如电机、继电器)与敏感元件(如单片机)远离。
● 交流端用电感电容滤波:去掉高频低频干扰脉冲,VCC和GND之间接电解电容及瓷片电容,以去掉高、低频干扰信号。
2 控制板本身的传导干扰
为了防止控制板电路产生的传导干扰,可在电路的进入口(即AC两端)并接上一个电容C,图1所示是一个简单的电容抗扰电路连接图。图中的电容属于安全电容,但必须在该电容的两端并联一个安全电阻,以防止电源线拔插时电源线插头长时间带电。因为安全标准规定,当正在工作之中的机器电源线被拔掉时,在两秒钟内,电源线插头两端所带的电压(或对地电位)应小于原来电压的30%。

图1 电容抗扰电路
该电容必须经过安全检测部门认证过后才能使用。电容的耐压一般都标有安全认证标志和AC250V或AC275V字样,但其真正的直流耐压应达到2 000 V以上。而且在使用的时候,不要随便用AC250V或DC400V之类的电容来代用。
抗扰电容一般都选用纹波电流比较大的聚脂薄膜安全电容,这种电容体积一般都很大,允许瞬间充放电的电流也很大,即内阻比较小。而普通电容纹波电流的指标一般都很小,动态内阻较大,因此,用普通电容代替安全电容,除了耐压条件不能满足以外,一般纹波电流指标也难以满足要求。
实际上,光靠用安全电容就想把传导干扰信号完全滤除是不可能的。因为干扰信号的频谱非常宽,基本覆盖了几十千赫到几百兆赫甚至上千兆赫的频率范围。一般对低端干扰信号,其滤除需要很大容量的滤波电容,但受到安全条件的限制,电容的容量不能太大;而对高端干扰信号的滤除,大容量电容的滤波性能又极差,特别是聚脂薄膜电容的高频性能一般都比较差,并且聚脂薄膜介质的高频响应特性与陶瓷或云母相比相差很远,此外,一般聚脂薄膜介质都具有吸附效应,会降低电容器的工作频率。聚脂薄膜电容工作频率范围大约在1MHz,超过1MHz时其阻抗将显著增加。因此,抑制电子控制板本身产生的传导干扰除了选用这种电容进行滤波以外,一般还要同时选用多个电感滤波器一起组合来对干扰进行滤波。电感滤波器属于低通滤波器,但电感滤波器也有很多种类和无数种规格(如差模、共模以及高频、低频)等,每种电感主要都是针对某一小段频率的干扰信号而起滤除作用,而对其他频率的干扰信号作用不大。电感量很大的电感,其线圈匝数很多,分布电容也很大,高频信号会通过分布电容旁路掉,另外,导磁率很高的磁芯,其工作频率也不高。目前,国内大量使用的电感滤波器磁芯的工作频率大多数都在75MHz以下,对于工作频率要求比较高的场合,必须选用高频环形磁芯(高频环形磁芯导磁率一般都不高,但其漏感特别小)。
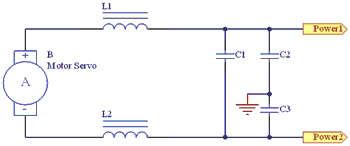
负载干扰
家电中的负载包括线性负载(如热水器)和非线性负载(豆浆机,绞肉机等)。非线性负载是一种频谱极宽的干扰源,其抑制方法主要有两种:一是从非线性负载(如电机)本身入手;由于不恰当的操作、接触器的接触不良、炭刷不干净等原因,都会产生数倍于正常运转时的干扰情况,为了减少干扰,应当保证接触器的接触可靠、开关动作的正常和触头的压力,还要保持炭刷和换向器的干净,保证炭刷本身的质量和换向器的光洁度;同时保证炭刷对换向器有适当的压力;最后还要使机座的固定可靠,避免机械运转时引起的运转不稳。 其二则是采用必要的电气滤波方式,其电路连接如图2所示。

图2 负载的电器滤波电路
该电路的目的是为干扰电势提供一个低阻抗的通路,以抑制干扰值。图2中,C1为电感成分较小的电容,一般为几十至几百纳法;C2选穿心电容,一般为1~4.7 nF。增加该电容的目的是为了抑制噪声,但电容的安装位置不同,以甚高频段的干扰抑制效果会有很大变化,所以,安装时要特别注意电容的接地外壳应与电动机座或金属外壳的最短连接。同时应在连线时使电容器的输入、输出部分的电磁耦合尽可能地减少。
此外,还有一组典型的△形干扰抑制器电路,可同时抑制对称和不对称干扰。其具体电路如图3所示。

图3 Δ形干扰抑制电路
线路干扰
线路干扰的干扰源主要来自外界电磁场在导线上感应出的电压,电源线上其它电器发射的和感性负载通断造成的干扰,以及浪涌(雷击)产生的干扰等。
1 电磁场在电缆上的感应
电磁场在导线中感应出的电压一般是共模电压,而负载上的电压则以系统中的公共导体或大地为参考点。一般以系统中的参考地线面为参考点。对于多芯电缆来说,这意味着电缆中的所有导体都暴露在同一个场中,它们上面所感应的电压取决于每根导体与参考点之间的阻抗。抑制干扰的方法可以使用共模移值法,其原理图如图4所示。

图4共模移值干扰抑制电路
图4中共模扼流圈的特殊绕制方法决定了它仅对共模电流有抑制作用,而对电路工作所需要的差模电流没有影响。因此,共模扼流圈是解决共模干扰的理想器件。理想的共模扼流圈的低频共模抑制作用较小,而随着频率的升高,抑制效果增加。这与平衡电路低频共模抑制比高,随着频率升高平衡性变差,共模抑制比降低的特性正好相反,因此它们具有互补性。所以,在平衡电路中使用共模扼流圈后,电路可在较宽的频率范围内保持较高的共模抑制比。
浪涌干扰
浪涌是指电源电压和电流的变动,负载开关的闭合、自然界的雷击都可能引起浪涌,且其危害较大,有时可能引起振荡甚至烧坏整个系统。家用电器一般不会直接受到雷电的干扰,大多是通过传导线路中的感应电流或电压引起的骚扰。良好的接地是解决这一干扰的有效手段。
防止浪涌干扰的常用器件有气体放电管、金属氧化物压敏电阻(MOVS)和硅瞬变吸收二级管(TVS)。图5所示是采用TVS的浪涌抑制电路。

图5 采用TVS的浪涌抑制电路
结束语
电磁兼容是家电的一个重要衡量标准参数。由于家电的种类繁多,结构复杂,因此,对其共性技术的研究极为重要。本文对家电共有部件的EMC进行了分析。这些分析对于其他的小家电的电磁兼容研究也具有一定的实际意义。
上一篇:谷歌将紧随两大社交网站允许用户数据导出
下一篇:IP-SAN四大热点问题集锦


