- 易迪拓培训,专注于微波、射频、天线设计工程师的培养
基于ZigBee的无线输液监控方案
在医疗系统中,病人在输液过程中的监控问题,一直是护士和病人关心的问题,一但监控失误就会使空气进入人体的血液系统,造成严重的后果,甚至会使患者死亡。现有的控制系统,多采用有线技术进行检测传感器网络的组建。这类方案的特点是扩展性能差、布线繁琐、移动性能差。由于采用硬线连接,线路容易老化或遭到腐蚀、磨损,故障发生率较高。采用无线传输方式构建的无线传感器网络恰好可以避免这些问题。相对而言,无线的方式比较灵活,避免了重新布线的麻烦,网络的基础设施不再需要隐藏在墙里,无线网络可以适应移动或变化的需要;但是,无线通信技术在医院输液监控领域的应用相对较少。这主要是因为目前没有一项无线通信技术适合在医院输液监控领域进行广泛地推广,而且现有的无线通信产品的价格偏高,导致无线通信技术在医疗监控系统的应用停滞不前。ZigBee技术的出现就解决了这些问题。将无线ZigBee传感器网络和自动控制相结合,可以有效地实现医院输液监控系统的设计。正是由于ZigBee技术具有功耗极低、系统简单、组网方式灵活、成本低、等待时间短等性能,相对于其他无线网络技术,它更适合于组建医疗监控网络,实现无线网络监控。
1 系统方案设计
1.1 点滴速度与储液面检测
采用红外光电传感器测量点滴速度。当液滴滴下时,红外光电传感器发射的光透过液滴后强度发生变化,光电接收管接收强度变化的光信号后输出变化的电压信号,此电压信号经过放大、整形后被转化为TTL电平信号,送单片机计数来测量点滴速度。该传感器具有体积小、灵敏度高、线性好等特点,其外围电路简单,性能稳定可靠。
采用电容传感测液位。在储液瓶的瓶身正对着贴两片金属薄片作为传感电容,储液液面下降,电容两极之间的介电常数减小,电容值随之减小,经过电容/电压变换器后输出电压上升。当储液液面降到警戒线时,转换电压高于回差比较器阀值电压,比较器翻转输出开关信号。C/V变换电路具有优良的线性度,较高的变换灵敏度与抗干扰性能。
1.2 无线传输模块
从网络节点逻辑功能上,ZigBee设备可以分为终端设备(enddevice)、路由节点(router)、网络协调器(PANco-ordinator);从设备的功能性上区分,可以分为全功能设备FFD(FullFunctionDevice)和简约功能设备RFD(Re-ducedFunctionDevice)[4]。其中,全功能设备可以充当网络协调器、路由结点或终端设备,而简约功能设备只能充当终端设备节点。因此,从网络逻辑结构上分析,ZigBee医疗监控系统内的数据集中器是ZigBee网络中的网络协调器;数据集中点是路由节点;无线传感器是终端节点,根据传感器安置的位置,也可设为路由节点。一个ZigBee网络最多支持65535个节点,完全可以满足需要。
2 系统硬件设计及工作原理
2.1 数据接收端
数据接收端使用相同的无线收发模块,并利用RS232异步串口与PC机通信。其功能相当于一个接入点,一方面将主机向数据采集端发送的控制信号以无线的方式发射出去,另一方面接收采集数据并上传给主机。系统结构如图1所示。

图1 系统结构图
2.2 数据采集端
1)点滴速度测量模块
该部分采用红外传感器测量点滴速度,所用光电检测器型号是ST-178红外发射接收对管。光电接收器件内部LED的P-I特性为:
P=Ne*Ni*h*v*I/q,
式中:Ne表示外量子效应;Ni表示内量子效应;I为注入电流;q为过流时的电量。
把红外发射和接收管正对着固定在滴斗两侧,当液滴滴下时,红外发射器发出的光信号透过液滴时接收端光功率发生变化,光电接收管将变化的光信号转换为变化的电信号,由于电信号非常微弱,应放大到一定程度且通过积分电路消除干扰,再经比较器整形得到与点滴同频的方波。经STC89LE516AD单片机对脉冲计数,得到点滴速度。电路原理如图2所示。

图2 点滴速度测量检测模块原理图
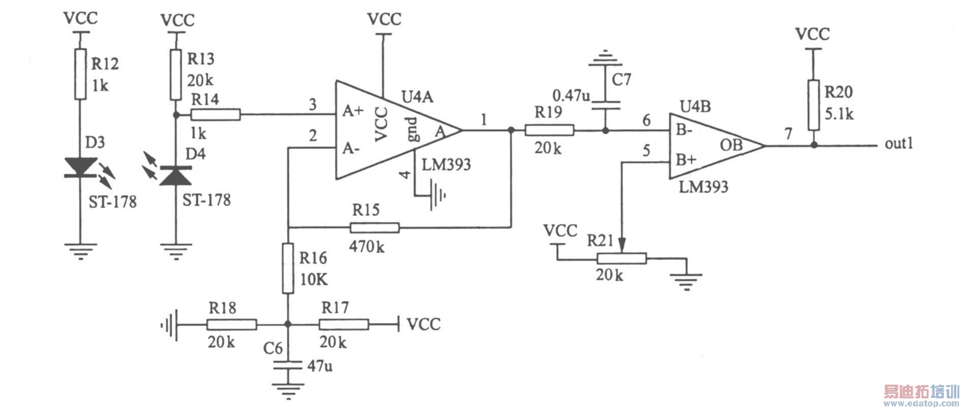
2)储液液面检测模块
数据采集端利用电容式传感器,测量吊瓶中的液体存量,并把采集到的数据传至无线发送模块。由无线发送模块把信号传至监控中心。原理图如图3所示。

图3 储液液面检测模块原理图
电容、电压变换电路原理说明如下:
波形输入的正半周由于被限幅,负半周时导通,在输入波形的正半周,输入波形被限幅在0.7V,波形以-E跳变至0.7V.利用电容电压特性曲线在储液瓶的瓶身贴两块金属薄片作为传感电容,储液液面下降,电容两极间介电常数减小,电容值随之减小,经过电容电压变换器输出后电压上升。当储液液面降到警戒线时,此时测量所得电容值约为43pF,调整回差比较器阈值电压使其低于电容电压变换器输出电压值,比较器翻转输出开关信号,通过STC89LE516AD单片机检测传给无线发送模块。
3)无线传输模块
采用CC2500ZigBee模块,CC2500是一款低成本、低功耗、高性能的无线收发芯片。其工作频段为2.4GHz的ISM频段;具有良好的无线接收灵敏度和强大的抗干扰能力;在休眠模式时仅0.9??A的流耗,外部中断或RTC能唤醒系统;在待机模式时少于0.6??A的流耗,外部中断能唤醒系统;硬件支持CS-MA/CA功能;电压为(1.8~3.6)V;在传输模式下,当输出功率为-12dBm时,电流消耗为12mA.CC2500的接收器敏感度为-101dBm(在10kbps时);最大输出功率为0dBm,数据速率可在(1.2~500)kbps之间变化;带有2个强大的支持几组协议的USART,以及1个MAC计时器、1个常规的16位计时器和2个8位计时器。
系统工作原理:当传感器测试到液体存量信号和点滴速度时,由无线传输模块把信息发送至监控中心,由监控中心对这些数据进行计算处理。根据预先设定的有关规则(例如:设定液体存量为多少时报警,提醒医生执行医护措施),将这些数据转换为适当的报警动作指标,相应地发出报警。医护人员根据监控系统提示进行操作。
1 2

